电脑桌面
添加小米粒文库到电脑桌面
安装后可以在桌面快捷访问

斜屋面悬挑式脚手架施工方案VIP免费

斜屋面悬挑式脚手架施工方案_第1页
1/29
斜屋面悬挑式脚手架施工方案_第2页
2/29
斜屋面悬挑式脚手架施工方案_第3页
3/29
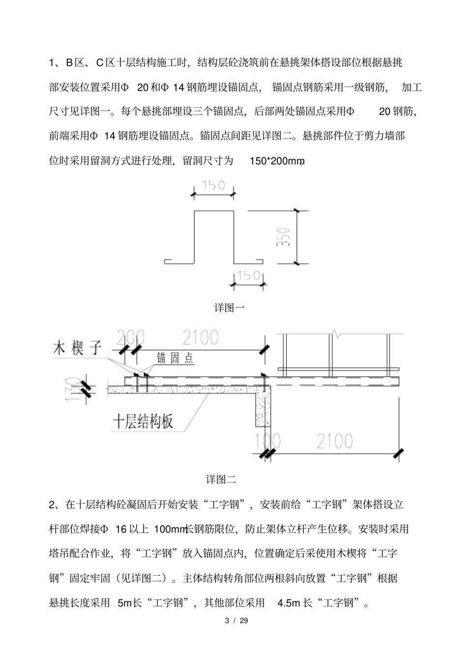
1/29一、工程概况本工程B、C区地上十二层、地下一层,建筑高度51.8m,框架剪力墙结构。B、C区斜屋面悬挑端出外立面3m,斜屋面板厚100mm,斜屋面框架梁截面尺寸为250*700,次梁截面尺寸为250*600,悬挑末端天沟水平梁截面尺寸为250*600(见节点图一)。B、C区二层至九层采用悬挑式脚手架,此架体只作为防护性架体。现从十层开始改变外部悬挑式脚手架搭设方式,悬挑两层至斜屋面底部,悬挑高度约8m。使得此架体既作为B、C区十层、十一层外防护脚手架,也是斜屋面悬挑端支撑架。节点图一二、编制依据西北妇女儿童医院施工图纸西北妇女儿童医院施工组织设计2/29《建筑施工扣件式钢管脚手架安全技术规范》JGJ130-2011《建筑施工安全检查标准》JGJ59—2011《建筑施工高处作业安全技术规范》JGJ80—91《品茗施工安全设施计算软件》2012版三、施工准备㈠、材料准备1、采用Ф48钢管,根据使用位置的不同选择相应尺寸的立杆。所有脚手架钢管必须采用已喷涂黄色油漆的钢管。2、剪刀撑搭设采用已涂刷黑、黄色钢管,踢脚板采用15mm厚200mm高多层板制作,并涂刷黑、黄油漆。3、悬挑部为16#“工”字钢,长度为4.5m,个别部位为5m。卸荷钢丝绳为Ф16。㈡、机具准备小孔序号机具名称单位数量备注1空气压缩机台2380V2力矩扳手把5㈢、劳动力准备管理人员4名,经过培训合格的持有上岗证的施工作业人员70名,油漆工10名。所有施工人员在施工前经过该工程的脚手架搭设施工方案技术交底,掌握搭设技术要求。四、施工工艺㈠、悬挑部件安装3/291、B区、C区十层结构施工时,结构层砼浇筑前在悬挑架体搭设部位根据悬挑部安装位置采用Ф20和Ф14钢筋埋设锚固点,锚固点钢筋采用一级钢筋,加工尺寸见详图一。每个悬挑部埋设三个锚固点,后部两处锚固点采用Ф20钢筋,前端采用Ф14钢筋埋设锚固点。锚固点间距见详图二。悬挑部件位于剪力墙部位时采用留洞方式进行处理,留洞尺寸为150*200mm。详图一详图二2、在十层结构砼凝固后开始安装“工字钢”,安装前给“工字钢”架体搭设立杆部位焊接Ф16以上100mm长钢筋限位,防止架体立杆产生位移。安装时采用塔吊配合作业,将“工字钢”放入锚固点内,位置确定后采使用木楔将“工字钢”固定牢固(见详图二)。主体结构转角部位两根斜向放置“工字钢”根据悬挑长度采用5m长“工字钢”,其他部位采用4.5m长“工字钢”。4/29㈡、架体搭设1、纵向立杆间距根据B、C区结构图进行排距(详见后附槽钢分布图),间距1.5m,步距不大于1.5m,横向立杆之间间距0.9m、0.7m,扫地杆距槽钢面150mm。纵向小横杆以6m钢管替代,与满堂架立杆进行拉结,拉结点不少于4个。并以6m钢管在悬挑架中部斜拉两道与满堂架连接(见详图三)。2、架体在最顶一步天沟底部悬挑出3500mm,留出500mm作为斜屋面施工的操作层。分别在十层、十一层框架梁上进行斜撑(见详图三)。剪刀撑满堂架剪刀撑满堂架屋面详图三(悬挑架搭设剖面图)3、立杆上的对接扣件应交错布置,两个相隔立杆接头在高度方向错开的距离不应小于立杆长度的1/3,各接头中心距主节点的距离不应大于步距的1/3。5/294、剪力撑采取满搭设置,每道剪刀撑跨越立杆的根数为5根(4跨约6米)。斜杆与地面的倾斜角度在45°~60°之间。剪力撑应随立杆、纵向和横向水平杆等同步搭设。斜杆采用旋转扣件与立杆或横向水平杆扣牢。剪刀撑斜杆接长采用搭接,搭接长度不少于1m,采用不少于3个旋转扣件固定。5、要求十层及十一层满堂架搭设步距1200mm,均需搭设竖向剪刀撑及水平剪刀撑。剪刀撑布置原则在所有框架梁位置必须搭设一道竖向剪刀撑,剪刀撑与地面倾斜45°~60°之间。在架体中部(即第二步)增加设一道水平剪刀撑。㈢、连墙件布置1、在施工结构层时,应采取在结构梁预埋钢管锚件的方式与架体进行拉结,钢管应埋置在边梁跨中靠近外架立杆位置,做法同B、C区外脚手架拉结方法。2、当框架柱施工完成后,脚手架应及时与框架柱进行拉结。与框架柱连接应采用“井”字型连接,且每步进行拉结(即与框架柱拉结两道)。以保证架体的牢固及垂直度,拉结方式同B、C区外脚手架拉结方法。3、为防止误拆情况发生,所有连墙杆均采用红色油漆喷涂,醒目标示。㈣、钢丝绳卸...

1、当您付费下载文档后,您只拥有了使用权限,并不意味着购买了版权,文档只能用于自身使用,不得用于其他商业用途(如 [转卖]进行直接盈利或[编辑后售卖]进行间接盈利)。
2、本站所有内容均由合作方或网友上传,本站不对文档的完整性、权威性及其观点立场正确性做任何保证或承诺!文档内容仅供研究参考,付费前请自行鉴别。
3、如文档内容存在违规,或者侵犯商业秘密、侵犯著作权等,请点击“违规举报”。

碎片内容

斜屋面悬挑式脚手架施工方案

您可能关注的文档

确认删除?
VIP
微信客服
  • 扫码咨询
会员Q群
  • 会员专属群点击这里加入QQ群
客服邮箱
回到顶部