电脑桌面
添加小米粒文库到电脑桌面
安装后可以在桌面快捷访问

施工现代协调程序管理细则VIP免费

施工现代协调程序管理细则_第1页
1/6
施工现代协调程序管理细则_第2页
2/6
施工现代协调程序管理细则_第3页
3/6
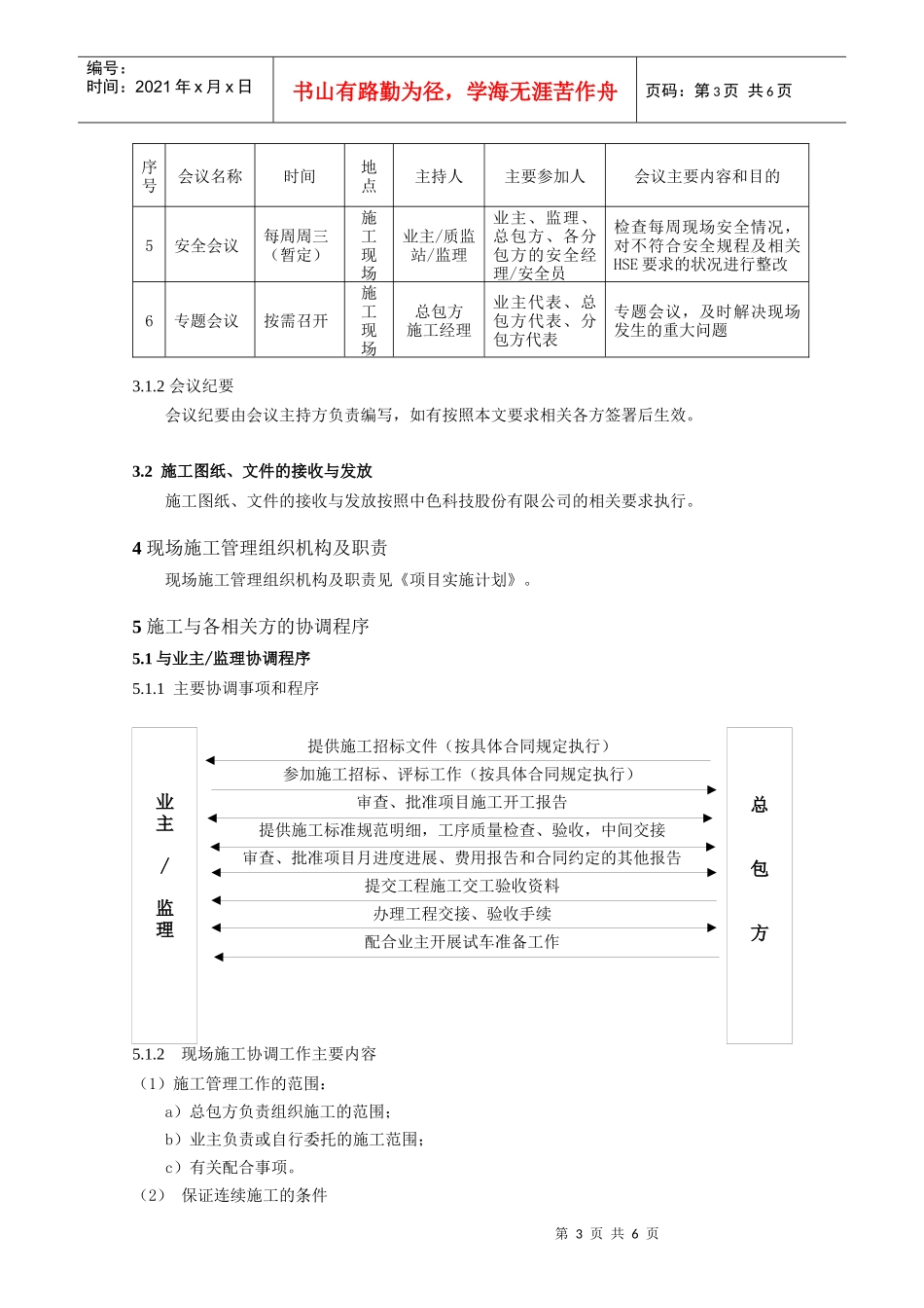
第1页共6页编号:时间:2021年x月x日书山有路勤为径,学海无涯苦作舟页码:第1页共6页施工协调程序管理规定质量-管理-031总则为理顺项目施工管理工作中总包方与业主/监理、各施工分包方和设备材料供应方之间的协调与配合关系,现场施工管理与公司职能管理部门之间的协调与配合关系,指导工程项目部建立规范的施工协调工作程序,特制定本规定。2项目通讯在项目实施期间,为保证项目顺利开展,总包方与各方之间关于项目事项的任何通知都应以书面文件形式编码后发送给双方授权的接收人。电话或传真作为双方通讯的手段,但通过电话联系并形成的协议和决定,将以书面方式确认后,作为项目有效执行文件。对重要的传真文稿,必要时可要求将原件送达,原件的法律效力高于传真件。2.1总包方:中色科技股份有限公司总部地址:河南省洛阳市涧西区西苑路1号邮政编码:471039项目部现场:邮政编码:联络人:电话:传真:E-mail:2.2业主:总部地址:邮政编码:项目部现场:邮政编码:联络人:项目经理/现场代表:电话:传真:E-mail:2.3监理:总部地址:邮政编码:项目部现场:邮政编码:联络人:总监/总监代表:电话:传真:E-mail:第2页共6页第1页共6页编号:时间:2021年x月x日书山有路勤为径,学海无涯苦作舟页码:第2页共6页2.4分包方:总部地址:邮政编码:项目部现场:邮政编码:联络人:项目经理:电话:传真:E-mail:2.5文件签署施工现场总包方报送业主/监理的文件、传真、报告、变更等全部文件必须经总包方施工经理/项目经理或项目经理授权代表签署后方才有效。业主/监理发往总包方的文件、指示、传真、变更等全部文件必须经业主/监理的总监或项目经理/总监授权代表签署后方才有效。总包方与各分包方之间的文件往来要求同上。施工现场的各种协议、会议纪要等需要参与各方签署的文件,经总包方施工经理/项目经理或项目经理授权代表及相关各方的项目经理(总监)和/或项目经理(总监)的授权代表签署后,方才有效。3施工阶段主要会议和文件的规定3.1主要会议3.1.1主要会议内容及时间主要会议内容及时间安排详见附表3--1《主要会议内容及时间一览表》。主要会议内容及时间一览表附表3-1序号会议名称时间地点主持人主要参加人会议主要内容和目的1施工动员会议施工分包方进入现场2周内施工现场总包方项目经理业主/监理代表、施工分包方代表、总包方代表检查开工前的设计图纸、水电供应、施工分包方资源和临设等条件落实情况,实施项目施工动员2设计交底、图纸审查会施工图交付后2周内施工现场总包方项目经理业主/监理、施工分包方、总包方设计及施工管理人员由设计人员向与会人员交代设计意图、施工中的重点等;与会人员就图面上存在的问题和设计人员进行沟通3施工组织设计、重大单项施工方案审查会按照项目总体计划安排进行施工现场总包方施工经理业主/监理、施工分包方、总包方设计及施工管理人员项目总体施工计划、各种施工资源配备及进场计划、施工暂设布置等;重大单项施工技术方案审查,如:特种结构施工、大型设备吊装、设备安装调试、涉及全局的施工新技术应用等4周施工生产协调会每周周四(暂定)施工现场总包方项目经理总包方代表、总包方相关技术、管理人员,各施工分包方检查本周的计划完成情况,根据计划完成情况和总体计划的要求,安排下周的施工生产计划,并要求有关各方做好相应的配合工作第3页共6页第2页共6页编号:时间:2021年x月x日书山有路勤为径,学海无涯苦作舟页码:第3页共6页序号会议名称时间地点主持人主要参加人会议主要内容和目的5安全会议每周周三(暂定)施工现场业主/质监站/监理业主、监理、总包方、各分包方的安全经理/安全员检查每周现场安全情况,对不符合安全规程及相关HSE要求的状况进行整改6专题会议按需召开施工现场总包方施工经理业主代表、总包方代表、分包方代表专题会议,及时解决现场发生的重大问题3.1.2会议纪要会议纪要由会议主持方负责编写,如有按照本文要求相关各方签署后生效。3.2施工图纸、文件的接收与发放施工图纸、文件的接收与发放按照中色科技股份有限公司的相关要求执行。4现场施工管理组织机构及职责现场施工管理组织机构及职责...

1、当您付费下载文档后,您只拥有了使用权限,并不意味着购买了版权,文档只能用于自身使用,不得用于其他商业用途(如 [转卖]进行直接盈利或[编辑后售卖]进行间接盈利)。
2、本站所有内容均由合作方或网友上传,本站不对文档的完整性、权威性及其观点立场正确性做任何保证或承诺!文档内容仅供研究参考,付费前请自行鉴别。
3、如文档内容存在违规,或者侵犯商业秘密、侵犯著作权等,请点击“违规举报”。

碎片内容

施工现代协调程序管理细则

您可能关注的文档

确认删除?
VIP
微信客服
  • 扫码咨询
会员Q群
  • 会员专属群点击这里加入QQ群
客服邮箱
回到顶部