电脑桌面
添加小米粒文库到电脑桌面
安装后可以在桌面快捷访问

木工制作与安装班组结算清单VIP免费

木工制作与安装班组结算清单_第1页
1/64
木工制作与安装班组结算清单_第2页
2/64
木工制作与安装班组结算清单_第3页
3/64
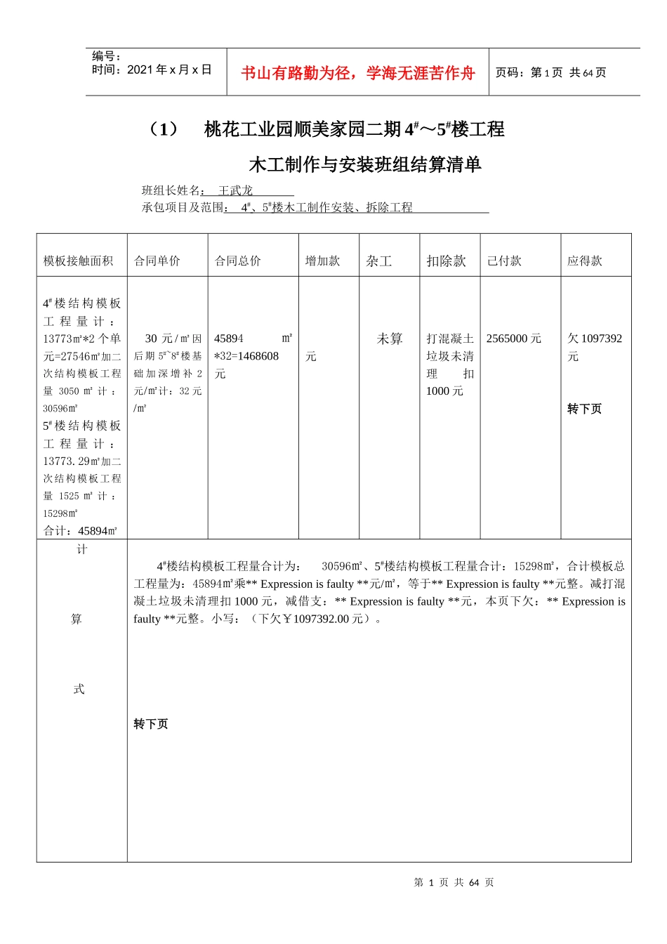
第1页共64页编号:时间:2021年x月x日书山有路勤为径,学海无涯苦作舟页码:第1页共64页(1)桃花工业园顺美家园二期4#~5#楼工程木工制作与安装班组结算清单班组长姓名:王武龙承包项目及范围:4#、5#楼木工制作安装、拆除工程模板接触面积合同单价合同总价增加款杂工扣除款己付款应得款4#楼结构模板工程量计:13773㎡*2个单元=27546㎡加二次结构模板工程量3050㎡计:30596㎡5#楼结构模板工程量计:13773.29㎡加二次结构模板工程量1525㎡计:15298㎡合计:45894㎡30元/㎡因后期5#~8#楼基础加深增补2元/㎡计:32元/㎡45894㎡*32=1468608元元未算打混凝土垃圾未清理扣1000元2565000元欠1097392元转下页计算式4#楼结构模板工程量合计为:30596㎡、5#楼结构模板工程量合计:15298㎡,合计模板总工程量为:45894㎡乘**Expressionisfaulty**元/㎡,等于**Expressionisfaulty**元整。减打混凝土垃圾未清理扣1000元,减借支:**Expressionisfaulty**元,本页下欠:**Expressionisfaulty**元整。小写:(下欠¥1097392.00元)。转下页第2页共64页第1页共64页编号:时间:2021年x月x日书山有路勤为径,学海无涯苦作舟页码:第2页共64页(2)桃花工业园顺美家园二期6#~8#楼工程木工制作与安装班组结算清单班组长姓名:王武龙承包项目及范围:6#、7#、8#楼木工安装工程模板接触面积合同单价合同总价增加款杂工扣除款己付款应得款6#楼结构模板工程量为13773㎡加二结构1525㎡7#楼结构模板工程量为13773㎡加二结构1525㎡8#楼结构模板工程量为13773㎡加加二结构1525㎡4#楼、7#楼塔吊基础模板工程量为62.9㎡合计模板工程量为:45957㎡30元/㎡因后期5#~8#楼基础加深增补2元/㎡计:32元/㎡45957㎡*32元=1470624元外墙线条增加50000元,加8#楼结构封顶奖励10000元合计:60000元加人货电梯口外墙线条清垃圾每幢楼3个工日期*5幢=15工日*100元/工日=1500元加6#、7#、8#楼门头变更19.6㎡*32=627元合计总款=62127元未算阳台线条模板安装的时候没有支到位后期项目部找人做共花人工费720元。扣除南立面飘窗下挂线支模时少支14个后来项目部安排人员支模14元/个14个*14元=196元。扣除6#楼阳台梁下口线条支模不到位,项目部安排人员重新支模共花人工费238元。6#~8#楼杂工2350元以上总合计:3504元接上页减上页欠1096392元431855元第3页共64页第2页共64页编号:时间:2021年x月x日书山有路勤为径,学海无涯苦作舟页码:第3页共64页计算式6#楼结构模板工程量为:13773㎡、加二结构1525㎡,7#楼结构模板工程量为:13773㎡,加二结构1525㎡,8#楼结构模板工程量为:13773㎡,加二结构1525㎡,塔吊基础模板工程量为:62.9㎡,合计模板总工程量为:45957㎡,乘**Expressionisfaulty**元/㎡,等于**Expressionisfaulty**元整。加外墙线条补**Expressionisfaulty**元,加8#楼封顶奖励**Expressionisfaulty**元,加人货电梯口补**Expressionisfaulty**元,6~8#楼门头变更**Expressionisfaulty**元,合计总款**Expressionisfaulty**元,减上页欠:**Expressionisfaulty**元,减线条模板未支到位计扣除:**Expressionisfaulty**元,6~8#楼杂工**Expressionisfaulty**元,实际应付款**Expressionisfaulty**元整,小写:(¥431855.00元)。(3)桃花工业园顺美家园二期4#~8#楼工程外脚手架班组结算清单班组长姓名:隹成架业有限公司承包项目及范围:4#、5#、6#、7#、8#楼外脚手架搭拆)工程建筑面积合同单价合同总价应付款扣除款增加款已付款应得款4#楼8102㎡5#楼4051㎡6#楼4051㎡7#楼4051㎡8#楼4051㎡合计:24306㎡24元/m2583344元无未算借支款380000元203344元第4页共64页第3页共64页编号:时间:2021年x月x日书山有路勤为径,学海无涯苦作舟页码:第4页共64页计算式4#楼8102㎡、5#楼4051㎡、6#楼4051㎡、7#楼4051㎡、8#楼4051㎡、合计总面积:24306㎡,乘**Expressionisfaulty**元/㎡,等于**Expressionisfaulty**元整。减借支:**Expressionisfaulty**元,实际应付款**Expressionisfaulty**元整,小写:(¥203344.00元)。(4)桃花工业园顺美家园二期4#~5#楼工程瓦工主体结构及粉刷班组结算清单班组长姓名李太吉...

1、当您付费下载文档后,您只拥有了使用权限,并不意味着购买了版权,文档只能用于自身使用,不得用于其他商业用途(如 [转卖]进行直接盈利或[编辑后售卖]进行间接盈利)。
2、本站所有内容均由合作方或网友上传,本站不对文档的完整性、权威性及其观点立场正确性做任何保证或承诺!文档内容仅供研究参考,付费前请自行鉴别。
3、如文档内容存在违规,或者侵犯商业秘密、侵犯著作权等,请点击“违规举报”。

碎片内容

木工制作与安装班组结算清单

您可能关注的文档

确认删除?
VIP
微信客服
  • 扫码咨询
会员Q群
  • 会员专属群点击这里加入QQ群
客服邮箱
回到顶部