电脑桌面
添加小米粒文库到电脑桌面
安装后可以在桌面快捷访问

施工图纸会审要点范本VIP免费

施工图纸会审要点范本_第1页
1/62
施工图纸会审要点范本_第2页
2/62
施工图纸会审要点范本_第3页
3/62
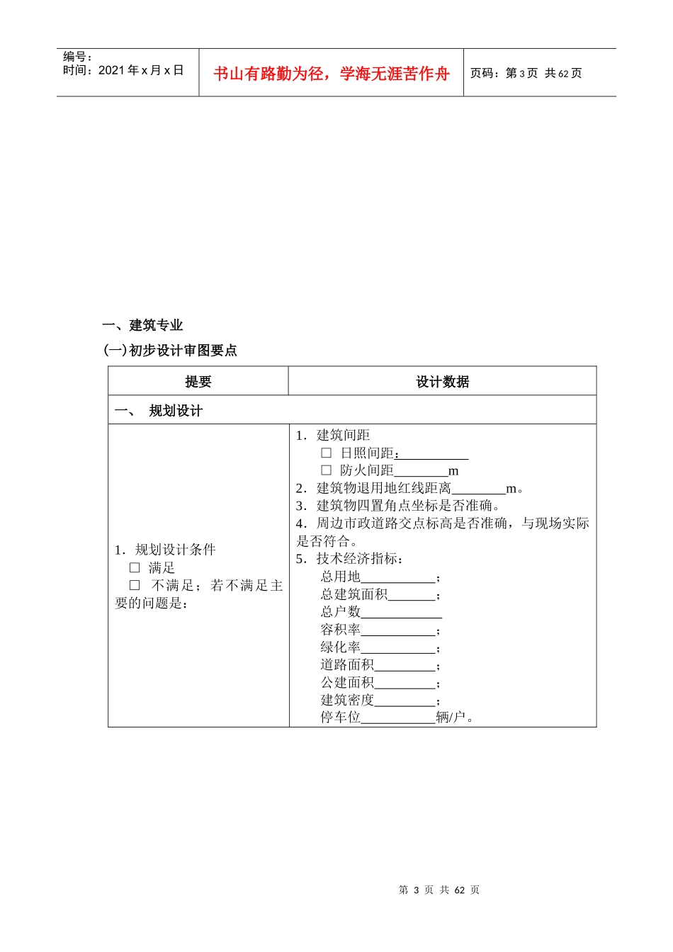
第1页共62页编号:时间:2021年x月x日书山有路勤为径,学海无涯苦作舟页码:第1页共62页图纸审查控制要点第2页共62页第1页共62页编号:时间:2021年x月x日书山有路勤为径,学海无涯苦作舟页码:第2页共62页前言为了适应集团在房地产领域快速发展、日益壮大的需要,在营销定位准确的前提下,通过严格、细致的设计管理体系,保证项目从方案、初步设计到施工图设计阶段的技术把关工作有序、高效,消灭人为因素造成的设计质量差异,从而最大限度控制工作成本,彻底杜绝因设计造成的返工浪费。特制定本标准来指导各地区设计管理部门的设计审查工作。审图依据及目的:国家现行规范、政府规划部门设计要点及设计要求,最终实现控制成本的终极目标第3页共62页第2页共62页编号:时间:2021年x月x日书山有路勤为径,学海无涯苦作舟页码:第3页共62页一、建筑专业(一)初步设计审图要点提要设计数据一、规划设计1.规划设计条件□满足□不满足;若不满足主要的问题是:1.建筑间距□日照间距:□防火间距m2.建筑物退用地红线距离m。3.建筑物四置角点坐标是否准确。4.周边市政道路交点标高是否准确,与现场实际是否符合。5.技术经济指标:总用地;总建筑面积;总户数容积率;绿化率;道路面积;公建面积;建筑密度;停车位辆/户。第4页共62页第3页共62页编号:时间:2021年x月x日书山有路勤为径,学海无涯苦作舟页码:第4页共62页2.公建配套要求□满足□不满足;若不满足主要的问题是解决的措施是1..详规要求配套公建种类及面积□□□□2.本设计配套公建种类及面积□□□□2.配套公建总建筑面积□大于□等于□小于详规要求配套公建总面积。配套公建总建筑面积详规要求配套公建总面积4.配套公建是否占用商业价值高的位置?□是,解决的措施是□否3.小区道路是否符合要求?□符合□不符合若不符合主要的问题是1.小区道路标高;最大坡道为度。2.小区出入口与城市干道连接有处。3.地下室顶板覆土深度。□绿化覆土深度m□管线埋深m。4.小区内的排水能否排入城市排水系统?□能□否5.小区内停放汽车辆。□地上辆□地下辆6.地下车库出入口个。4.各种专业批文□规划局□消防局□卫生防疫□人防□交通□环保□绿化□教育局□电信局□市政二、总平面设计1.竖向设计、交通组织的布置□正确□不正确1.绝对标高m。2.相对标高m。3.±0.00标高相当于绝对标高m。4.建筑间距□日照间距:第5页共62页第4页共62页编号:时间:2021年x月x日书山有路勤为径,学海无涯苦作舟页码:第5页共62页□防火间距m5.售楼部样板房位置、看楼路线组织是否合理,看楼路线、施工通道与管线走向是否合理。6.入口广场、门楼等卖场景观设计符合要求。2.消防通道□符合□不符合1.建筑物总长度m;消防登高面长度m,建筑物周长m。2.消防车道净宽m;净空高度m;消防车道坡度;转弯半径m。3.消防车道是否结合园林设计。3.综合管线□合理□不合理1.供配电管线位置是否影响楼盘的开发进度。2.排污管线位置是否影响楼盘的开发进度。2.化粪池的位置是否影响楼盘的开发进度;是否隐蔽及便于清运。三、单体设计1.建筑类别□商住□住宅□公建建筑总层数层,裙楼层。主楼层,裙楼及结构转换层层高,地下层。建筑总高度m,建筑耐火等级级。建筑防水等级级,抗震设计烈度度。四、单体设计(住宅部分)1.平面设计□合理□欠合理1.标准层户型类型及每套面积:户型套内面积房数厅数合理不合理,主要的问题是建筑面积营销定位面积实用率2.首层大堂建筑面积m2,净高m第6页共62页第5页共62页编号:时间:2021年x月x日书山有路勤为径,学海无涯苦作舟页码:第6页共62页2.主要功能空间尺寸(净空)□合理□欠合理户型厨房平面尺寸(长X宽)客厅开间m主人房开间m主人房厕所开间m合理欠合理3.装修设计,家具及设备布置□合理□欠合理1.家具布置图是否合理2.各类电器布置:空调、冰箱、洗衣机、油烟机、热水器、消毒柜等位置是否合理。3.各类开关、插座、户内强弱电箱布置是否合理。4.各类上下水管线、燃气管、燃气表、水表布置是否合理。5.各类空调孔、燃气直排孔、卫生间排气孔布置是否合理,与室外各类管线是否冲突。...

1、当您付费下载文档后,您只拥有了使用权限,并不意味着购买了版权,文档只能用于自身使用,不得用于其他商业用途(如 [转卖]进行直接盈利或[编辑后售卖]进行间接盈利)。
2、本站所有内容均由合作方或网友上传,本站不对文档的完整性、权威性及其观点立场正确性做任何保证或承诺!文档内容仅供研究参考,付费前请自行鉴别。
3、如文档内容存在违规,或者侵犯商业秘密、侵犯著作权等,请点击“违规举报”。

碎片内容

施工图纸会审要点范本

确认删除?
VIP
微信客服
  • 扫码咨询
会员Q群
  • 会员专属群点击这里加入QQ群
客服邮箱
回到顶部