电脑桌面
添加小米粒文库到电脑桌面
安装后可以在桌面快捷访问

施工程序及总体组织部署加周计划加效果图VIP专享VIP免费

施工程序及总体组织部署加周计划加效果图_第1页
1/68
施工程序及总体组织部署加周计划加效果图_第2页
2/68
施工程序及总体组织部署加周计划加效果图_第3页
3/68
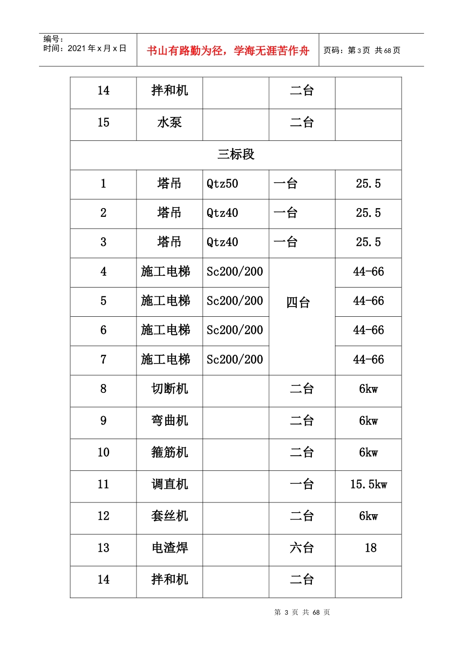
第1页共68页编号:时间:2021年x月x日书山有路勤为径,学海无涯苦作舟页码:第1页共68页东湖雅苑工程用电设备一览表一标段序号名称型号数量备注kw1塔吊Qtz63一台25.52塔吊Qtz40一台25.53塔吊Qtz40一台25.54塔吊Qtz40一台25.55施工电梯Sc200/200五台44-666施工电梯Sc200/20044-667施工电梯Sc200/20044-668施工电梯Sc200/20044-669施工电梯Sc200/20044-6610切断机二台6kw11弯曲机二台6kw12箍筋机二台6kw13调直机一台15.5kw14套丝机二台6kw第2页共68页第1页共68页编号:时间:2021年x月x日书山有路勤为径,学海无涯苦作舟页码:第2页共68页15电渣焊六台16拌和机二台17水泵二台二标段1塔吊Qtz50一台25.52塔吊Qtz40一台25.53塔吊Qtz40一台25,54施工电梯Sc200/200四台44-665施工电梯Sc200/20044-666施工电梯Sc200/20044-667施工电梯Sc200/20044-668切断机二台6kw9弯曲机二台6kw10箍筋机二台6kw11调直机一台15.5kw12套丝机二台6kw13电渣焊六台18第3页共68页第2页共68页编号:时间:2021年x月x日书山有路勤为径,学海无涯苦作舟页码:第3页共68页14拌和机二台15水泵二台三标段1塔吊Qtz50一台25.52塔吊Qtz40一台25.53塔吊Qtz40一台25.54施工电梯Sc200/200四台44-665施工电梯Sc200/20044-666施工电梯Sc200/20044-667施工电梯Sc200/20044-668切断机二台6kw9弯曲机二台6kw10箍筋机二台6kw11调直机一台15.5kw12套丝机二台6kw13电渣焊六台1814拌和机二台第4页共68页第3页共68页编号:时间:2021年x月x日书山有路勤为径,学海无涯苦作舟页码:第4页共68页15水泵二台四办公、生活区(食堂)总平配电房布置、铝芯电缆截面、长度,柜、箱型号、数量清单及计算书和用电方案。第5页共68页第4页共68页编号:时间:2021年x月x日书山有路勤为径,学海无涯苦作舟页码:第5页共68页施工现场安全文明标准化工地效果图1.水泥路南北人口亮化效果(蓝铁皮+文字+彩旗),路自西向东工地主入口(按企业标准管理手册p8立视图二加彩旗及企业第6页共68页第5页共68页编号:时间:2021年x月x日书山有路勤为径,学海无涯苦作舟页码:第6页共68页和项目简介参照企业管理手册p15),生活区大门(按企业管理手册p11立视图不带旗台)。2.围墙(参照企业管理手册p12+施工质量宣传+安全文明宣传隔一加一效果)。3.各楼栋安全通道(参照企业管理手册p23).4.设备标志(参照企业管理手册p33方管+铁皮板+喷绘)10套。5.原材加工棚(现场安全标准图册p25,钢筋堆场参照图册p66).6.电梯洞口及楼层防护门(参照现场安全文明标准图册p18-p20)7.茶水和吸烟亭(参照现场安全文明标准手册p60)8.现场消防(标准图册p67,班前讲台参照企业简介p22p17).9.食堂(安全标准图册p63),会议室(按企业简介p16或搜索)第7页共68页第6页共68页编号:时间:2021年x月x日书山有路勤为径,学海无涯苦作舟页码:第7页共68页关于办公网络及考勤机购置的申请为积极推广信息化应用技术,实现项目多元协同管理、工程项目技术信息共享,确保及时传递和打卡考勤制。特申请办理项目办公网络系统并购置打卡机,望公司准许为盼。分管领导:总经理:第8页共68页第7页共68页编号:时间:2021年x月x日书山有路勤为径,学海无涯苦作舟页码:第8页共68页中铁中基第二工程局东湖雅苑项目部2016年8月1日第9页共68页第8页共68页编号:时间:2021年x月x日书山有路勤为径,学海无涯苦作舟页码:第9页共68页东湖雅苑项目周工作计划一.上周工作完成情况及未完成原因:1.制作项目建筑施工图(一套)。2.同土方作业队伍签署了合同。3.设计进度跟踪情况:预计设计方案8月1号通过,规划通过后随时出复合地基施工图。4.上报了部分人员配置、办公部分设施采购计划。5.因设计进度、劳务队伍合同未签订、甲方三通一平未及时到位影响了临建布置建设进度。二.本周工作计划:1.上报项目办公网络申请计划。2.催促结构同步设计及基础出图时间。3.催促甲方箱变进场安装及提早验收交付为临电布置做准备。4.同各劳务作业队伍签署分包合同,通知临建队伍进场落实相关准备工作。第10页共68页第9页共68页编号:时间:2021年x月x日书山有路勤为径,学海无涯苦作舟页码:第10页共68页5.根据地库调整情况调整大型设备布置。6....

1、当您付费下载文档后,您只拥有了使用权限,并不意味着购买了版权,文档只能用于自身使用,不得用于其他商业用途(如 [转卖]进行直接盈利或[编辑后售卖]进行间接盈利)。
2、本站所有内容均由合作方或网友上传,本站不对文档的完整性、权威性及其观点立场正确性做任何保证或承诺!文档内容仅供研究参考,付费前请自行鉴别。
3、如文档内容存在违规,或者侵犯商业秘密、侵犯著作权等,请点击“违规举报”。

碎片内容

施工程序及总体组织部署加周计划加效果图

确认删除?
VIP
微信客服
  • 扫码咨询
会员Q群
  • 会员专属群点击这里加入QQ群
客服邮箱
回到顶部