电脑桌面
添加小米粒文库到电脑桌面
安装后可以在桌面快捷访问

某公司采购管理规定(doc9)(1)VIP免费

某公司采购管理规定(doc9)(1)_第1页
1/6
某公司采购管理规定(doc9)(1)_第2页
2/6
某公司采购管理规定(doc9)(1)_第3页
3/6
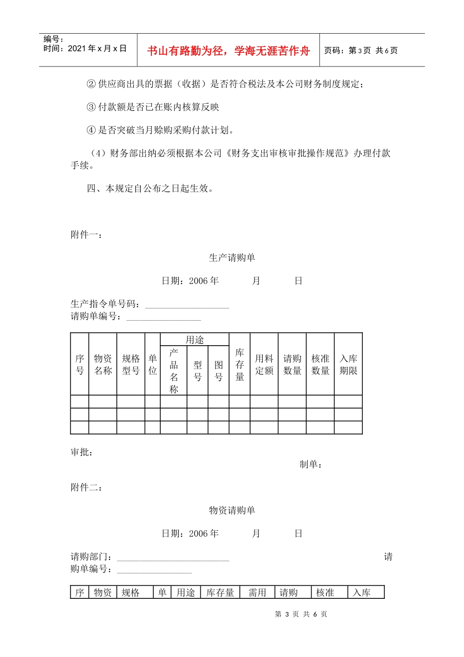
第1页共6页编号:时间:2021年x月x日书山有路勤为径,学海无涯苦作舟页码:第1页共6页某公司采购管理规定为规范采购部经办人员的工作行为,规范公司物流系统工作程序特制定本规定。一、计划管理1、采购部应根据公司财务部核定的当月可供应资金计划数,生产部确定的生产计划中《请购单》(包括其他业务、管理部门),根据市场供求状况及行情,编制综合采购计划,并分解落实到采购经办人。综合采购计划包括:现款采购、赊销采购、应付账款付款计划。采购计划按照审批权限报送董事长、总经理批准后组织实施。2、各部门临时急需的物资采购必须事先经总经理审批后,采购经办人方可实施采购,未经批准不予采购。二、现款采购管理1、采购经办人必须根据核准的采购物资名称、规格型号、数量、价格进行采购。采购物资进厂时,由采购经办人填开《入库单》经质检部门检验合格后,由仓库点数入库并登记库存台账。2、大额(指单笔付款金额在2000元以上的)、批量物资现款采购的付款事务统一由财务部出纳办理,未经批准采购经办人不得擅自付款。3、采购经办人对供货商出具的票据及《入库单》,经初审无误后填写《采购付款申请单》连同供货商出具的票据及《入库单》客户联报送经办会计初审,经审核无误后报送财务部经理复审、总经理(董事长)审批。审核要点:(1)采购物品的名称、规格型号是否与《请购单》、供应商出具的票据(收据)、《入库单》所列明的名称、规格型号一致;(2)《入库单》上质检、仓库经办人员是否签证齐全;(3)供应商出具的票据(收据)是否符合税法及本公司财务制度规定;(4)采购数量是否突破采购计划、采购价格是否高于计划控制价、是否属于当月的采购物资。第2页共6页第1页共6页编号:时间:2021年x月x日书山有路勤为径,学海无涯苦作舟页码:第2页共6页4、财务部出纳必须根据本公司《财务支出审核审批操作规范》办理付款手续。三、赊销采购1、赊销采购付款事务统一由财务部出纳办理,严禁采购经办人擅自付款。2、采购物资进厂入库手续基本上与现款采购模式相同,所不同的是《入库单》客户联作为供货商结算货款的依据。3、付款期限原则规定如下:有采购合同的,按照合同规定的付款时间付款;没有采购合同的,在入库的3个月后付款。4、应付账款挂账手续按照以下规定办理:(1)由采购经办人填写《赊销采购挂帐申请单》一式两联,连同《请购单》、《入库单》报送经办会计审核,经审核无误后报送财务部经理复审,复审结果经财务部经理签字后,一联退采购经办人备查,一联由经办会计入帐核算。(2)应付账款入账时审核要点:①采购物品的名称、规格型号是否与《请购单》、《入库单》所列明的名称、规格型号一致;②《入库单》上质检、仓库经办人员是否签证齐全;③采购数量是否突破采购计划、采购价格是否高于计划控制价、是否属于当月的采购物资。5、应付账款付款手续按照以下规定办理:(1)在规定付款期由采购经办人向供货商收取票据及《入库单》客户联,经初审无误后填写《采购付款申请单》连同供货商出具的票据及《入库单》客户联报送经办会计审核,经审核无误后报送财务部经理复审,总经理(董事长)审批。(2)对《采购付款申请单》及供货商出具的票据及《入库单》客户联单证不齐的,财务部有权拒绝受理。(3)应付账款付款时审核要点:①付款期限是否符合合同或本公司的规定;第3页共6页第2页共6页编号:时间:2021年x月x日书山有路勤为径,学海无涯苦作舟页码:第3页共6页②供应商出具的票据(收据)是否符合税法及本公司财务制度规定;③付款额是否已在账内核算反映④是否突破当月赊购采购付款计划。(4)财务部出纳必须根据本公司《财务支出审核审批操作规范》办理付款手续。四、本规定自公布之日起生效。附件一:生产请购单日期:2006年月日生产指令单号码:__________________请购单编号:________________序号物资名称规格型号单位用途库存量用料定额请购数量核准数量入库期限产品名称型号图号审批:制单:附件二:物资请购单日期:2006年月日请购部门:________________________请购单编号:________________序物资规格单用途库存量需用请购核准入库第4...

1、当您付费下载文档后,您只拥有了使用权限,并不意味着购买了版权,文档只能用于自身使用,不得用于其他商业用途(如 [转卖]进行直接盈利或[编辑后售卖]进行间接盈利)。
2、本站所有内容均由合作方或网友上传,本站不对文档的完整性、权威性及其观点立场正确性做任何保证或承诺!文档内容仅供研究参考,付费前请自行鉴别。
3、如文档内容存在违规,或者侵犯商业秘密、侵犯著作权等,请点击“违规举报”。

碎片内容

某公司采购管理规定(doc9)(1)

确认删除?
VIP
微信客服
  • 扫码咨询
会员Q群
  • 会员专属群点击这里加入QQ群
客服邮箱
回到顶部