电脑桌面
添加小米粒文库到电脑桌面
安装后可以在桌面快捷访问

某医院眼科中心施工组织设计方案VIP免费

某医院眼科中心施工组织设计方案_第1页
1/235
某医院眼科中心施工组织设计方案_第2页
2/235
某医院眼科中心施工组织设计方案_第3页
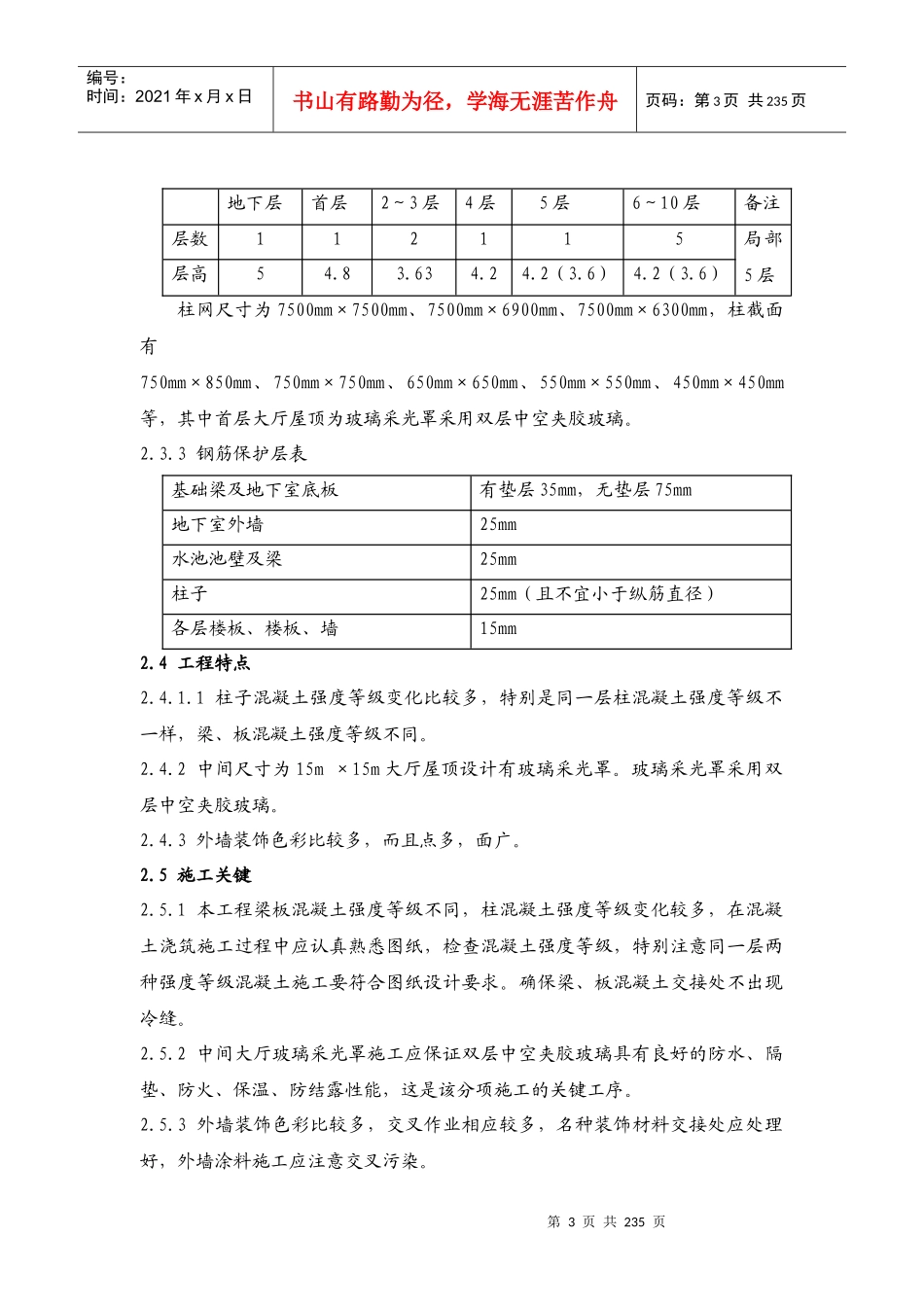
3/235
第1页共235页编号:时间:2021年x月x日书山有路勤为径,学海无涯苦作舟页码:第1页共235页1编制依据1.1本工程施工组织设计依据国家现行规范标准,我公司企业标准和成功的管理经验,及业主提供的北京医科大学第三医院眼科中心工程施工图,和工程招标文件编制而成。1.2该工程编制方案主要引用的标准有:(1)地基与基础工程施工及验收规范GBJ202-83(2)混凝土结构设计规范GBJ10-89(3)混凝土结构工程施工及验收规范GB50204-92(4)屋面工程技术规范GB50207-94(5)地下防水工程施工及验收规范GBJ208-83(6)建筑地面工程施工及验收规范GB50209-95(7)建筑工程冬期施工规程JGJ104-97(8)建筑工程质量检验评定标准GBJ301-88(9)钢筋机械连接通用技术规程JG107-961.3根据招标文件,招标范围为图纸范围内的土建工程(含人防),给排水、采暖、通风、弱电、照明工程、降水、空调系统与室外有关系的管线,做出外墙轴线2.5米处,执行京造定【1999】4#文,其中室外工程,配电、保安监控、消防、医用气体、手术室净化系统、电梯不在本次投标范围内。2工程概况2.1环境概况北京医科大学第三医院眼科中心工程由北京医科大学第三医院筹建,机械工业部设计研究院设计,施工单位将通过招标选定,北京医科大学第三医院眼科中心工程,位于海淀区花园北路49号。建筑物西侧轴线距围墙边8.5m,东侧轴线距围墙边3m,北侧轴线距围墙16m。2.2建筑概况2.2.1北京医科大学第三医院眼科中心平面尺寸为63m×45.6m,总建筑面积18014.37m2,其中地上15940.20m2,地下2074.17m2,场地面积4800m2,首层建第2页共235页第1页共235页编号:时间:2021年x月x日书山有路勤为径,学海无涯苦作舟页码:第2页共235页筑面积2214m2,场地是首层的2.17倍。地上十层,部分五层,地下一层,建筑高度为46.8m。2.2.2地下一层设有地下车库、消防水池、泵房、备用间、风机房、变配电室等,地上一层有报告厅、大厅、眼科大堂、五官科大堂等。二层有诊室、候诊厅、候诊区、示教室、办公室等,三层—十层有病房、手术室、会议室、办公室、消毒室、茶室、杂用室、空调机房、电梯机房、计算机房、其它等。2.2.2本工程地下水位埋深为1.7~2.5m左右,抗震等级,框架抗震等级为二级,剪力墙抗震等级为二级。地下室按六级人防设计。混凝土筏基基础持力层在③层,地基承载力标准值为fk=210Kpa,条形基础持力层在②层fk=140Kpa。底板及侧壁与土壤接触的构件均采用掺加CEA—B或同类膨胀剂的防水混凝土。抗渗等级为S8。地下部分混凝土等级,框架柱、剪力墙为C40,其余构件C30地上混凝土等级表首层2345—678—910剪力墙C40C40C35C35C35C35C30C30柱C40C40C45C35C40C35C35C35C30C30C30梁C30C30C30C30C30C30C30C30板C25C25C25C25C25C25C25C252.2.3外墙围护结构为300厚陶粒空心砖,内隔墙地下240厚粘土空心砖,地上150厚陶粒空心砖,外墙装饰为贴面砖,挂贴铝板,喷涂料,三种材料,外窗采用铝合金中空玻璃,房间地面为:混凝土地面、花岗岩地面、地砖、木地板地面等。房间顶棚主要有:轻钢龙骨石膏板吊顶、有部分房间做吸音处理。机房、水箱间库房及地下室(不含管理室)为白色涂料,内墙为喷涂料及刷乳胶漆,外墙内保温为50厚水泥聚苯板。2.3结构概况2.3.1北京医科大学第三医院眼科中心工程为框架剪力墙结构,基础为筏板基础及条形基础,筏基埋深-6.55m,条基埋深-3.10m,筏板厚600mm,基础反梁面为550mm×1500mm,条基基础梁面为550mm×1600mm。2.3.2建筑物层高表第3页共235页第2页共235页编号:时间:2021年x月x日书山有路勤为径,学海无涯苦作舟页码:第3页共235页地下层首层2~3层4层5层6~10层备注层数112115局部5层层高54.83.634.24.2(3.6)4.2(3.6)柱网尺寸为7500mm×7500mm、7500mm×6900mm、7500mm×6300mm,柱截面有750mm×850mm、750mm×750mm、650mm×650mm、550mm×550mm、450mm×450mm等,其中首层大厅屋顶为玻璃采光罩采用双层中空夹胶玻璃。2.3.3钢筋保护层表基础梁及地下室底板有垫层35mm,无垫层75mm地下室外墙25mm水池池壁及梁25mm柱子25mm(且不宜小于纵筋直径)各层楼板、楼板、墙15mm2.4工程特点2.4.1.1柱子混凝土强度等级变化比较多,特别...

1、当您付费下载文档后,您只拥有了使用权限,并不意味着购买了版权,文档只能用于自身使用,不得用于其他商业用途(如 [转卖]进行直接盈利或[编辑后售卖]进行间接盈利)。
2、本站所有内容均由合作方或网友上传,本站不对文档的完整性、权威性及其观点立场正确性做任何保证或承诺!文档内容仅供研究参考,付费前请自行鉴别。
3、如文档内容存在违规,或者侵犯商业秘密、侵犯著作权等,请点击“违规举报”。

碎片内容

某医院眼科中心施工组织设计方案

确认删除?
VIP
微信客服
  • 扫码咨询
会员Q群
  • 会员专属群点击这里加入QQ群
客服邮箱
回到顶部