电脑桌面
添加小米粒文库到电脑桌面
安装后可以在桌面快捷访问

某办公楼施工组织设计方案VIP免费

某办公楼施工组织设计方案_第1页
1/121
某办公楼施工组织设计方案_第2页
2/121
某办公楼施工组织设计方案_第3页
3/121
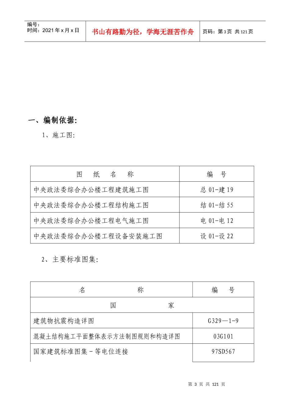
第1页共121页编号:时间:2021年x月x日书山有路勤为径,学海无涯苦作舟页码:第1页共121页目录一、编制依据……………………………………………………3二、工程概况……………………………………………………71、建筑设计概况………………………………………………72、结构设计概况………………………………………………93、专业设计概况………………………………………………114、现场场地情况………………………………………………115、施工重点和难点分析………………………………………12三、施工部署:1、项目管理目标………………………………………………132、项目组织机构………………………………………………133、施工组织与协调……………………………………………164、施工顺序和进度计划安排…………………………………18四、施工准备:1、技术准备……………………………………………………192、生产准备……………………………………………………233、劳动力准备…………………………………………………27五、主要项目施工方法和技术措施1、测量放线……………………………………………………282、土方开挖与回填……………………………………………32第2页共121页第1页共121页编号:时间:2021年x月x日书山有路勤为径,学海无涯苦作舟页码:第2页共121页3、2#楼地下室结构施工………………………………………354、主体结构施工………………………………………………595、脚手架工程…………………………………………………726、屋面工程……………………………………………………727、装修工程……………………………………………………788、专业设备安装工程…………………………………………93六、主要施工管理措施:1、质量保证措施………………………………………………942、工期保证措施………………………………………………953、季节性施工措施……………………………………………974、安全文明施工措施…………………………………………995、成品保护措施…………………………………………110七、主要技术经济指标…………………………………………112八、现场平面布置………………………………………………112九、附表、附图:1、施工进度计划表2、施工总平面布置图3、项目经理部组织机构网络图第3页共121页第2页共121页编号:时间:2021年x月x日书山有路勤为径,学海无涯苦作舟页码:第3页共121页一、编制依据:1、施工图:图纸名称编号中央政法委综合办公楼工程建筑施工图总01-建19中央政法委综合办公楼工程结构施工图结01-结55中央政法委综合办公楼工程电气施工图电01-电12中央政法委综合办公楼工程设备安装施工图设01-设222、主要标准图集:名称编号国家建筑物抗震构造详图G329—1-9混凝土结构施工平面整体表示方法制图规则和构造详图03G101国家建筑标准图集-等电位连接97SD567第4页共121页第3页共121页编号:时间:2021年x月x日书山有路勤为径,学海无涯苦作舟页码:第4页共121页国家建筑标准图集-常用灯具安装96SD469国家建筑标准图集-线槽配线安装96SD181地方建筑构造通用图集88J—X系列华北地区标准图册91SB系列华北地区标准图册92DQ系列3、主要施工规范、规程:名称编号国家建筑地基基础工程施工质量验收规范GB50202-2002地下防水工程质量验收规范GB50208-2002混凝土结构工程施工质量验收规范GB50204-2002砌体工程施工质量验收规范GB50203-2002木结构工程施工质量验收规范GB50206-2002屋面工程施工质量验收规范GB50207-2002建筑楼地面工程施工质量验收规范GB50209-2002建筑装饰装修工程质量验收规范GB50210-2001组合模板技术规范GB50214-2001第5页共121页第4页共121页编号:时间:2021年x月x日书山有路勤为径,学海无涯苦作舟页码:第5页共121页钢筋混凝土用热轧带肋钢筋GB1499建筑给水排水及采暖工程施工质量验收规范GB50242-2002通风与空调工程施工质量验收规范GB50243-2002建筑电气工程施工质量验收规范GB50303-2002有线电视系统工程技术规范GB-50200-94闭路监视电视系统工程技术规范GB-50198-94建筑物综合布线系统工程验收规范GB/T5031...

1、当您付费下载文档后,您只拥有了使用权限,并不意味着购买了版权,文档只能用于自身使用,不得用于其他商业用途(如 [转卖]进行直接盈利或[编辑后售卖]进行间接盈利)。
2、本站所有内容均由合作方或网友上传,本站不对文档的完整性、权威性及其观点立场正确性做任何保证或承诺!文档内容仅供研究参考,付费前请自行鉴别。
3、如文档内容存在违规,或者侵犯商业秘密、侵犯著作权等,请点击“违规举报”。

碎片内容

某办公楼施工组织设计方案

确认删除?
VIP
微信客服
  • 扫码咨询
会员Q群
  • 会员专属群点击这里加入QQ群
客服邮箱
回到顶部