电脑桌面
添加小米粒文库到电脑桌面
安装后可以在桌面快捷访问

岩棉板外墙保温专项方案VIP免费

岩棉板外墙保温专项方案_第1页
1/23
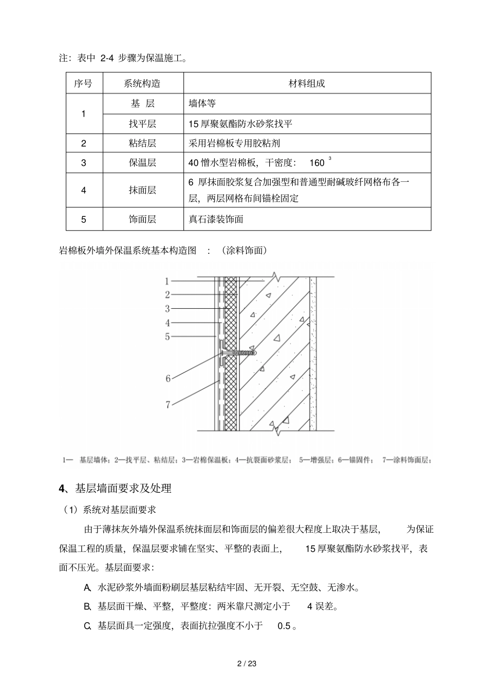
岩棉板外墙保温专项方案_第2页
2/23
岩棉板外墙保温专项方案_第3页
3/23
1/231、工程概况建设单位:设计单位:勘察单位:监理单位:施工单位:质量安全监督:某某工程位于某某交口处,本工程施工内容包括商业楼、住宅楼、室外总体及附属工程。其中商业区为5栋商业楼组成,独立柱基,框架结构,建筑面积约为44887.47m2;住宅楼为18栋楼组成,筏板基础,框架结构,地上三、六层,地下一层,建筑面积约15630.5m2。外墙保温工程采用40岩棉板外墙外保温系统,外饰面采用真石漆饰面。主要施工工艺如下:建筑物基层墙面处理(找平层验收)、施工面岩棉板布胶粘贴(包括岩棉板界面处理)、抹面胶浆批涂、两道玻纤网布铺设、锚栓固定;细部节点(变形缝、门窗洞口、保温端口等)网布加强及防水构造设置。质量标准:合格2、编制依据《建筑装饰装修工程施工质量验收规范》(50210-2013)《建筑节能工程施工质量验收规范》(50411-2014)《建筑节能工程施工质量验收规程》(08-113-2009)《外墙外保温工程技术规程》(144-2008)《建筑施工高处作业安全技术规范》(80-2016)《岩棉板外墙外保温系统应用技术规程》(341859-2013)3、外墙保温构造外墙外保温系统施工,采用40岩棉板作为保温层,运用胶粘剂粘贴和锚栓固定相结合的工艺与基层墙体连接固定,并由抹面胶浆和双层增强用玻纤网布复合成抹面层,饰面层为真石漆饰面。岩棉板外墙外保温系统构造及系统组成材料:2/23注:表中2-4步骤为保温施工。岩棉板外墙外保温系统基本构造图:(涂料饰面)4、基层墙面要求及处理(1)系统对基层面要求由于薄抹灰外墙外保温系统抹面层和饰面层的偏差很大程度上取决于基层,为保证保温工程的质量,保温层要求铺在坚实、平整的表面上,15厚聚氨酯防水砂浆找平,表面不压光。基层面要求:A、水泥砂浆外墙面粉刷层基层粘结牢固、无开裂、无空鼓、无渗水。B、基层面干燥、平整,平整度:两米靠尺测定小于4误差。C、基层面具一定强度,表面抗拉强度不小于0.5。序号系统构造材料组成1基层墙体等找平层15厚聚氨酯防水砂浆找平2粘结层采用岩棉板专用胶粘剂3保温层40憎水型岩棉板,干密度:16034抹面层6厚抹面胶浆复合加强型和普通型耐碱玻纤网格布各一层,两层网格布间锚栓固定5饰面层真石漆装饰面3/23D、基层面无油污、浮尘或空鼓的疏松层等其他异物。5、保温工程施工条件与准备5.1施工条件1.基层墙面按照表2的要求已验收合格,基层墙面应坚实平整,水泥砂浆找平层的平整度和垂直度应符合相关标准的要求,基层墙面及其水泥砂浆找平层已经按照规范要求验收合格。门窗口及有关外墙面联结件基层墙体及水泥砂浆找平层和门窗洞口的施工质量应验收合格,门窗框或辅框应安装到位。伸出墙面的消防梯、水落管、穿越墙体洞口的管线和空调器等预埋件、连接件应安装完毕,并按外保温系统的设计厚度留出间隙。气候条件外墙外保温施工期间以及完工后24h内。基层及施工环境温度应为5℃-35℃之间,夏季应避免烈日暴晒;在五级以上大风天气和雨、雪天不得施工。如施工中突遇降雨,应采取有效措施防止雨水冲刷墙面。5.2现场协调及配合1.积极同业主、监理联系,需要监理检查的项目,要及时请示。并接受监理的指导,准确及时的更正监理提出的问题,以达到工程施工的合格率更高。2.加强同有关部门的联系,为施工创造良好的外部条件,以利于整个工程的顺利进行。3.根据外保温工程施工前,应满足:(1)外墙粉饰层必须施工完毕,并经监理验收合格;(2)门窗框必须安装完成,(未完成安装的要预留出安装岩棉板收边尺寸)并报告监理验收;(3)相关外墙连墙件及预留(埋)支撑架,并安装完成。4.垂直、水平运输及登高方案(1)垂直运输使用汽车吊配合人力搬运共同实现,在使用汽车吊机械时需提前向业主申请并开具工作票(2)水平运输楼层排架内运输以人力搬运为主。4/23(3)登高外墙保温施工作业则以钢管式脚手架为基础。5.3施工准备1.前期技术准备(1)通过现场勘察,对现场结构与设计图纸相比较,发现图纸与现场不符合的或存在可能影响施工的问题及时与业主监理进行汇报与沟通,然后根据需要在设计、业主、监理方等协商下解决。(2)熟悉现场情况,详细掌握周围环境、确认墙轴线点、楼层标高、墙面垂直线等,做...

1、当您付费下载文档后,您只拥有了使用权限,并不意味着购买了版权,文档只能用于自身使用,不得用于其他商业用途(如 [转卖]进行直接盈利或[编辑后售卖]进行间接盈利)。
2、本站所有内容均由合作方或网友上传,本站不对文档的完整性、权威性及其观点立场正确性做任何保证或承诺!文档内容仅供研究参考,付费前请自行鉴别。
3、如文档内容存在违规,或者侵犯商业秘密、侵犯著作权等,请点击“违规举报”。

碎片内容

岩棉板外墙保温专项方案

确认删除?
VIP
微信客服
  • 扫码咨询
会员Q群
  • 会员专属群点击这里加入QQ群
客服邮箱
回到顶部