电脑桌面
添加小米粒文库到电脑桌面
安装后可以在桌面快捷访问

土方开挖质量评定表VIP免费

土方开挖质量评定表_第1页
1/41
土方开挖质量评定表_第2页
2/41
土方开挖质量评定表_第3页
3/41
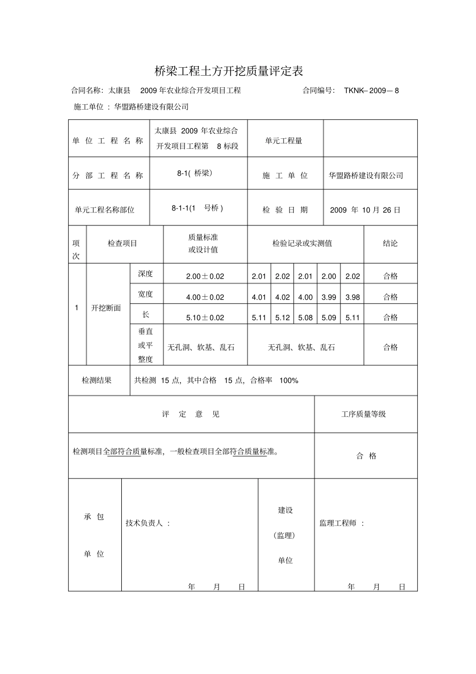
桥梁工程土方开挖质量评定表合同名称:太康县2009年农业综合开发项目工程合同编号:TKNK—2009—8施工单位:华盟路桥建设有限公司单位工程名称太康县2009年农业综合开发项目工程第8标段单元工程量分部工程名称8-1(桥梁)施工单位华盟路桥建设有限公司单元工程名称部位8-1-1(1号桥)检验日期2009年10月26日项次检查项目质量标准或设计值检验记录或实测值结论1开挖断面深度2.00±0.022.012.022.012.002.02合格宽度4.00±0.024.014.024.003.993.98合格长5.10±0.025.115.125.085.095.11合格垂直或平整度无孔洞、软基、乱石无孔洞、软基、乱石合格检测结果共检测15点,其中合格15点,合格率100%评定意见工序质量等级检测项目全部符合质量标准,一般检查项目全部符合质量标准。合格承包单位技术负责人:年月日建设(监理)单位监理工程师:年月日说明:本表一式3份,由监理机构填写,承包人、监理机构、发包人各1份。桥梁工程土方开挖质量评定表合同名称:太康县2009年农业综合开发项目工程合同编号:TKNK—2009—8施工单位:华盟路桥建设有限公司单位工程名称太康县2009年农业综合开发项目工程第8标段单元工程量分部工程名称8-1(桥梁)施工单位华盟路桥建设有限公司单元工程名称部位8-1-2(2号桥)检验日期2009年10月26日项次检查项目质量标准或设计值检验记录或实测值结论1开挖断面深度2.00±0.022.012.022.012.002.02合格宽度4.00±0.024.014.024.003.993.98合格长5.10±0.025.115.125.085.095.11合格垂直或平整度无孔洞、软基、乱石无孔洞、软基、乱石合格检测结果共检测15点,其中合格15点,合格率100%评定意见工序质量等级检测项目全部符合质量标准,一般检查项目全部符合质量标准。合格承包单位技术负责人:年月日建设(监理)单位监理工程师:年月日说明:本表一式3份,由监理机构填写,承包人、监理机构、发包人各1份。桥梁工程土方开挖质量评定表合同名称:太康县2009年农业综合开发项目工程合同编号:TKNK—2009—8施工单位:华盟路桥建设有限公司单位工程名称太康县2009年农业综合开发项目工程第8标段单元工程量分部工程名称8-1(桥梁)施工单位华盟路桥建设有限公司单元工程名称部位8-1-3(3号桥)检验日期2009年10月26日项次检查项目质量标准或设计值检验记录或实测值结论1开挖断面深度2.00±0.022.002.012.012.012.02合格宽度4.00±0.024.024.014.003.993.98合格长5.10±0.025.115.105.085.095.11合格垂直或平整度无孔洞、软基、乱石无孔洞、软基、乱石合格检测结果共检测15点,其中合格15点,合格率100%评定意见工序质量等级检测项目全部符合质量标准,一般检查项目全部符合质量标准。合格承包单位技术负责人:年月日建设(监理)单位监理工程师:年月日说明:本表一式3份,由监理机构填写,承包人、监理机构、发包人各1份。桥梁工程土方开挖质量评定表合同名称:太康县2009年农业综合开发项目工程合同编号:TKNK—2009—8施工单位:华盟路桥建设有限公司单位工程名称太康县2009年农业综合开发项目工程第8标段单元工程量分部工程名称8-1(桥梁)施工单位华盟路桥建设有限公司单元工程名称部位8-1-4(4号桥)检验日期2009年10月26日项次检查项目质量标准或设计值检验记录或实测值结论1开挖断面深度2.00±0.022.002.012.012.012.02合格宽度4.00±0.024.024.014.003.993.98合格长5.10±0.025.115.105.085.095.11合格垂直或平整度无孔洞、软基、乱石无孔洞、软基、乱石合格检测结果共检测15点,其中合格15点,合格率100%评定意见工序质量等级检测项目全部符合质量标准,一般检查项目全部符合质量标准。合格承包单位技术负责人:年月日建设(监理)单位监理工程师:年月日说明:本表一式3份,由监理机构填写,承包人、监理机构、发包人各1份。桥梁工程土方开挖质量评定表合同名称:太康县2009年农业综合开发项目工程合同编号:TKNK—2009—8施工单位:华盟路桥建设有限公司单位工程名称太康县2009年农业综合开发项目工程第8标段单元工程量分部工程名称8-1(桥梁)施工单位华盟路桥建设有限公司单元工程名称部位8-1-5(5号桥)检验日期2009年10月26日项次检查项目质量标准或设计值检验记录或实测值结论1...

1、当您付费下载文档后,您只拥有了使用权限,并不意味着购买了版权,文档只能用于自身使用,不得用于其他商业用途(如 [转卖]进行直接盈利或[编辑后售卖]进行间接盈利)。
2、本站所有内容均由合作方或网友上传,本站不对文档的完整性、权威性及其观点立场正确性做任何保证或承诺!文档内容仅供研究参考,付费前请自行鉴别。
3、如文档内容存在违规,或者侵犯商业秘密、侵犯著作权等,请点击“违规举报”。

碎片内容

土方开挖质量评定表

您可能关注的文档

确认删除?
VIP
微信客服
  • 扫码咨询
会员Q群
  • 会员专属群点击这里加入QQ群
客服邮箱
回到顶部