电脑桌面
添加小米粒文库到电脑桌面
安装后可以在桌面快捷访问

某桩基工程的招标书VIP免费

某桩基工程的招标书_第1页
1/10
某桩基工程的招标书_第2页
2/10
某桩基工程的招标书_第3页
3/10
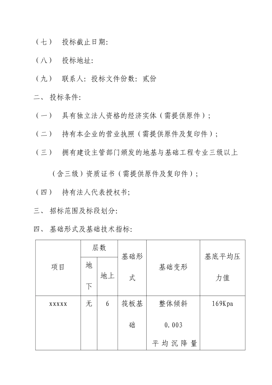
某桩基工程招标文件招标单位:xxxxxxxx编制时间:2006年12月30日第一项投标须知一、工程概况(一)工程名称:xxxxxxxx(二)招标单位:xxxxxxxx(三)工程地点:xxxxxxxxx(四)主体工程结构类型:框架结构。(五)设计、施工承包方式:本工程地基处理设计,施工包工包料。(六)投标有效期:(七)投标截止日期:(八)投标地址:(九)联系人:投标文件份数:贰份二、投标条件:(一)具有独立法人资格的经济实体(需提供原件);(二)持有本企业的营业执照(需提供原件及复印件);(三)拥有建设主管部门颁发的地基与基础工程专业三级以上(含三级)资质证书(需提供原件及复印件);(四)持有法人代表授权书;三、招标范围及标段划分:四、基础形式及基础技术指标:项目层数基础形式基础变形基底平均压力值地下地上xxxxx无6筏板基础整体倾斜0.003平均沉降量169Kpa≤200mm每栋楼首层地面绝对标高:A区1#楼:22.673;B区1#:22.654;现状地面自然标高见地形图。五、投标原则:1.投标方按照本标书所提供的图纸及技术参数,根据设计规范,选择地基处理方案,提供详细设计图纸和计算书;2.投标方制定最佳设计方案并作出地基处理的综合报价;3.综合报价包括人工费、材料费、桩基检测费、管理费、利润及税金和其他费用。此报价一经确定,一次包死,不再调整;4.所有投标方所出具的标书及文件均不再返还。六、主要合同条款:1.承包方式:包设计,施工包工包料。2.质量要求:按国家有关施工验收规范和质量评定标准进行验收。隐蔽工程必须经质检部门、监理、甲方代表验收合格后方可隐蔽。3.中标单位必须自行施工,不得转包或临时拼凑施工队伍进行施工。否则甲方有权单方停止乙方施工或终止合同,由此造成的一切损失由乙方负担。4.本工程测试桩甲方不再另行支付费用。5.付款方式:(1)本工程无预付款:(2)工程全部完成,经检测合格并经甲方、监理、设计等相关单位验收合格并资料齐全后,甲方支付至工程总价款的95%,其余5%待工程整体验收并办理完竣工备案手续后一个月内一次付清;(3)结算方式:施工期间单项变更直接费调增(不累计)在1000元(含1000元)以内的不再追加变更合同价款,在1000元以上的设计变更按实际发生执行,其他任何条件不予调整;6.中标单位在施工期间的水电费用自理。7.如工程完工经检测地基承载力达不到合同约定的质量标准,乙方应无条件采取措施继续处理,直至达到合同约定的质量标准,此费用由乙方承担,由此造成的工期延误给甲方造成的经济损失,甲方将在乙方的工程款中扣除,如仍有不足,由乙方另行赔偿。8.工期要求:工期25天(含出具地基承载力检测报告的时间,不包含养护时间)。以合同工期为准,每拖后一天,乙方向甲方支付违约金三千元(人民币:叁仟圆整)。9.安全问题:施工过程中,乙方必须严格按照安全操作规程进行,如发生任何安全事故,损失和责任均由乙方承担。七、投标费用为避免恶性竞争,确保投标单位提供的投标文件真实有效,投标单位在领取招标文件及图纸资料时,需向招标单位交纳300元人民币投标保证金及1000元人民币投标手续费(投标手续费恕不奉还)。投标单位未中标,接到甲方口头通知后7日内凭收据退取保证金;投标单位中标后,于7日内签定合同,进场施工后7日内凭收据退取保证金。中标单位拒绝在规定期限内与招标单位签定合同的,其交纳的投标保证金不予退还。第二项投标注意事项一、招标单位有权拒绝接受任何不符合招标文件的投标文件。二、投标文件由技术标和商务标组成。1、技术标应包括的内容:(1)地基处理设计图纸及计算书(需由有相应设计资质的勘察设计单位出具设计图);(2)施工组织设计;(3)企业信誉及实力资料,营业执照、企业资质等级,项目经理资质证书复印件及企业和项目3年内工程奖项、荣誉奖项情况一览表,拟派往本工程的主要组成人员的工作业绩;(4)对工程量、工期及服务的响应和承诺。2、商务标应包括的内容:(1)《投标报价表》、《主要设备、材料明细表》;(2)预算书三、合同图纸及答疑1.招标单位提供的合同图纸和有关工程概况以及施工现场资料是招标单位现有的、客观的、真实的、是能够满足投标...

1、当您付费下载文档后,您只拥有了使用权限,并不意味着购买了版权,文档只能用于自身使用,不得用于其他商业用途(如 [转卖]进行直接盈利或[编辑后售卖]进行间接盈利)。
2、本站所有内容均由合作方或网友上传,本站不对文档的完整性、权威性及其观点立场正确性做任何保证或承诺!文档内容仅供研究参考,付费前请自行鉴别。
3、如文档内容存在违规,或者侵犯商业秘密、侵犯著作权等,请点击“违规举报”。

碎片内容

某桩基工程的招标书

您可能关注的文档

确认删除?
VIP
微信客服
  • 扫码咨询
会员Q群
  • 会员专属群点击这里加入QQ群
客服邮箱
回到顶部