电脑桌面
添加小米粒文库到电脑桌面
安装后可以在桌面快捷访问

成本计算方法习题VIP免费

成本计算方法习题_第1页
1/13
成本计算方法习题_第2页
2/13
成本计算方法习题_第3页
3/13
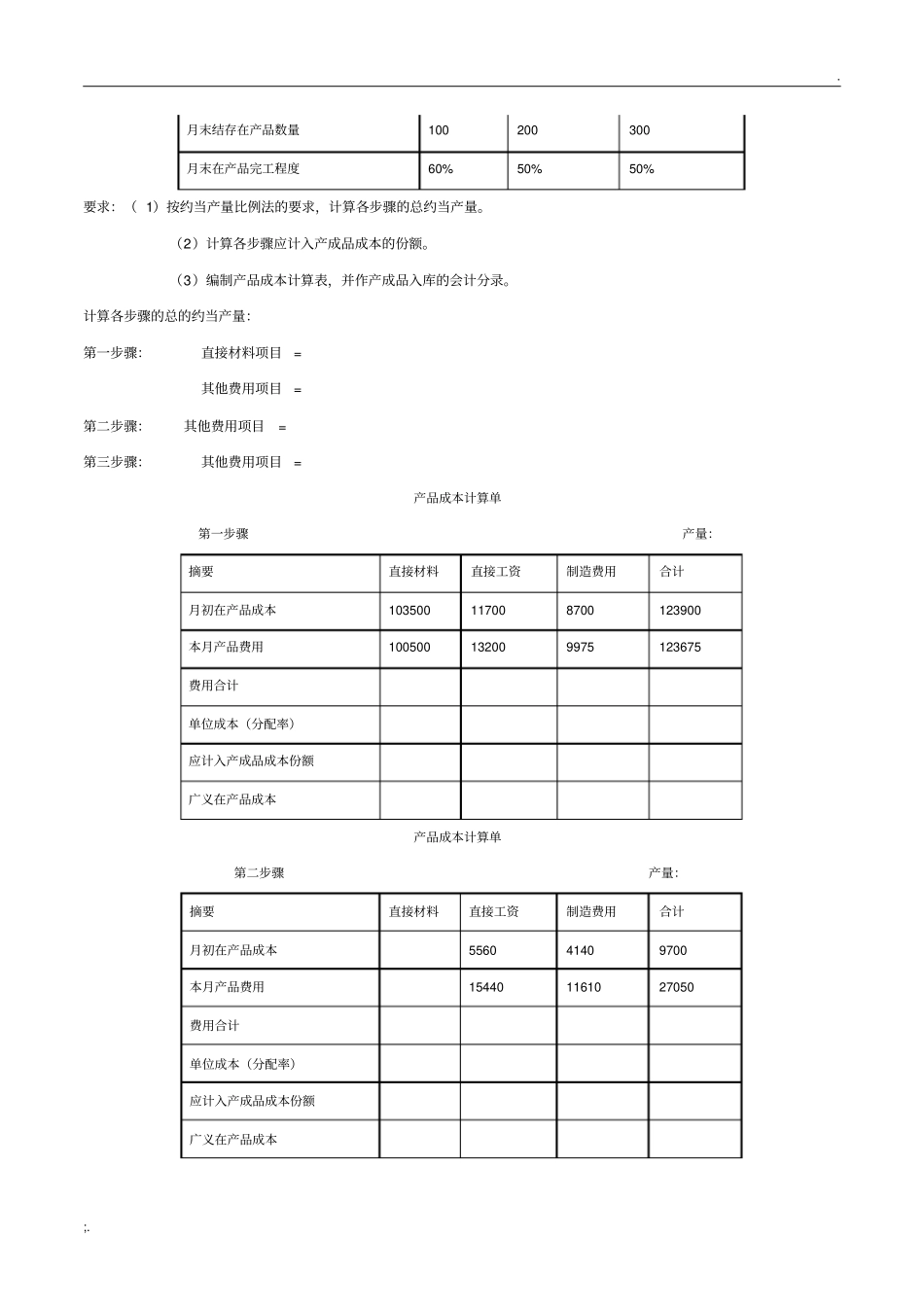
.;.分批法:1.某企业生产甲、乙两种产品,生产组织属于小批生产,采用分批法计算成本。(1)5月份的产品批号有:9414批号:甲产品10台,本月投产,本月完工6台。9415批号:乙产品10台,本月投产,本月完工2台。(2)5月份各批号生产费用资料见表:生产费用分配表批号原材料工资及福利费制造费用941433602350280094154600305019809414批号甲产品完工数量较大,原材料在生产开始时一次投入,其他费用在完工产品与在产品之间采用约当产量比例法分配,在产品完工程度为50%。9415批号乙产品完工数量较少,完工产品按计划成本结转。每台产品单位计划成本:原材料费用460元,工资及福利费用350元,制造费用240元。要求:根据上述资料,采用分批法,登记产品成本明细账,计算各批产品的完工成本和月末在产品成本。2.某工业企业生产组织属于小批生产,产品批数多,而且月末有许多批号未完工,因而采用简化的分批法计算产品成本。(1)9月份生产批号有:9420号:甲产品5件,8月投产,9月20日全部完工。9421号:乙产品10件,8月投产,9月完工6件。9422号:丙产品5件,8月末投产,尚未完工。9423号:丁产品6件,9月初投产,尚未完工。(2)各批号9月末累计原材料费用(原材料在生产开始时一次投入)和工时为:9420号:原材料费用18000元,工时9020小时。9421号:原材料费用24000元,工时21500小时。9422号:原材料费用15800元,工时8300小时。9423号:原材料费用11080元,工时8220元小时。.;.(3)9月末,该厂全部产品累计原材料费用68880元,工时47040小时,工资及福利费18816元,制造费用28224元。(4)9月末,完工产品工时23020元,其中乙产品14000小时。要求:1.根据上列资料,登记基本生产成本二级账和各批产品成本明细账。2.计算和登记累计间接费用分配率。3.计算各批完工产品成本。分步法1.有关资料如下:产成品成本还原计算表产品名称:甲产量:100件单位:元项目产量还原分配率半成品原材料工资及福利费制造费用成本合计还原前产成品成本84002800416015360本月所产半成品成本2900138027207000产成品所耗半成品成本还原还原后产成品总成本还原后产成品单位成本要求:(1)计算还原分配率。(2)将还原前产成品成本中的半成品费用,按本月所产半成品成本的结构进行还原,计算按原始成本项目反映的产成品成本。2.资料:某企业生产甲产品分三个步骤连续加工,原材料在生产开始时一次投入,各步骤发生的费用已填列在成本计算单中,三个步骤的产量记录如下:计量单位:件项目第一步骤第二步骤第三步骤月初结存在产品数量300400200本月投入(或转入)数量80010001200本月完工转出数量100012001100.;.月末结存在产品数量100200300月末在产品完工程度60%50%50%要求:(1)按约当产量比例法的要求,计算各步骤的总约当产量。(2)计算各步骤应计入产成品成本的份额。(3)编制产品成本计算表,并作产成品入库的会计分录。计算各步骤的总的约当产量:第一步骤:直接材料项目=其他费用项目=第二步骤:其他费用项目=第三步骤:其他费用项目=产品成本计算单第一步骤产量:摘要直接材料直接工资制造费用合计月初在产品成本103500117008700123900本月产品费用100500132009975123675费用合计单位成本(分配率)应计入产成品成本份额广义在产品成本产品成本计算单第二步骤产量:摘要直接材料直接工资制造费用合计月初在产品成本556041409700本月产品费用154401161027050费用合计单位成本(分配率)应计入产成品成本份额广义在产品成本.;.产品成本计算单第三步骤产量:摘要直接材料直接工资制造费用合计月初在产品成本180013003100本月产品费用207001495035650费用合计单位成本(分配率)应计入产成品成本份额广义在产品成本产品成本计算单甲产品产量:摘要直接材料直接工资制造费用合计第一步骤份额第二步骤份额第三步骤份额完工产品总成本单位成本会计分录:3。资料:某企业A产品生产分两个步骤进行,分别由第一、第二两个生产车间进行。第一生产车间生产半成品,交半成品库验收,第二车间按所需半成品数量向半成品库领用;第二车间所耗半成品费用按全月一次加权平均单位成本计算。两个车间月末...

1、当您付费下载文档后,您只拥有了使用权限,并不意味着购买了版权,文档只能用于自身使用,不得用于其他商业用途(如 [转卖]进行直接盈利或[编辑后售卖]进行间接盈利)。
2、本站所有内容均由合作方或网友上传,本站不对文档的完整性、权威性及其观点立场正确性做任何保证或承诺!文档内容仅供研究参考,付费前请自行鉴别。
3、如文档内容存在违规,或者侵犯商业秘密、侵犯著作权等,请点击“违规举报”。

碎片内容

成本计算方法习题

爱的疯狂+ 关注
实名认证
内容提供者

该用户很懒,什么也没介绍

相关文档

确认删除?
VIP
微信客服
  • 扫码咨询
会员Q群
  • 会员专属群点击这里加入QQ群
客服邮箱
回到顶部