电脑桌面
添加小米粒文库到电脑桌面
安装后可以在桌面快捷访问

江桥至东华(江桥出城)管道工程VIP免费

江桥至东华(江桥出城)管道工程_第1页
1/160
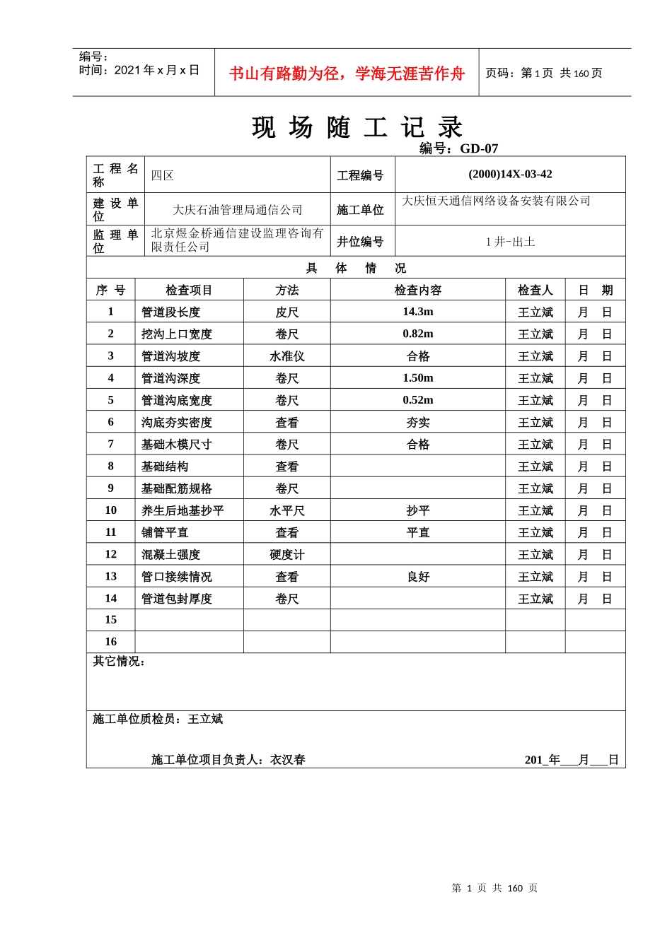
江桥至东华(江桥出城)管道工程_第2页
2/160
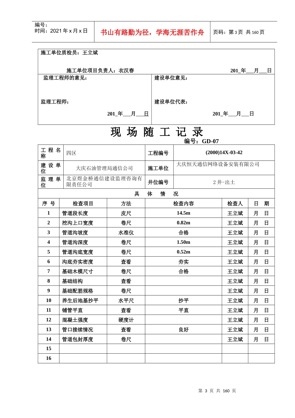
江桥至东华(江桥出城)管道工程_第3页
3/160
第1页共160页编号:时间:2021年x月x日书山有路勤为径,学海无涯苦作舟页码:第1页共160页现场随工记录编号:GD-07工程名称四区工程编号(2000)14X-03-42建设单位大庆石油管理局通信公司施工单位大庆恒天通信网络设备安装有限公司监理单位北京煜金桥通信建设监理咨询有限责任公司井位编号1井-出土具体情况序号检查项目方法检查内容检查人日期1管道段长度皮尺14.3m王立斌月日2挖沟上口宽度卷尺0.82m王立斌月日3管道沟坡度水准仪合格王立斌月日4管道沟深度卷尺1.50m王立斌月日5管道沟底宽度卷尺0.52m王立斌月日6沟底夯实密度查看夯实王立斌月日7基础木模尺寸卷尺合格王立斌月日8基础结构查看王立斌月日9基础配筋规格卷尺王立斌月日10养生后地基抄平水平尺抄平王立斌月日11铺管平直查看平直王立斌月日12混凝土强度硬度计王立斌月日13管口接续情况查看良好王立斌月日14管道包封厚度卷尺王立斌月日1516其它情况:施工单位质检员:王立斌施工单位项目负责人:衣汉春201年月日第2页共160页第1页共160页编号:时间:2021年x月x日书山有路勤为径,学海无涯苦作舟页码:第2页共160页监理工程师的意见:监理工程师:201年月日建设单位意见:建设单位代表:201年月日现场随工记录编号:GD-07工程名称四区工程编号(2000)14X-03-42建设单位大庆石油管理局通信公司施工单位大庆恒天通信网络设备安装有限公司监理单位北京煜金桥通信建设监理咨询有限责任公司井位编号1井-2井具体情况序号检查项目方法检查内容检查人日期1管道段长度皮尺16.5m王立斌月日2挖沟上口宽度卷尺0.82m王立斌月日3管道沟坡度水准仪合格王立斌月日4管道沟深度卷尺1.50m王立斌月日5管道沟底宽度卷尺0.52m王立斌月日6沟底夯实密度查看夯实王立斌月日7基础木模尺寸卷尺合格王立斌月日8基础结构查看王立斌月日9基础配筋规格卷尺王立斌月日10养生后地基抄平水平尺抄平王立斌月日11铺管平直查看平直王立斌月日12混凝土强度硬度计王立斌月日13管口接续情况查看良好王立斌月日14管道包封厚度卷尺王立斌月日1516其它情况:第3页共160页第2页共160页编号:时间:2021年x月x日书山有路勤为径,学海无涯苦作舟页码:第3页共160页施工单位质检员:王立斌施工单位项目负责人:衣汉春201年月日监理工程师的意见:监理工程师:201年月日建设单位意见:建设单位代表:201年月日现场随工记录编号:GD-07工程名称四区工程编号(2000)14X-03-42建设单位大庆石油管理局通信公司施工单位大庆恒天通信网络设备安装有限公司监理单位北京煜金桥通信建设监理咨询有限责任公司井位编号2井-出土具体情况序号检查项目方法检查内容检查人日期1管道段长度皮尺14.5m王立斌月日2挖沟上口宽度卷尺0.82m王立斌月日3管道沟坡度水准仪合格王立斌月日4管道沟深度卷尺1.50m王立斌月日5管道沟底宽度卷尺0.52m王立斌月日6沟底夯实密度查看夯实王立斌月日7基础木模尺寸卷尺合格王立斌月日8基础结构查看王立斌月日9基础配筋规格卷尺王立斌月日10养生后地基抄平水平尺抄平王立斌月日11铺管平直查看平直王立斌月日12混凝土强度硬度计王立斌月日13管口接续情况查看良好王立斌月日14管道包封厚度卷尺王立斌月日1516第4页共160页第3页共160页编号:时间:2021年x月x日书山有路勤为径,学海无涯苦作舟页码:第4页共160页其它情况:施工单位质检员:王立斌施工单位项目负责人:衣汉春201年月日监理工程师的意见:监理工程师:201年月日建设单位意见:建设单位代表:201年月日现场随工记录编号:GD-07工程名称四区工程编号(2000)14X-03-42建设单位大庆石油管理局通信公司施工单位大庆恒天通信网络设备安装有限公司监理单位北京煜金桥通信建设监理咨询有限责任公司井位编号2井-3井具体情况序号检查项目方法检查内容检查人日期1管道段长度皮尺13m王立斌月日2挖沟上口宽度卷尺0.82m王立斌月日3管道沟坡度水准仪合格王立斌月日4管道沟深度卷尺1.50m王立斌月日5管道沟底宽度卷尺0.52m王立斌月日6沟底夯实密度查看夯实王立斌月日7基础木模尺寸卷尺合格王立斌月日8基础结构查看王立斌月日9基础配筋规格卷尺王立斌月日10养生后地基抄平水平尺抄平王立斌月日11铺管平直查看平直王立斌月日12混...

1、当您付费下载文档后,您只拥有了使用权限,并不意味着购买了版权,文档只能用于自身使用,不得用于其他商业用途(如 [转卖]进行直接盈利或[编辑后售卖]进行间接盈利)。
2、本站所有内容均由合作方或网友上传,本站不对文档的完整性、权威性及其观点立场正确性做任何保证或承诺!文档内容仅供研究参考,付费前请自行鉴别。
3、如文档内容存在违规,或者侵犯商业秘密、侵犯著作权等,请点击“违规举报”。

碎片内容

江桥至东华(江桥出城)管道工程

您可能关注的文档

确认删除?
VIP
微信客服
  • 扫码咨询
会员Q群
  • 会员专属群点击这里加入QQ群
客服邮箱
回到顶部