电脑桌面
添加小米粒文库到电脑桌面
安装后可以在桌面快捷访问

江苏省建设项目环境影响报告书编制主要图表规范说明VIP免费

江苏省建设项目环境影响报告书编制主要图表规范说明_第1页
1/11
江苏省建设项目环境影响报告书编制主要图表规范说明_第2页
2/11
江苏省建设项目环境影响报告书编制主要图表规范说明_第3页
3/11
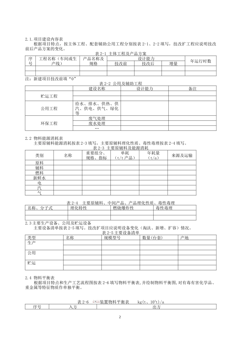
江苏省建设项目环境影响报告书编制主要图表规范说明为了进一步提高环评工作质量及审查工作的效率,依据国家环境影响评价技术导则(HJ/T2.1-2.4)及江苏省建设项目环境管理条例的有关要求,制定本“报告书编制图表规范说明”。本规范说明适用于我省新建、技改、扩建工业类的建设项目(火电厂、码头等建设项目除外),其他类型项目可参考执行。利用国际金融组织和国外贷款的建设项目,除满足本规范说明要求外,还需执行我国和国际金融组织已颁布的有关规定。一、附图规范说明1.地理位置图图示评价区范围、厂址、交通干线、主要河流、湖泊、水库、湿地、城镇、厂矿企业、自然人文景观、列出空气环境质量监测点位等主要环境敏感目标,附风玫瑰图、图例和比例尺(1:10000—1:50000)。2.水系图图示主要河流、湖泊、水库、流向(主、次)、水工设施、厂址、污水排口位置(含污水处理厂)、饮用水源保护区范围、取水口、水产养殖区等敏感目标。附比例尺(1:20000—1:100000)和指N向。标出水环境现状监测断面。3.规划图开发区、工业小区发展规划图、城镇总体规划图,图示土地利用规划(需要时应增加现状图)、项目位置、热电厂、污水处理厂等。附图例、比例尺(1:20000—1:100000)。4.厂区总面积布置图图示主要生产装置,公用工程、化学品库等及污染源位置(排气筒、排污口、噪声源、固废贮存场等)。技改项目标明已建、在建和拟建项目区。厂界噪声监测布点图上应标明主要噪声源、声环境保护目标。附图例、指N向及比例尺(1:3000~1:5000)。5.厂界周围状况图图示厂界外不小于500m的土地利用现状和主要环境敏感保护目标。图比例尺(1:5000~1:10000)。6.生产工艺流程图图示主要原辅料投加点、主要中间产物、副产品及产品生产环节(按废水、废气、固废、噪声分别编号)、物料回收或循环环节,结合工艺流程框图作简要说明。7.物料平衡图图示各生产工序原辅料用量、反应中间体、产品品种及数量。8.水量平衡图图示各生产工段用排水、公用工程用排水和生活用排水、绿化用水、循环水量、套用回用水量、损耗水量、初期雨水(化工等项目)等,技改扩项目应分别绘制技改前后全厂水平衡图(需图示水回用路线)。注:报告书图幅不小于160¿200mm.水、气、声监测点编号图表一致。二、表格规范说明1、建设项目周围地区环境概况及环境保护目标1.1环境保护敏感目标表描述评价区域内居民区、学校、医院、自然保护区、风景名胜区、文物古迹、饮用水源保护区、取水口等,按表1-1填写:表1-1主要环境保护目标环境要素环境保护对象名称方位距离(M)规模*环境功能空气要素水环境声环境*如:水厂取水口:t/d;居民区(点):户数/人数;医院:床位数2工程分析12.1.项目建设内容表根据项目特点,按主体工程、配套辅助公用工程分别按表2-1、2-2填写,技改扩工程应说明技改前后产品方案的变化。表2-1主体工程及产品方案序号工程名称(车间或生产线)产品名称及规格设计能力年运行时数技改前技改后增量注:新建项目技改前填“0”表2-2公用及辅助工程建设名称设计能力备注贮运工程公用工程给水、排水、供热、供汽、供电、供气、绿化等环保工程废气处理废水处理…2.2物料能源消耗表主要原辅料能源消耗按表2-3填写,主要原辅料理化性质、毒性毒理按表2-4填写。表2-3主要原辅料及能源消耗类别名称重要组分、规格、指标单耗(t/t产品)年耗量(t/a)来源及运输原料辅料燃料新鲜水电汽气表2-4主要原辅料、中间产品、产品理化性质、毒性毒理名称、分子式理化特性燃烧爆炸性毒性毒理2.3主要生产设备、公用及贮运设备主要设备清单按表2-5填写。技改扩项目应说明设备变化(淘汰、新增、扩容)情况。表2-5主要设备清单类型名称规模型号数量(台套)产地生产公用贮运2.4物料平衡表根据项目特点和生产工艺流程图按表2-6填写物料平衡表,并绘制物料平衡图,对有毒有害化学品、重金属等特征物质作单独平衡。表2-6¿×¿¿装置物料平衡表kg(t、104t)/a序号入方出方2物料名称数量产品副产品废气废水固废(液)2.5污染源强分析表结合生产工艺流程图和物料平衡、水量平衡,污染源产生强分别按表2-7至2-11填写,技改项目分别列出新增...

1、当您付费下载文档后,您只拥有了使用权限,并不意味着购买了版权,文档只能用于自身使用,不得用于其他商业用途(如 [转卖]进行直接盈利或[编辑后售卖]进行间接盈利)。
2、本站所有内容均由合作方或网友上传,本站不对文档的完整性、权威性及其观点立场正确性做任何保证或承诺!文档内容仅供研究参考,付费前请自行鉴别。
3、如文档内容存在违规,或者侵犯商业秘密、侵犯著作权等,请点击“违规举报”。

碎片内容

江苏省建设项目环境影响报告书编制主要图表规范说明

您可能关注的文档

教育精品店+ 关注
实名认证
内容提供者

优良的服务

确认删除?
VIP
微信客服
  • 扫码咨询
会员Q群
  • 会员专属群点击这里加入QQ群
客服邮箱
回到顶部