电脑桌面
添加小米粒文库到电脑桌面
安装后可以在桌面快捷访问

沥青混凝土路面施工检测用表VIP免费

沥青混凝土路面施工检测用表_第1页
1/22
沥青混凝土路面施工检测用表_第2页
2/22
沥青混凝土路面施工检测用表_第3页
3/22
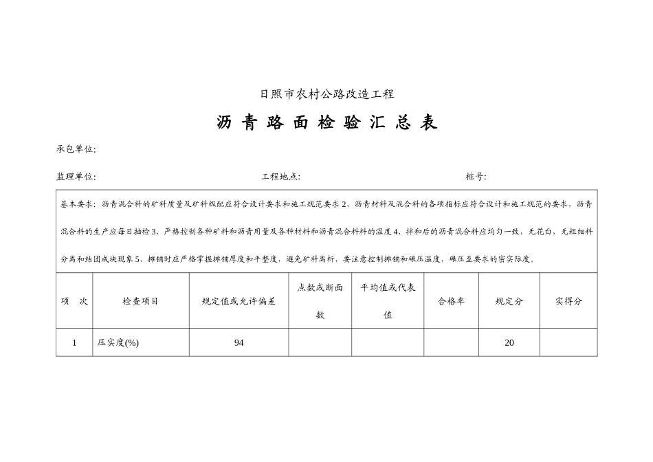
沥青路面施工检测用表日照市农村公路改造工程领导小组办公室监制日照市农村公路改造工程沥青路面检验汇总表承包单位:监理单位:工程地点:桩号:基本要求:沥青混合料的矿料质量及矿料级配应符合设计要求和施工规范要求2、沥青材料及混合料的各项指标应符合设计和施工规范的要求,沥青混合料的生产应每日抽检3、严格控制各种矿料和沥青用量及各种材料和沥青混合料料的温度4、拌和后的沥青混合料应均匀一致,无花白,无粗细料分离和结团成块现象5、摊铺时应严格掌握摊铺厚度和平整度,避免矿料离析,要注意控制摊铺和碾压温度,碾压至要求的密实际度。项次检查项目规定值或允许偏差点数或断面数平均值或代表值合格率规定分实得分1压实度(%)94202平整度((mm)5203弯沉值(0.01mm)≤竣工验收弯沉值204厚度(mm)-5205中线平面偏位(mm)2056纵断高程(mm)±1557宽度有侧石±305无侧石不小于设计值8横坡(%)±0.55合计外观鉴定扣分质量保证资料扣分工程质量等级评定:得分:质量等级自检评语:监理评语:检验人:监理:年月日日照市农村公路改造工程沥青路面回弹弯沉值测定记录表承包单位:检测使用汽车型号轮胎气压(Mpa)监理单位:加荷载时后轴总重吨天气气温桩号百分表读数(0.01mm)卸荷后百分表读数(0.01mm)两倍读书差(0.01mm)备注桩号百分表读数(0.01mm)卸荷后百分表读数(0.01mm)两倍读书差(0.01mm)备注检测人:记录人:监理:年月日第8页共22页编号:时间:2021年x月x日书山有路勤为径,学海无涯苦作舟页码:第8页共22页日照市农村公路改造工程沥青面层压实度检验记录(核子仪法)承包单位:监理单位:桩号位置层次最大干密度(g/cm3)压实度标准(%)检测值核子仪与灌砂法校正关系式pd干密度((g/cm3)w为含水量(%)k压实度(%)计算值pdk第9页共22页第8页共22页编号:时间:2021年x月x日书山有路勤为径,学海无涯苦作舟页码:第9页共22页自检说明:监理评语:检验人:监理:年月日日照市农村公路改造工程沥青路面纵断面高程检验表承包单位:监理单位:桩号实测纵断面高程(m)设计纵断面高程偏差(mm)中心外缘中心外缘中心外缘第10页共22页第9页共22页编号:时间:2021年x月x日书山有路勤为径,学海无涯苦作舟页码:第10页共22页左右左右左右左右左右左右左右左右左右自检说明:监理评语:检验人:监理:年月日日照市农村公路改造工程沥青路面宽度及中心线检验表第11页共22页第10页共22页编号:时间:2021年x月x日书山有路勤为径,学海无涯苦作舟页码:第11页共22页承包单位:监理单位:桩号宽度(m)中线偏差(mm)设计实测偏差(mm)左右左右左右左右左右左右左右左右左右第12页共22页第11页共22页编号:时间:2021年x月x日书山有路勤为径,学海无涯苦作舟页码:第12页共22页自检说明:监理评语:检验人:监理:年月日日照市农村公路改造工程沥青路面横坡度检验表承包单位:监理单位:桩号横坡度(%)偏差(%)实测设计左右左右左右左右左右左第13页共22页第12页共22页编号:时间:2021年x月x日书山有路勤为径,学海无涯苦作舟页码:第13页共22页右左右左右左右自检说明:监理评语:检验人:年月日日照市农村公路改造工程沥青面层平整度检验表承包单位:监理单位:桩号左右三米直尺尺底缝隙(mm)三米直尺尺底缝隙(mm)1234MAX1234MAX第14页共22页第13页共22页编号:时间:2021年x月x日书山有路勤为径,学海无涯苦作舟页码:第14页共22页自检说明监理评语检验人:监理:年月日日照市农村公路改造工程沥青面层厚度检验表承包单位:第15页共22页第14页共22页编号:时间:2021年x月x日书山有路勤为径,学海无涯苦作舟页码:第15页共22页监理单位:检验方法:桩号距边部距离(m)厚度(cm)桩号距边部距离(m)厚度(cm)左左右右左左右右左左右右左左右右左左右右左左右右左左右右第16页共22页第15页共22页编号:时间:2021年x月x日书山有路勤为径,学海无涯苦作舟页码:第16页共22页左左右右左左右右检验方法指:挖验、钻芯取样或其他方法自检说明:监理评语:检验人:监理:年月日日照市农村公路改造工程沥青物性试验表(1)承包单位:监理单位:沥青针入度试验记录沥青名称试样编号针杆重量100g温度及时间25℃,5s第17页...

1、当您付费下载文档后,您只拥有了使用权限,并不意味着购买了版权,文档只能用于自身使用,不得用于其他商业用途(如 [转卖]进行直接盈利或[编辑后售卖]进行间接盈利)。
2、本站所有内容均由合作方或网友上传,本站不对文档的完整性、权威性及其观点立场正确性做任何保证或承诺!文档内容仅供研究参考,付费前请自行鉴别。
3、如文档内容存在违规,或者侵犯商业秘密、侵犯著作权等,请点击“违规举报”。

碎片内容

沥青混凝土路面施工检测用表

您可能关注的文档

确认删除?
VIP
微信客服
  • 扫码咨询
会员Q群
  • 会员专属群点击这里加入QQ群
客服邮箱
回到顶部