电脑桌面
添加小米粒文库到电脑桌面
安装后可以在桌面快捷访问

污泥的深度处理概述VIP免费

污泥的深度处理概述_第1页
1/6
污泥的深度处理概述_第2页
2/6
污泥的深度处理概述_第3页
3/6
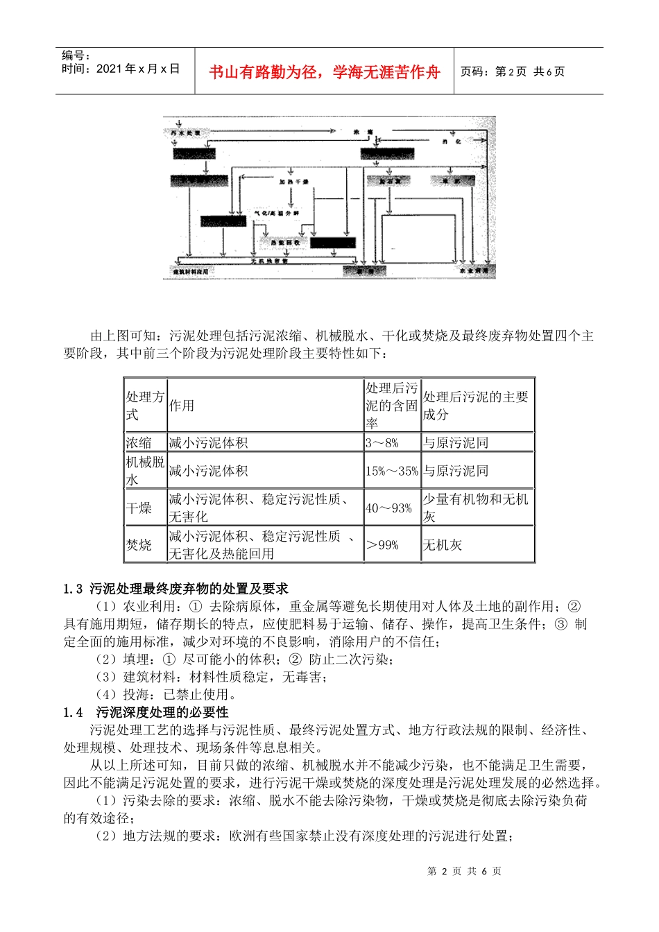
第1页共6页编号:时间:2021年x月x日书山有路勤为径,学海无涯苦作舟页码:第1页共6页污泥的深度处理概述水是人类生存的基本条件,是影响和制约社会发展的最关键因素。一方面,世界上的大部分地区水资源都严重短缺;另一方面,人口的急剧增长、工业的不断发展,人类又在不断制造大量的污染物,污染着本已稀缺的水资源。水资源短缺与水污染是当前社会和人类共同面临的两大难题。上个世纪以来,随着人与自然关系的不断激化,人们逐渐认识到只有污水处理和污水回用才是解决水资源短缺与水污染的最有效方法。众所周知,目前的污水处理厂是先对污水进行各种物理、化学或生物的方法把污染物从水中分离出来,分离水变成“清洁水”排入水体;再集中处理浓缩了污染“精华”的分离“固体”――-污泥。显然,不彻底解决污泥的处理问题,污泥中的污染物就会再通过各种途径回到大自然,则再好的水处理效果对环保而言都只是掩耳盗铃。将污染物从污泥中彻底去除是解决水污染问题的关键步骤。1污泥处理的任务与方法1.1污泥在实际中的表现干净的水经使用后因其中含有有机物、重金属、病毒、细菌等对人类和自然界会造成危害而称为污水。污水的净化处理一定意义上讲是部分地把这些污染物分离转移至污泥中。相对于污水,污泥的污染成分近似而浓度则要高得多,在实际中表现为:(1)臭味大:众多易腐化的有机物在污泥的处理、运输、储存中发出各种恶臭的气味影响环境;(2)危险性高:污泥中含有大量的病毒、细菌、原生动物及高浓度的锌、铜、铬、铅、镉等重金属、有毒的有机合成物等,对水资源和人体健康都是一种潜在的危险;1.2污泥处理的几大任务污泥处理就是要对污泥进行深度无害化处理,彻底解决污泥对环境的污染及对人类的危害,通常有以下几大任务:(1)减少污泥体积:①在水处理工艺中采用生物或化学的方法直接减少污泥的产生,避免和减少污泥的产生;②在污泥处理系统中提高污泥的含固率;(2)污泥性质稳定:去除污泥中易腐化变质的有机物;(3)污泥无害化:去除污泥中对人体或自然界有危害的病毒、细菌、原生动物和重金属等;(4)污泥的资源化利用:①利用污泥中富含的N、P、K等回收有机肥料,改善土壤条件,促进作物的生长;②利用污泥中大量有机物储藏的热量进行焚烧,回收热能。目前,为达到污泥的最终无害化处理,完整的工艺如下图所示:第2页共6页第1页共6页编号:时间:2021年x月x日书山有路勤为径,学海无涯苦作舟页码:第2页共6页由上图可知:污泥处理包括污泥浓缩、机械脱水、干化或焚烧及最终废弃物处置四个主要阶段,其中前三个阶段为污泥处理阶段主要特性如下:处理方式作用处理后污泥的含固率处理后污泥的主要成分浓缩减小污泥体积3~8%与原污泥同机械脱水减小污泥体积15%~35%与原污泥同干燥减小污泥体积、稳定污泥性质、无害化40~93%少量有机物和无机灰焚烧减小污泥体积、稳定污泥性质、无害化及热能回用>99%无机灰1.3污泥处理最终废弃物的处置及要求(1)农业利用:①去除病原体,重金属等避免长期使用对人体及土地的副作用;②具有施用期短,储存期长的特点,应使肥料易于运输、储存、操作,提高卫生条件;③制定全面的施用标准,减少对环境的不良影响,消除用户的不信任;(2)填埋:①尽可能小的体积;②防止二次污染;(3)建筑材料:材料性质稳定,无毒害;(4)投海:已禁止使用。1.4污泥深度处理的必要性污泥处理工艺的选择与污泥性质、最终污泥处置方式、地方行政法规的限制、经济性、处理规模、处理技术、现场条件等息息相关。从以上所述可知,目前只做的浓缩、机械脱水并不能减少污染,也不能满足卫生需要,因此不能满足污泥处置的要求,进行污泥干燥或焚烧的深度处理是污泥处理发展的必然选择。(1)污染去除的要求:浓缩、脱水不能去除污染物,干燥或焚烧是彻底去除污染负荷的有效途径;(2)地方法规的要求:欧洲有些国家禁止没有深度处理的污泥进行处置;第3页共6页第2页共6页编号:时间:2021年x月x日书山有路勤为径,学海无涯苦作舟页码:第3页共6页(3)最终污泥处置的要求:污泥农业回用、污泥填埋、建筑材料的使用都要求污泥无毒、满足卫生要求;(...

1、当您付费下载文档后,您只拥有了使用权限,并不意味着购买了版权,文档只能用于自身使用,不得用于其他商业用途(如 [转卖]进行直接盈利或[编辑后售卖]进行间接盈利)。
2、本站所有内容均由合作方或网友上传,本站不对文档的完整性、权威性及其观点立场正确性做任何保证或承诺!文档内容仅供研究参考,付费前请自行鉴别。
3、如文档内容存在违规,或者侵犯商业秘密、侵犯著作权等,请点击“违规举报”。

碎片内容

污泥的深度处理概述

您可能关注的文档

确认删除?
VIP
微信客服
  • 扫码咨询
会员Q群
  • 会员专属群点击这里加入QQ群
客服邮箱
回到顶部