电脑桌面
添加小米粒文库到电脑桌面
安装后可以在桌面快捷访问

汽车零部件生产企业的调查问卷VIP免费

汽车零部件生产企业的调查问卷_第1页
1/21
汽车零部件生产企业的调查问卷_第2页
2/21
汽车零部件生产企业的调查问卷_第3页
3/21
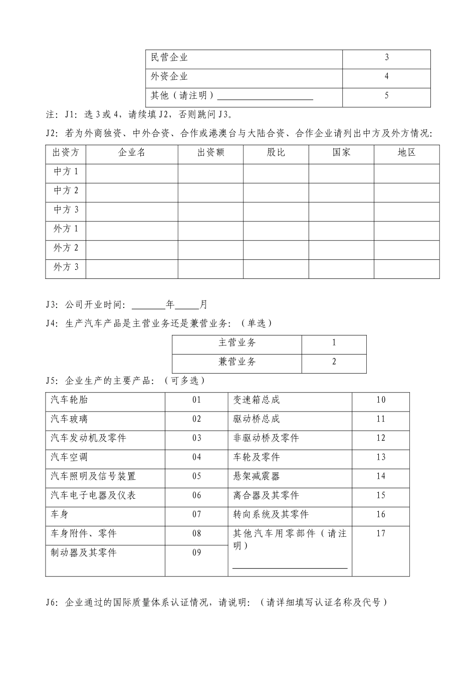
汽车零部件生产企业调查问卷贵公司负责人:您好!为了深入了解天津市汽车零部件企业发展情况,制定相应的政策,协助企业做大做强,提高天津市汽车产业的竞争力,天津市商务委特对天津市汽车零部件生产企业进行调查,希望各企业积极配合,如实地填写调查问卷。这次调查情况将作为今后制定相关鼓励政策和评价企业的直接依据,希望各公司拨冗认真对待此次调查活动,提供真实、可靠的数据。此次调查数据仅作为我委内部分析统计所用,不对外公开或用于其他用途。请根据贵单位的实际情况,如实填写调查问卷。天津商务委2008年1月企业名称(全称):法定代表人:地址:邮政编码:联系人:联系电话:传真:email填写方式:请在相应的代码上圈填或填写具体的数字第一部分企业基本情况J1:贵公司的性质:(单选)国有企业1集体企业2民营企业3外资企业4其他(请注明)5注:J1:选3或4,请续填J2,否则跳问J3。J2:若为外商独资、中外合资、合作或港澳台与大陆合资、合作企业请列出中方及外方情况:出资方企业名出资额股比国家地区中方1中方2中方3外方1外方2外方3J3:公司开业时间:年月J4:生产汽车产品是主营业务还是兼营业务:(单选)主营业务1兼营业务2J5:企业生产的主要产品:(可多选)汽车轮胎01变速箱总成10汽车玻璃02驱动桥总成11汽车发动机及零件03非驱动桥及零件12汽车空调04车轮及零件13汽车照明及信号装置05悬架减震器14汽车电子电器及仪表06离合器及其零件15车身07转向系统及其零件16车身附件、零件08其他汽车用零部件(请注明)17制动器及其零件09J6:企业通过的国际质量体系认证情况,请说明:(请详细填写认证名称及代号)若企业为兼营企业,汽车业务占全部业务的70%以上,J7和J8问题按企业整体情况填报;若汽车业务不足全部业务的70%,J7和J8问题仅填报与汽车业务相关的数据。J7:企业主要经济指标单位:万元,人项目2005年2006年2007年工业总产值(现行价)工业增加值(生产法)新产品产值工业销售产值(现行价)出口交货值出口金额(万美元)全部从业人员平均人数,(人)其中,大学本科以上学历人数,(人)J8:企业主要财务状况单位:万元2005年2006年2007年资产总计固定资产净值平均余额流动资产平均余额应收账款净额负债总计主营业务收入主营业务成本主营业务税金及附加管理费用财务费用销售费用利税总额应交增值税J9:企业生产和配套情况单位:万件/万台/万套零部件产品名称2007年产量主要配套企业1)2)3)4)5)6)J10:企业年生产能力及预计达到的生产能力(分列主要品种):单位:万件/万台/万套零部件产品名称2007年生产能力2010年生产能力2012年生产能力2015年生产能力1)2)3)4)5)6)第二部分企业研发情况Q1:贵企业是否为高新技术企业:(单选)是1否2Q2:贵企业是否有研发机构,如有研发机构,其是国家级还是市级?Q2-1(单选)Q2-2是1国家级1市级2否2跳问第一部分查看Q2-1:如有研发机构请填写Y1题,否则直接填写Y2。Y1:研发机构从业人员情况(2007年未数):单位:人研发机构从业人数其中按学历分:其中按职称分:博士研究生高级职称硕士研究生中级职称本科生一般技术人员大中专生Y2:2005年以来,参与或主导国际标准制修订情况:(请详细填写)Y3:2007年末主要生产设备拥有量情况:Y3主要生产设备拥有量(5个复杂系数以上)台其中:金属切削机床拥有量台高、大、数控设备台Y4:企业拥有高、精、尖设备及生产线情况:(请详细填写)设备/生产线名称型号主要性能指标设备制造商备注注:1.只填目前具有国内领先,世界先进的设备及生产线;2.根据设备/生产线数量,企业可自行增加行数。Y5:企业的设备情况:1、进口设备比例(按数量)%2、设备水平(按数量)%其中:国际先进%国内先进%一般%落后%Y6:企业各年度研发经费情况:年份研发经费支出(万元)占销售收入比重(%)2005年2006年2007年Y7:贵公司的技术来源:(可多选)本公司为主1与外地企业或科研机构合作研发4本公司独立研发2模仿本地其他企业的产品和技术5与当地企业或科研机构合作研发3模仿外地其他企业的产品和技术6Y8:与同行业企业相比,贵公司的新产品开发能力(或者引进新产品的能力)的情况:(单选)强1...

1、当您付费下载文档后,您只拥有了使用权限,并不意味着购买了版权,文档只能用于自身使用,不得用于其他商业用途(如 [转卖]进行直接盈利或[编辑后售卖]进行间接盈利)。
2、本站所有内容均由合作方或网友上传,本站不对文档的完整性、权威性及其观点立场正确性做任何保证或承诺!文档内容仅供研究参考,付费前请自行鉴别。
3、如文档内容存在违规,或者侵犯商业秘密、侵犯著作权等,请点击“违规举报”。

碎片内容

汽车零部件生产企业的调查问卷

您可能关注的文档

中小学文库+ 关注
实名认证
内容提供者

精品资料应用尽有

确认删除?
VIP
微信客服
  • 扫码咨询
会员Q群
  • 会员专属群点击这里加入QQ群
客服邮箱
回到顶部