电脑桌面
添加小米粒文库到电脑桌面
安装后可以在桌面快捷访问

某高层建筑投标施工组织设计方案范本VIP专享VIP免费

某高层建筑投标施工组织设计方案范本_第1页
1/55
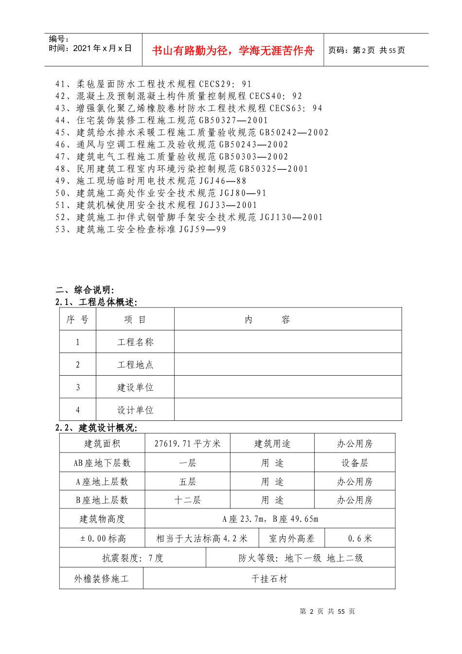
某高层建筑投标施工组织设计方案范本_第2页
2/55
某高层建筑投标施工组织设计方案范本_第3页
3/55
第1页共55页编号:时间:2021年x月x日书山有路勤为径,学海无涯苦作舟页码:第1页共55页一、编制依据:1.1设计图纸及工程招投标文件1、*******二标段图纸1.2国家及地方有关标准规范规程2、高层建筑向行与筏行基础技术规范JCJ6-993、建筑地基处理技术规范JGJ79-914、建筑桩基技术规范JGJ94-945、建筑基坑支护技术规程JGJ120-996、钢筋混凝土承台设计规程CECS88:977、岩土工程技术规范DB29―20―20008、普通混凝土拌合物性能试验方法GBJ80―859、普通混凝土长期性能和耐久性能试验方法GBJ82―8510、混凝土强度检验评定标准GBJ107―8711、地下工程防水工程质量验收规范GB50208―200212、混凝土外加剂应用技术规范GBJ119―8813、人防工程施工及验收规范GBJ134―9014、粉煤灰混凝土应用技术规范GBJ46―9015、混凝土结构实验方法标准GB50152―9216、混凝土质量控制标准GB50164―9217、砌体工程施工及验收规范GB50203―200218、混凝土结构工程施工及验收规范GB50204―200219、屋面工程质量验收规范GB50207―200220、建筑地面工程施工及验收规范GB50209―200221、建筑防腐蚀工程施工及验收规范GB50212―9122、机械设备安装工程施工及验收通用规范GB50231―9823、通风与空调工程施工质量验收规范GB50243―200224、砌体工程现场检测技术标准GB/T50315―200025、混凝土泵送施工技术规范JGJ/T10―9526、钢筋焊接及验收规程JGJ18―200327、冷拔钢丝预应力混构件设计与施工规程JGJ19―9228、回弹法检测混凝土抗压强度技术规程JGJ/T23―9229、钢筋焊接接头试验方法JGJ27―8630、建筑装饰工程施工及验收规范JGJ73―9131、建筑砂浆配合比设计规程JGJ98―200032、铝合金门窗安装及验收规程JGJ103―9633、建筑工程冬期施工规程JGJ104―9734、机械喷抹灰施工规程JGJ/T105―9635、钢筋机械连接通用技术规程JGJ107―9636、钢筋锥螺纹接头技术规程JGJ109―9637、外墙饰面工程施工及验收JGJ126―200038、超声回弹综合法检测混凝土强度技术规程CECS02:8839、钻芯法检测混凝土强度技术规程CECS03:8840、超声法检测混凝土缺陷技术规程CECS21:2000第2页共55页第1页共55页编号:时间:2021年x月x日书山有路勤为径,学海无涯苦作舟页码:第2页共55页41、柔毡屋面防水工程技术规程CECS29:9142、混凝土及预制混凝土构件质量控制规程CECS40:9243、增强氯化聚乙烯橡胶卷材防水工程技术规程CECS63:9444、住宅装饰装修工程施工规范GB50327―200145、建筑给水排水采暖工程施工质量验收规范GB50242―200246、通风与空调工程施工及验收规范GB50243―200247、建筑电气工程施工质量验收规范GB50303―200248、民用建筑工程室内环境污染控制规范GB50325―200149、施工现场临时用电技术规范JGJ46―8850、建筑施工高处作业安全技术规范JGJ80―9151、建筑机械使用安全技术规程JGJ33―200152、建筑施工扣伴式钢管脚手架安全技术规范JGJ130―200153、建筑施工安全检查标准JGJ59―99二、综合说明:2.1、工程总体概述:序号项目内容1工程名称2工程地点3建设单位4设计单位2.2、建筑设计概况:建筑面积27619.71平方米建筑用途办公用房AB座地下层数一层用途设备层A座地上层数五层用途办公用房B座地上层数十二层用途办公用房建筑物高度A座23.7m,B座49.65m±0.00标高相当于大沽标高4.2米室内外高差0.6米抗震裂度:7度防火等级:地下一级地上二级外檐装修施工干挂石材第3页共55页第2页共55页编号:时间:2021年x月x日书山有路勤为径,学海无涯苦作舟页码:第3页共55页内檐装修施工立墙:水泥砂浆墙面、抹灰墙面、釉面砖墙面楼地面:花岗岩楼地面、地砖楼地面、水泥砂浆楼地面顶棚:抹灰顶棚踢脚:水泥砂浆踢脚、花岗岩踢脚内外部门窗铝合金窗、铝合金门、实木门屋面高分子卷材合成高分子涂膜,刚性防水合成高分子卷材2.3、结构设计概况:2.4、工程特点:该工程B座基础为地下室,并且与C座基础相连;砼强度等级为C50。抗渗等级S6。合理的安排基础施工以及大体积、高标号砼浇筑是施工关键控制点。2.5、施工条件现场“三通一平”已达到施工条件。2.6、工程、重点难点①施工中的冬、雨季施工措施。②施工周期长,合理安排各工种的衔...

1、当您付费下载文档后,您只拥有了使用权限,并不意味着购买了版权,文档只能用于自身使用,不得用于其他商业用途(如 [转卖]进行直接盈利或[编辑后售卖]进行间接盈利)。
2、本站所有内容均由合作方或网友上传,本站不对文档的完整性、权威性及其观点立场正确性做任何保证或承诺!文档内容仅供研究参考,付费前请自行鉴别。
3、如文档内容存在违规,或者侵犯商业秘密、侵犯著作权等,请点击“违规举报”。

碎片内容

某高层建筑投标施工组织设计方案范本

确认删除?
VIP
微信客服
  • 扫码咨询
会员Q群
  • 会员专属群点击这里加入QQ群
客服邮箱
回到顶部