电脑桌面
添加小米粒文库到电脑桌面
安装后可以在桌面快捷访问

标准化项目部建设VIP免费

标准化项目部建设_第1页
1/8
标准化项目部建设_第2页
2/8
标准化项目部建设_第3页
3/8
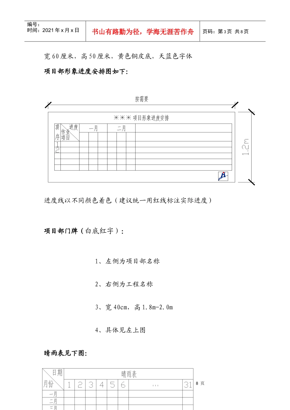
第1页共8页编号:时间:2021年x月x日书山有路勤为径,学海无涯苦作舟页码:第1页共8页标准化项目部建设实施方案(试行)一、室内布置(一)上墙资料岗位职责及相关牌:1、项目经理2、项目总工3、技术员4、安全员5、施工员6、计工员兼材料员7、质检员8、项目部组织机构示意图9、质量管理体系10、安全管理体系工程指挥图第2页共8页第1页共8页编号:时间:2021年x月x日书山有路勤为径,学海无涯苦作舟页码:第2页共8页项目部门牌工程项目部第3页共8页第2页共8页编号:时间:2021年x月x日书山有路勤为径,学海无涯苦作舟页码:第3页共8页宽60厘米,高50厘米,黄色铜皮底,天蓝色字体项目部形象进度安排图如下:进度线以不同颜色着色(建议统一用红线标注实际进度)项目部门牌(白底红字):1、左侧为项目部名称2、右侧为工程名称3、宽40cm,高1.8m-2.0m4、具体见左上图晴雨表见下图:第4页共8页第3页共8页编号:时间:2021年x月x日书山有路勤为径,学海无涯苦作舟页码:第4页共8页办公室门牌办公室门牌字体颜色为蓝字灰底。在集中办公区域,部室门牌要镶嵌在隔断上面,不得悬吊于房中。(二)办公用品1、办公桌、椅子。2、电脑,打印机。3、会议桌。4、文件夹、文件柜(透门柜子)。5、网线或网卡。6、传真机、座机。7、项目公章1枚。(三)生活用品1、餐具、橱具各1套。2、饮水机、消毒柜各1台。3、电视机1台。4、空调。5、单人标准床(公司统一定制)(四)内业资料(分档管理)A、原始资料和台账蓝色档案夹(统一标准尺寸,盒外注明标识,盒内建立内容目录)1、设计文件;第5页共8页第4页共8页编号:时间:2021年x月x日书山有路勤为径,学海无涯苦作舟页码:第5页共8页2、施工组织设计;3、开(竣)工报告;4、施工日志;5、会议记录;6、施工人员花名册7、岗前培训记录(试卷);8、特殊工种上岗证;9、材料、设备计划;10、原材材质证明、到货签收单;11、原材二次试验报告、配合比报告;12、检验批报验单;13、砼灌注记录;14、各种检测报告(含钢筋接头、砼试压块等);15、变更设计资料;16、测量记录;17、分部分项工程技术交底记录;18、现场各种协议(应附合同对方资信材料);19、安全、消防台帐;20、上级领导检查记录本;内页资料的具体要求实施:1、进场材料送检要及时,并且要有合格的检验报告;第6页共8页第5页共8页编号:时间:2021年x月x日书山有路勤为径,学海无涯苦作舟页码:第6页共8页2、内页资料要求与施工同步,并且要监理及时签认;3、内页资料要求严格按照新验标进行填写;4、施工日志按照公司新的版本进行填写。B、常用规范书籍1、《铁路工程施工技术指南》中国铁道出版社2008-10-20发布2、《南昌铁路局营业线施工及安全管理细则》南昌铁路局2008-11-14发布3、《铁路工务安全规则》中国铁道出版社2006-9-15发布4、《铁路工程施工质量常用验收标准应用指南汇编》南铁天河建设股份公司工程技术部2009-3-15、《工程项目技术管理文件汇编》南铁天河建设股份公司工程技术部2009-3-16、《铁路建设项目竣工文件编制移交文件汇编》南昌铁路局2008-11-1二、室外布置(一)施工区1、横副2条及以上,内容与现场相符。2、施工区橱窗宣传牌在施工区要因地制宜,既要展示企业形象,又要体现项目部特色文化。宣传牌要根据业主要求和项目部实际制作,可为公司简介、第7页共8页第6页共8页编号:时间:2021年x月x日书山有路勤为径,学海无涯苦作舟页码:第7页共8页工程概况、目标承诺或项目部工作重点和工地上的施工亮点,背景图片可由项目部自行选定,大小尺寸为3×5米,放置于醒目位置。下底书写:责任创新诚信团队和公司标志。(二)施工现场1、施工标识:施工范围应布设施工公示牌、安全警示牌、安全标语;2、现场材料:材料应按不同种类、型号堆码牢固整齐,需进材料棚存放的,现场应搭设临时材料棚(如钢筋、水泥);3、现场用水、用电:现场水、电管线应布设安全合理,不得裸露,接电应有专门的配电箱;4、临时搭设料具工棚:应布局合理、搭设牢固,内部摆放整齐,设有消防设施;5、施工作业:作业人员应遵守作业标准,按规章做好作业防护和个人防护。(三)生活环境1...

1、当您付费下载文档后,您只拥有了使用权限,并不意味着购买了版权,文档只能用于自身使用,不得用于其他商业用途(如 [转卖]进行直接盈利或[编辑后售卖]进行间接盈利)。
2、本站所有内容均由合作方或网友上传,本站不对文档的完整性、权威性及其观点立场正确性做任何保证或承诺!文档内容仅供研究参考,付费前请自行鉴别。
3、如文档内容存在违规,或者侵犯商业秘密、侵犯著作权等,请点击“违规举报”。

碎片内容

标准化项目部建设

您可能关注的文档

确认删除?
VIP
微信客服
  • 扫码咨询
会员Q群
  • 会员专属群点击这里加入QQ群
客服邮箱
回到顶部