电脑桌面
添加小米粒文库到电脑桌面
安装后可以在桌面快捷访问

第三部分(2)线路工程(石化管道工程)VIP免费

第三部分(2)线路工程(石化管道工程)_第1页
1/68
第三部分(2)线路工程(石化管道工程)_第2页
2/68
第三部分(2)线路工程(石化管道工程)_第3页
3/68
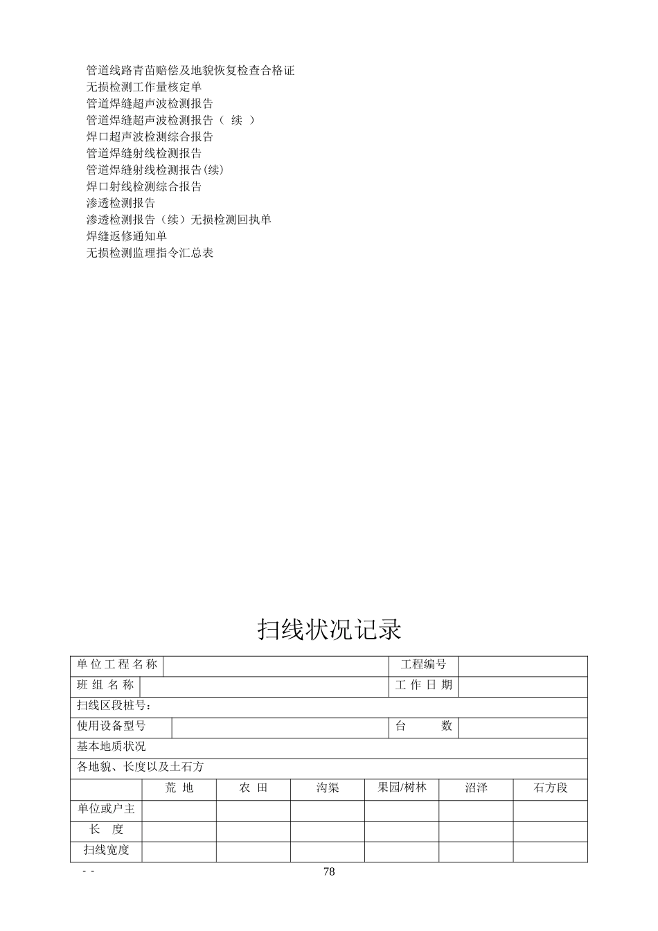
输气管道工程扫线状况记录交接桩原始记录表测量放线施工记录防腐管出厂质量合格证管道组对记录管道焊接记录管道施工记录管道焊缝外观检查记录冷弯管检查报告冷弯管加工检查记录表冷弯管生产报告管道焊口统计表管线焊口分布图焊缝返修记录管沟复测记录管沟开挖记录管沟回填记录管道防腐补口施工记录管道防腐补伤施工记录防腐绝缘层电火花检测记录管道埋深抽查记录管道工程隐蔽验收记录管道里程、测试、转角标志埋设记录阴极保护工程施工记录测试桩安装记录阳极地床安装记录锌带牺牲阳极安装记录牺牲阳极埋设记录牺牲阳极电参数测试记录阴极保护检查(通电)头(片)安装记录强制电流阴极保护电参数测试记录管道静电接地测试记录管道线路构筑物施工检查记录顶管穿越检查记录穿越管道水下稳管检查记录穿越管道水下成沟检查记录穿越管道水下就位检查记录水平钻穿越管道就位检查记录管线水平定向钻穿越工程导向数据跨越管道就位检查测量记录跨越索塔施工检查记录跨越砼墩、塔检查记录跨越钢索破断试验记录跨越管道吊索拉力调试记录管道穿越工程隐蔽检查记录管道清管记录管道测径记录管道试压记录管道干燥记录埋地管道防腐层地面检漏记录管道竣工测量成果表--77管道线路青苗赔偿及地貌恢复检查合格证无损检测工作量核定单管道焊缝超声波检测报告管道焊缝超声波检测报告(续)焊口超声波检测综合报告管道焊缝射线检测报告管道焊缝射线检测报告(续)焊口射线检测综合报告渗透检测报告渗透检测报告(续)无损检测回执单焊缝返修通知单无损检测监理指令汇总表扫线状况记录单位工程名称工程编号班组名称工作日期扫线区段桩号:使用设备型号台数基本地质状况各地貌、长度以及土石方荒地农田沟渠果园/树林沼泽石方段单位或户主长度扫线宽度--78地上构筑物记录地下构筑物记录施工技术负责人:施工质量检查员年月日现场监理:年月日交接桩原始记录表单位工程名称工程编号桩号桩类型里程(km)地面标高角度曲线半径--79注:1、具体方位、参照物应画草图并标注两个方向的控制尺寸2、可单记一个桩或连续几个桩交桩单位:代表:年月日接桩单位:代表:年月日监理单位现场监理:年月日建设单位现场代表:年月日--80--单位工程名称放线班组仪器名称及型号仪器台数控制桩测量放线记录转角处理方式(角度/曲率半径)桩号里程实测转角与图纸角度差弹性弯曲冷弯弯管热煨弯头放线加桩记录(纵向变坡桩、变壁厚桩、穿越标志桩、百米桩、曲线加密桩)加密桩号类型里程地上构筑物简述地下构筑物简述放线单位放线人员:日期:监理单位监理代表:日期:81测量放线施工记录--82防腐管出厂质量合格证单位工程名称:编号:承运人车辆牌号及姓名:收货单位:生产日期钢管规格数量总长度(m)防腐材料类别防腐等级防腐管编号防腐质量钢管制造厂钢管号管径(mm)壁厚(mm)防腐质量检查员:监理工程师:年月日防腐单位技术负责人:(公章)年月日--83管道组对记录单位工程名称:工程编号安装位置序号焊口号焊口上游钢管(弯头)出厂编号防腐管编号管长弯头、弯管角度(°′″)钝边(mm)间隙(mm)坡口角度(°)错边量(mm)施工班(组)长:年月日施工单位质量检查员:年月日现场监理:年月日--84管道焊接记录单位工程名称:工程编号安装位置序号焊口号焊接层次预热温度(℃)电流极性电流(A)电压(V)焊接速度(cm/min)施焊人施焊日期施工班(组)长:年月日施工单位质量检查员:年月日施工单位技术负责人:年月日现场监理::年月日--85管道施工记录工程编号:单位工程名称施工单位施工单位:施工班(组)长:记录人:年月日监理单位代表:年月日管道施工记录(附页)--86工程编号:单位工程名称施工单位桩号钢管号防腐号防腐等级单根管长(m)弯头、弯管角度(°′″)焊口编号施焊日期无损检测报告单编号原长实用长连续里程记录人:日期监理工程师/监理员:日期:管道焊缝外观检查记录单位工程名称:工程编号安装位置--87序号焊口号有无表面缺陷咬边情况焊缝余高(mm)焊缝宽度(mm)外观质量情况预热温度(℃)焊接日期备注咬边深度(mm)咬边长度(mm)施工班(组)长:年月日施工单位质量检查员:年月日施工单位技术负责人:年月日现场监理...

1、当您付费下载文档后,您只拥有了使用权限,并不意味着购买了版权,文档只能用于自身使用,不得用于其他商业用途(如 [转卖]进行直接盈利或[编辑后售卖]进行间接盈利)。
2、本站所有内容均由合作方或网友上传,本站不对文档的完整性、权威性及其观点立场正确性做任何保证或承诺!文档内容仅供研究参考,付费前请自行鉴别。
3、如文档内容存在违规,或者侵犯商业秘密、侵犯著作权等,请点击“违规举报”。

碎片内容

第三部分(2)线路工程(石化管道工程)

确认删除?
VIP
微信客服
  • 扫码咨询
会员Q群
  • 会员专属群点击这里加入QQ群
客服邮箱
回到顶部