电脑桌面
添加小米粒文库到电脑桌面
安装后可以在桌面快捷访问

空气预热器连通罩项目施工方案 (恢复)VIP免费

空气预热器连通罩项目施工方案 (恢复)_第1页
1/13
空气预热器连通罩项目施工方案 (恢复)_第2页
2/13
空气预热器连通罩项目施工方案 (恢复)_第3页
3/13
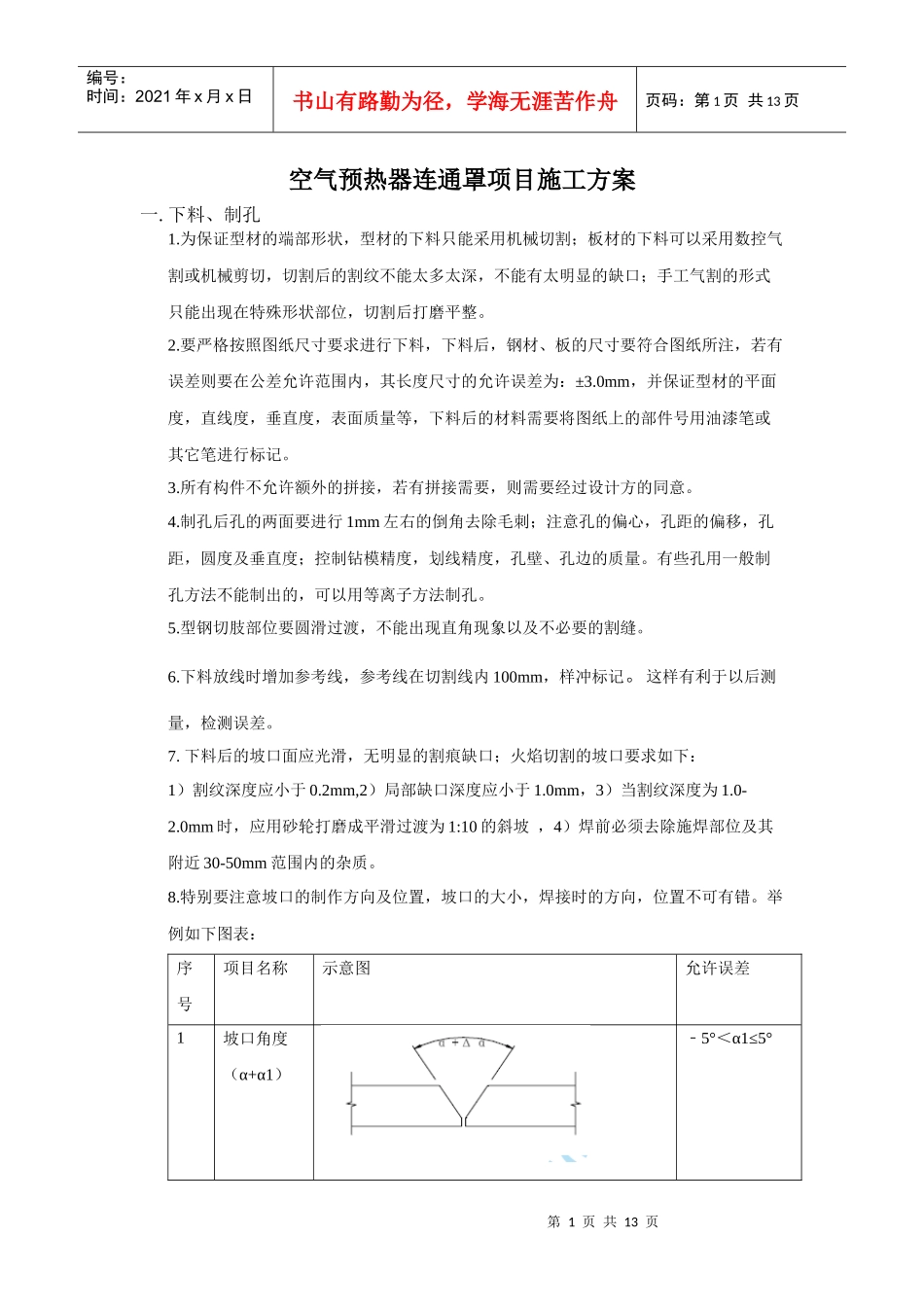
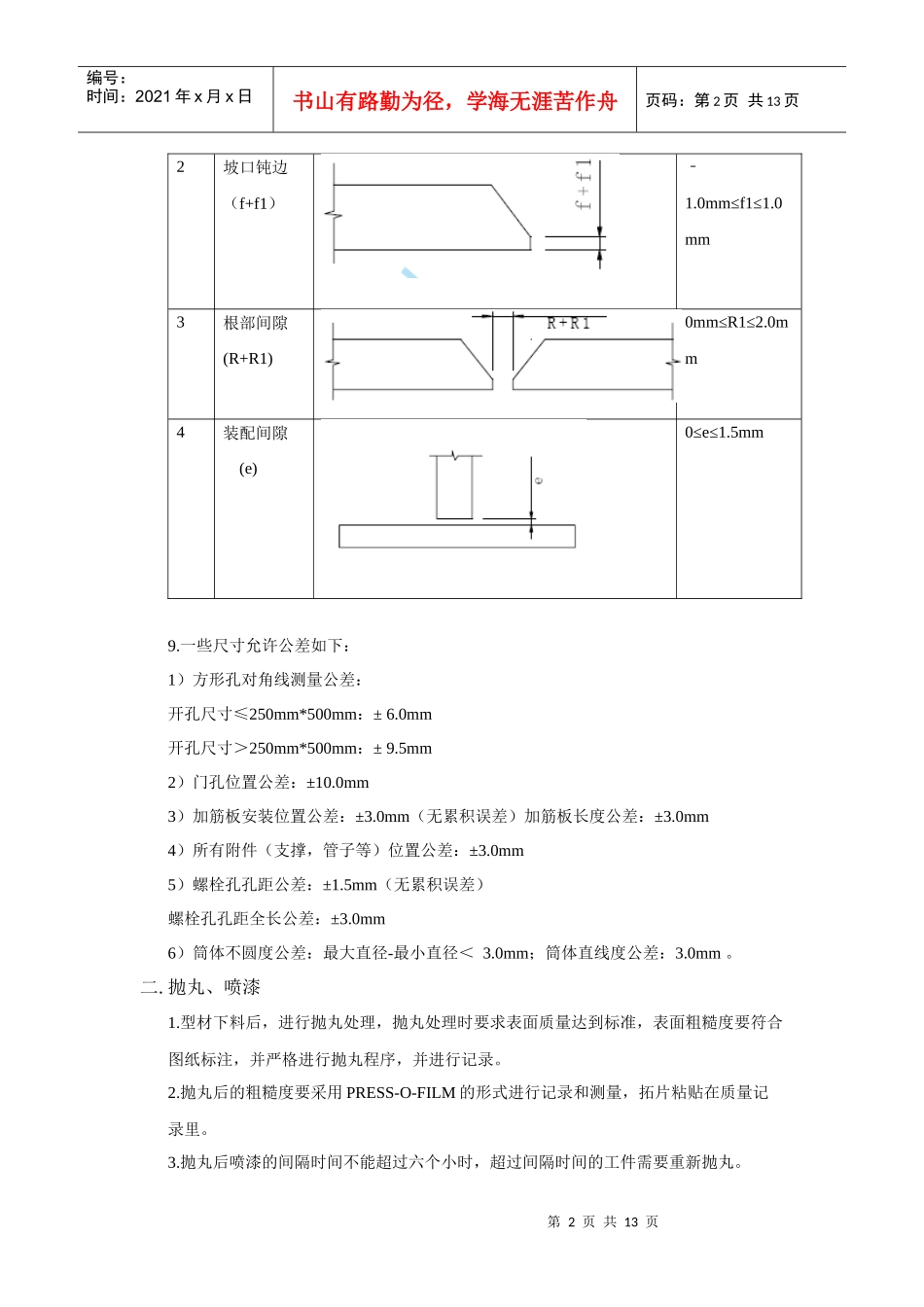
第1页共13页编号:时间:2021年x月x日书山有路勤为径,学海无涯苦作舟页码:第1页共13页空气预热器连通罩项目施工方案一.下料、制孔1.为保证型材的端部形状,型材的下料只能采用机械切割;板材的下料可以采用数控气割或机械剪切,切割后的割纹不能太多太深,不能有太明显的缺口;手工气割的形式只能出现在特殊形状部位,切割后打磨平整。2.要严格按照图纸尺寸要求进行下料,下料后,钢材、板的尺寸要符合图纸所注,若有误差则要在公差允许范围内,其长度尺寸的允许误差为:±3.0mm,并保证型材的平面度,直线度,垂直度,表面质量等,下料后的材料需要将图纸上的部件号用油漆笔或其它笔进行标记。3.所有构件不允许额外的拼接,若有拼接需要,则需要经过设计方的同意。4.制孔后孔的两面要进行1mm左右的倒角去除毛刺;注意孔的偏心,孔距的偏移,孔距,圆度及垂直度;控制钻模精度,划线精度,孔壁、孔边的质量。有些孔用一般制孔方法不能制出的,可以用等离子方法制孔。5.型钢切肢部位要圆滑过渡,不能出现直角现象以及不必要的割缝。6.下料放线时增加参考线,参考线在切割线内100mm,样冲标记。这样有利于以后测量,检测误差。7.下料后的坡口面应光滑,无明显的割痕缺口;火焰切割的坡口要求如下:1)割纹深度应小于0.2mm,2)局部缺口深度应小于1.0mm,3)当割纹深度为1.0-2.0mm时,应用砂轮打磨成平滑过渡为1:10的斜坡,4)焊前必须去除施焊部位及其附近30-50mm范围内的杂质。8.特别要注意坡口的制作方向及位置,坡口的大小,焊接时的方向,位置不可有错。举例如下图表:序号项目名称示意图允许误差1坡口角度(α+α1)5°﹣<α1≤5°第2页共13页第1页共13页编号:时间:2021年x月x日书山有路勤为径,学海无涯苦作舟页码:第2页共13页2坡口钝边(f+f1)﹣1.0mm≤f1≤1.0mm3根部间隙(R+R1)0mm≤R1≤2.0mm4装配间隙(e)0≤e≤1.5mm9.一些尺寸允许公差如下:1)方形孔对角线测量公差:开孔尺寸≤250mm*500mm:±6.0mm开孔尺寸>250mm*500mm:±9.5mm2)门孔位置公差:±10.0mm3)加筋板安装位置公差:±3.0mm(无累积误差)加筋板长度公差:±3.0mm4)所有附件(支撑,管子等)位置公差:±3.0mm5)螺栓孔孔距公差:±1.5mm(无累积误差)螺栓孔孔距全长公差:±3.0mm6)筒体不圆度公差:最大直径-最小直径<3.0mm;筒体直线度公差:3.0mm。二.抛丸、喷漆1.型材下料后,进行抛丸处理,抛丸处理时要求表面质量达到标准,表面粗糙度要符合图纸标注,并严格进行抛丸程序,并进行记录。2.抛丸后的粗糙度要采用PRESS-O-FILM的形式进行记录和测量,拓片粘贴在质量记录里。3.抛丸后喷漆的间隔时间不能超过六个小时,超过间隔时间的工件需要重新抛丸。第3页共13页第2页共13页编号:时间:2021年x月x日书山有路勤为径,学海无涯苦作舟页码:第3页共13页4.抛丸过程中需要进行表面除锈,去氧化皮等,抛丸清理后的表面光洁度要在38-75微米范围内,现场焊接部位涂可焊接。5.对于制作过程中发生覆盖的部位要预涂底漆;隐蔽部位进行预涂装。6.抛丸后不能有“死角”现象,达到一定的除锈等级,达到一定的粗糙度标准(一般为40-70微米范围内)。7.除锈后,喷漆前,构件的放置时间应≥4小时。8.喷漆的范围:1)暴露在大气中的构架表面,2)没有封闭的构件内表面。9.喷漆过程要规范,喷漆钱要清理掉表面的杂质(如飞溅物,氧化皮等)和除锈处理,保证表面的光洁度和粗糙度。10.喷漆过程中的处理及措施:1)施工时,应不断搅拌涂料,使涂料处于悬浮状态,2)在高温天气时,易产生“干喷”现象,可以适当加入稀释剂,3)混合好的涂料必须在6小时内用完。三.预组装(组立)1.组装平台要经过水平仪检查,上表面不平度1mm,;预组装时应注意:严格控制定位点,不能强拉硬拽,避免变形,预组装时记录预组装过程中的整体误差和部件配合误差;对于过程中有不对的地方,进行即时调整。2.一些钢构件预组装的允许偏差参见下表:第4页共13页第3页共13页编号:时间:2021年x月x日书山有路勤为径,学海无涯苦作舟页码:第4页共13页3.预组装时可以对组装件进行必要的临时焊接,对一些部位可以用支撑架以防变形,支撑材料...

1、当您付费下载文档后,您只拥有了使用权限,并不意味着购买了版权,文档只能用于自身使用,不得用于其他商业用途(如 [转卖]进行直接盈利或[编辑后售卖]进行间接盈利)。
2、本站所有内容均由合作方或网友上传,本站不对文档的完整性、权威性及其观点立场正确性做任何保证或承诺!文档内容仅供研究参考,付费前请自行鉴别。
3、如文档内容存在违规,或者侵犯商业秘密、侵犯著作权等,请点击“违规举报”。

碎片内容

空气预热器连通罩项目施工方案 (恢复)

您可能关注的文档

确认删除?
VIP
微信客服
  • 扫码咨询
会员Q群
  • 会员专属群点击这里加入QQ群
客服邮箱
回到顶部