电脑桌面
添加小米粒文库到电脑桌面
安装后可以在桌面快捷访问

能化系统施工组织设计方案VIP免费

能化系统施工组织设计方案_第1页
1/40
能化系统施工组织设计方案_第2页
2/40
能化系统施工组织设计方案_第3页
3/40
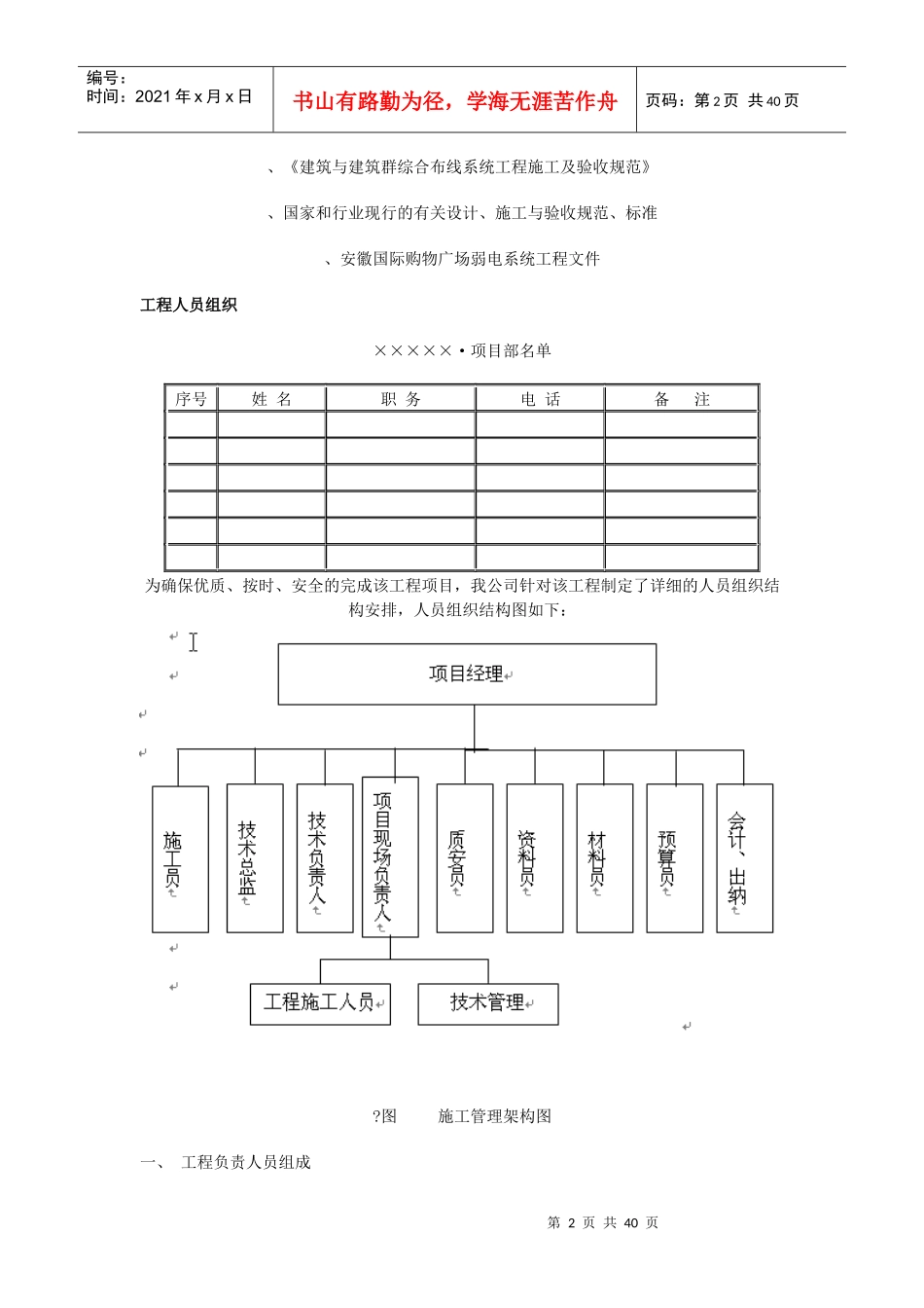
第1页共40页编号:时间:2021年x月x日书山有路勤为径,学海无涯苦作舟页码:第1页共40页某小区智能化系统施工组织设计第一章工程组织方案工程概述×·小区智能化系统工程是意识超前、技术含量较高的高科技工程。该工程对安装要求严格,施工专业性强,必须精心组织设计各单位多方配合,方可保证该智能化系统具有高度的安全性,可靠性和稳定性,以及设备安装的整体美观,方便实用,维护便利。以我公司多年来,对多个智能弱电系统工程施工安装的成功验收,我公司保证在贵单位规定的工期内完成各系统的施工安装,调试,使用人员培训,并达到优良工程标准。我公司将针对该智能弱电系统工程成立专项的工程项目组,为该工程精编制出一套行之有效的完善的施工组织方案,并认真落实到售前、售中、售后服务的全过程中。编制依据本《施工组织设计》的编制依据如下:、建设部()号文《年国家建筑标准设计编制工作计划》、《计算机机房设计规范》、《民用闭路监控电视系统工程技术规范》-、《民用建筑电气设计规范》/—、《电气装置安装工程施工及验收规范》、《厅堂扩声系统声学特性指标》、《建筑物防雷设计规范》、《低压配电设计规范》、《安全防范工程程序与要求》、《市内通信全塑电缆线路工程设计规范》、《建筑与建筑群综合布线系统工程设计规范》第2页共40页第1页共40页编号:时间:2021年x月x日书山有路勤为径,学海无涯苦作舟页码:第2页共40页、《建筑与建筑群综合布线系统工程施工及验收规范》、国家和行业现行的有关设计、施工与验收规范、标准、安徽国际购物广场弱电系统工程文件工程人员组织×××××·项目部名单序号姓名职务电话备注为确保优质、按时、安全的完成该工程项目,我公司针对该工程制定了详细的人员组织结构安排,人员组织结构图如下:?图施工管理架构图一、工程负责人员组成第3页共40页第2页共40页编号:时间:2021年x月x日书山有路勤为径,学海无涯苦作舟页码:第3页共40页我公司将对该项目成立以上人员组织。以公司总经理为核心,把公司的各项专业技术精英放在该项目上,在财力、物力、人力方面保证工程顺利完成。二、主要人员岗位职责()总经理负责整个工程的人员组织安排和处理工地现场重大事件,保证工程进度。()项目经理岗位职责)全面负责该项工程的质量、进度、成本、机具、人员的安排调配,是工地安全生产、防火、防盗的第一责任人。协调工地各方的关系,代表单位全面处理、办理工程的变更签证。在组织工程项目施工过程中。主动接受业主、监理工程师、单位领导和上级有关部门的工作检查。认真贯彻执行国家有关劳动保护法令及制度和本单位安全生产的规章制度。)认真贯彻“安全第一,预防为主”的方针,按规定搞好安全防范措施,把安全生产落到实处。在各种经济承包中首先包括安全生产。做到讲效益必须讲安全,抓生产首先抓安全。定期组织进场施工人员进行安全学习。)定期对照建筑施工安全检查表、形象进度表、质量报检表,经常检查生产进度,生产现场的人、财、物全面管理,认真检查及时处理事故隐患。制定分级安全管理技术措施,确保施工全过程的安全生产。)发生重大伤亡事故,重大未遂事故,要保护现场,立即报告,参加事故调查。处理填表上报,落实整改措施、不隐瞒、不虚报、不拖延报告,更不能擅自处理。)工地建立安全岗位责任制和防火措施,督促有关人员做好施工安全各项技术资料。()技术总监岗位职责直接对用户负责,对工程、物料、设备的质量和供应状况,工程质量的定期考察,监管,并提出质量、进度的合理化建议和意见。()专业工程师岗位职责对项目经理负责:对其所设计的系统进行全面专业的技术支持、技术协调、调试及试运行,深化施工图设计,技术变更。对施工图纸包括系统图、平面图、安装接线端子图、设备材料表等所有技术文件的执行。指导施工并负责单机、联机设备调试。负责整理各类验收必备的图纸文件审核,负责操作人员培训,系统维护等。确保系统一次调试成功,性能指标达到设计、使用要求。()施工主管岗位职责第4页共40页第3页共40页编号:时间:2021年x月x日书山有路勤为径,学海无涯苦作舟页码:第4页共40页.施工员作为...

1、当您付费下载文档后,您只拥有了使用权限,并不意味着购买了版权,文档只能用于自身使用,不得用于其他商业用途(如 [转卖]进行直接盈利或[编辑后售卖]进行间接盈利)。
2、本站所有内容均由合作方或网友上传,本站不对文档的完整性、权威性及其观点立场正确性做任何保证或承诺!文档内容仅供研究参考,付费前请自行鉴别。
3、如文档内容存在违规,或者侵犯商业秘密、侵犯著作权等,请点击“违规举报”。

碎片内容

能化系统施工组织设计方案

您可能关注的文档

确认删除?
VIP
微信客服
  • 扫码咨询
会员Q群
  • 会员专属群点击这里加入QQ群
客服邮箱
回到顶部