电脑桌面
添加小米粒文库到电脑桌面
安装后可以在桌面快捷访问

肥料登记流程及表格(XXXX年全)VIP免费

肥料登记流程及表格(XXXX年全)_第1页
1/42
肥料登记流程及表格(XXXX年全)_第2页
2/42
肥料登记流程及表格(XXXX年全)_第3页
3/42
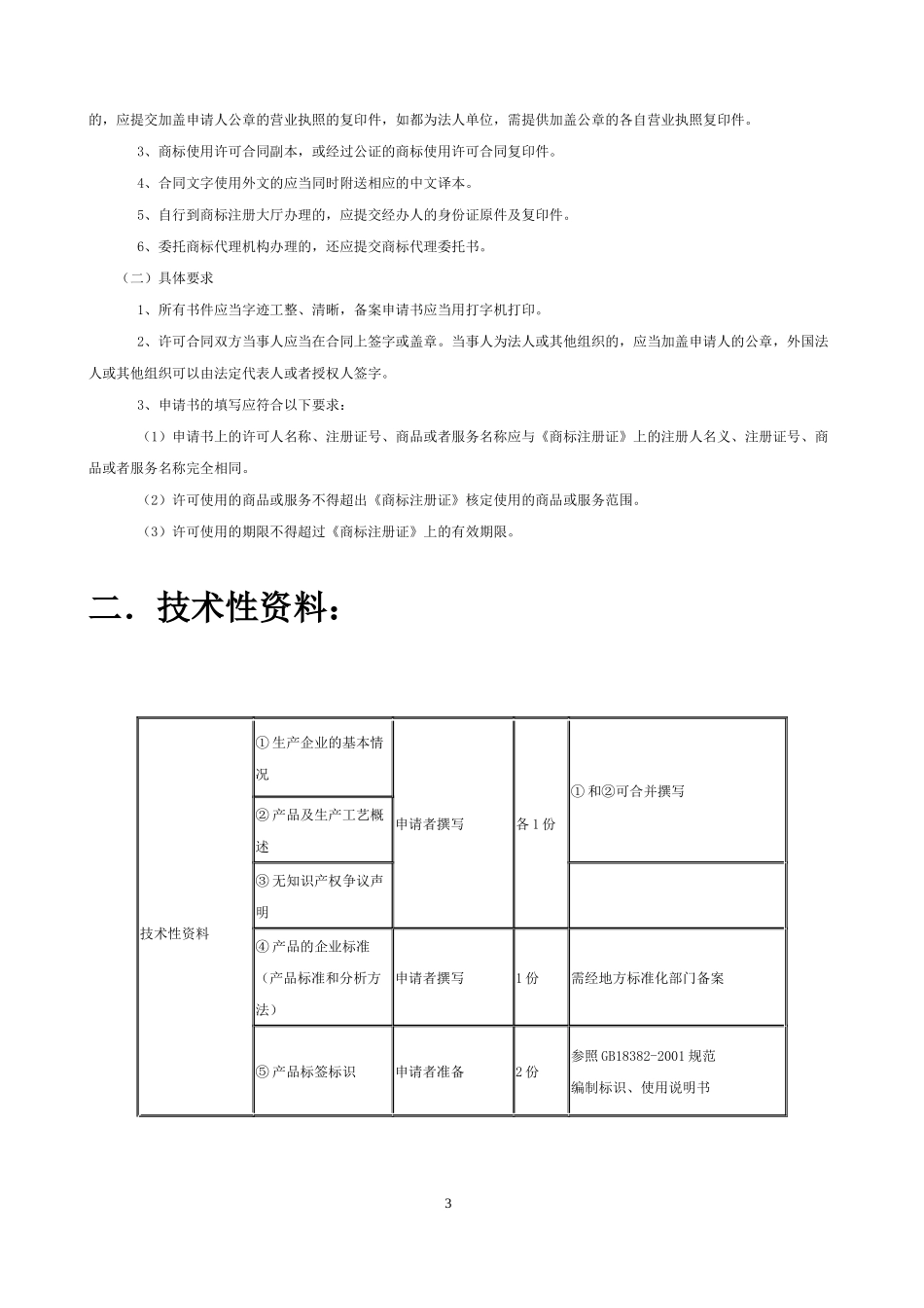
肥料登记资料表一.证明性文本资料:①企业工商注册证:工商局增项一:所需文件1、公司营业执照正、副本;2、法定代表人签署的《公司变更登记申请书》;3、委托他人办理的,需提供《指定代表或者共同代理人证明》,并提供代理人身份证复印件(原件需核对);4、公司章程修正案;5、新的经营范围;6、原公司章程。二、增项流程:1、申请报告;2、公司委托代理人的证明(委托书)以及委托人的工作证或身份证复印件;3、公司法定代表人签署的变更登记申请书;4、依照《公司法》股东会或董事会作出的变更决议,涉及章程变更的应相应修改公司章程;经营范围变更:法律、行政法规规定必须报经审批的项目,国家有关部门的批准文件;5、法律法规规定必须经审批的,国家有关部门的批准文件;6、工商局所发的全套登记表及其他材料;7、提交《企业法人营业执照》正副本和IC卡;8、拿以上资料去工商局,领取新的营业执照;9、变更后15天内,到税务部门办理税务登记证变更(变更后营业执照、税务变更表格、股东会决议、新场所租赁协议或自有产权证明)。注:肥料先经环保局批准。(配方肥可在北京当地的机关审批,生物有机无机肥等含微生物的肥料必须到农科院批准),再填写申请报告按申请项目填写,等工商局核定。在哪注册就在哪进行登项办理。②委托加工办理流程:1.委托企业申请备案应当符合以下条件:1.1取得工商行政管理部门核发的有效营业执照,经营范围应当覆盖申请委托加工备案的产品;1.2申请委托加工备案产品涉及产业政策的,应符合产业政策有关要求;1.3已签订了有效委托加工合同并公证,且委托加工合同必须明确委托企业负责全部产品销售。2被委托企业申请备案应当符合以下条件:2.1取得工商行政管理部门核发的有效营业执照,经营范围应当覆盖申请委托加工备案产品;2.2已获得生产许可证;2.3已签订了有效委托加工合同并公证,且委托加工合同必须明确委托企业负责全部产品销售。3委托企业和被委托企业分别向其所在地省级许可证办公室提出备案申请,并分别提交以下备案申请材料:3.1《全国工业产品生产许可证委托加工备案申请书》一式二份;(P17-P27)3.2委托企业和被委托企业营业执照复印件;3.3被委托企业的生产许可证复印件;3.4公证的委托加工合同复印件。4省级许可证办公室应当自收到委托加工备案申请之日起5日内,进行必要的核实,对符合条件的企业予以备案。对不符合条件的,不予备案并说明理由。③商标使用许可合同的签订及备案:商标注册人可以通过签订商标使用合同,授权许可他人使用其注册商标。许可人应当自商标使用许可合同签订之日起3个月内将合同副本报送商标局备案。许可人办理商标使用许可合同备案手续可以自行到商标局的商标注册大厅办理或者委托国家认可的商标代理机构办理。一、办理步骤(一)委托商标代理机构办理商标使用许可合同备案的,申请人可以自愿选择任何一家国家认可的商标代理机构办理。(二)申请人直接到商标注册大厅办理商标注册申请的,申请人可以按照以下步骤办理:准备申请书件→在商标注册大厅受理窗口提交申请书件→在打码窗口打收文条形码→在交费窗口缴纳备案规费。二、申请书件的准备(一)应提交的申请书件1、一件注册商标许可一个被许可人使用,应提交一份商标使用许可合同备案申请书。2、申请人为自然人的,应当提交能够证明其身份的有效证件的复印件(如身份证等),申请人为法人或其他组织2的,应提交加盖申请人公章的营业执照的复印件,如都为法人单位,需提供加盖公章的各自营业执照复印件。3、商标使用许可合同副本,或经过公证的商标使用许可合同复印件。4、合同文字使用外文的应当同时附送相应的中文译本。5、自行到商标注册大厅办理的,应提交经办人的身份证原件及复印件。6、委托商标代理机构办理的,还应提交商标代理委托书。(二)具体要求1、所有书件应当字迹工整、清晰,备案申请书应当用打字机打印。2、许可合同双方当事人应当在合同上签字或盖章。当事人为法人或其他组织的,应当加盖申请人的公章,外国法人或其他组织可以由法定代表人或者授权人签字。3、申请书的填写应符合以下要求:(1)申请书上的许可人名称、注册证号、商品或者服务名...

1、当您付费下载文档后,您只拥有了使用权限,并不意味着购买了版权,文档只能用于自身使用,不得用于其他商业用途(如 [转卖]进行直接盈利或[编辑后售卖]进行间接盈利)。
2、本站所有内容均由合作方或网友上传,本站不对文档的完整性、权威性及其观点立场正确性做任何保证或承诺!文档内容仅供研究参考,付费前请自行鉴别。
3、如文档内容存在违规,或者侵犯商业秘密、侵犯著作权等,请点击“违规举报”。

碎片内容

肥料登记流程及表格(XXXX年全)

您可能关注的文档

确认删除?
VIP
微信客服
  • 扫码咨询
会员Q群
  • 会员专属群点击这里加入QQ群
客服邮箱
回到顶部