电脑桌面
添加小米粒文库到电脑桌面
安装后可以在桌面快捷访问

郑州大学远程本科土木工程专业《施工组织作业》VIP免费

郑州大学远程本科土木工程专业《施工组织作业》_第1页
1/46
郑州大学远程本科土木工程专业《施工组织作业》_第2页
2/46
郑州大学远程本科土木工程专业《施工组织作业》_第3页
3/46
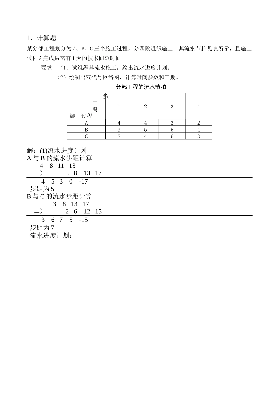
《施工组织》作业课程名称:施工组织姓名:@@@学号:121********日期:2014年4月15日1、计算题某分部工程划分为A、B、C三个施工过程,分四段组织施工,其流水节拍见表所示,且施工过程A完成后需有1天的技术间歇时间。要求:(1)试组织其流水施工,绘出流水进度计划。(2)绘制出双代号网络图,计算时间参数和工期。分部工程的流水节拍施工段施工过程1234A4432B3554C2463解:(1)流水进度计划A与B的流水步距计算481113—)3813174530-17步距为5B与C的流水步距计算381317—)2612153675-15步距为7流水进度计划:序号施工过程施工进度123456789101112131415161718192021222324252627281A2B3C(2)双代号网络图00045189144089011120A1A2A3①②④⑥11121B14103A41314179089614140B214140B319190③⑤⑦19212B423252C1C2C3C4⑧⑩71361415119190252509155181912525028280工期:T=EF11-12=28天二、设计题题目:多层砖混住宅楼一、题目:多层砖混结构住宅楼施工组织设计二、原始资料:本工程为某单位的住宅楼3单元5层,位于郑州市西郊,总建筑面积为2840㎡。该工程为砖混结构,基础埋深为1.5m,采用条形砖基础,砖基础中设钢筋混凝土地圈梁,每层设钢筋混凝土圈梁,内外墙交接处和外墙转角处设构造柱,卫生间、厨房、梁及楼梯采用现浇钢筋混凝土,其余楼盖和屋面采用预制钢筋混凝土空心板。室内地面为水泥砂浆地面,室内装修采用混合砂浆抹灰,仿瓷涂料罩面,外墙采用干粘石。屋面工程采用加气混凝土块保温层,改性沥青卷材防水,上铺架空隔热层。设备安装及水、电、暖工程等配合土建施工。三、地质及环境条件:地形平坦,地下水位位于基底以下2.4m,地下水对建筑物无侵蚀作用,场地内地基承载力为87KN/㎡,本地区土壤最大冻结深度为28cm,雨季为7、8、9三个月,冬季为12月份到第二年的2月份。施工期间主导风向偏南。建筑施工场地较为狭窄,北面为已建建筑,东面和北面为围墙,中心绿地可以作为施工场地占用。四、施工技术经济条件1、预应力空心楼板由工厂预制后汽车运至现场,门窗由工厂加工制作,然后由汽车运至现场。2、现场水、电供应均取自城市管网。3、各种施工机械、运输机具供应根据工程情况调配。4、现场临时设施均现场搭建,搭建要求参见附表2、附表3。5、主要项目工程量见附表1:五、内容和要求1、施工方案选择确定施工总施工程序和施工顺序。划分施工段,确定施工流水方向。选择施工机械类型及台数。确定相应分部分项工程的施工方法。选择脚手架类型。2、编制施工进度计划按照确定的施工顺序和需要的资源,组织流水施工编制出单位工工程的施工进度计划。3、根据进度计划绘制出劳动力需要量曲线。4、根据确定的施工程序和施工顺序绘制单位工程网络计划(可以绘制局部网络图)。5、根据现场条件,进行施工平面图设计。6、设计说明书。六、设计成果1、一号图纸一张:包括施工进度计划;劳动力需要量曲线;网络计划;施工平面图。2、说明书:工程概况;施工方案选择;流水参数确定;保证工程质量及安全的措施。参考资料:1、施工组织设计快速编制手册2、全国统一建筑安装工程工期定额3、建筑安装工程、装饰工程劳动定额4、建筑施工5、建筑施工手册6、工民建专业课程设计指南说明书一、工程概况:(1)本工程为某单位的住宅楼3单元5层,位于郑州市西郊,总建筑面积为2840㎡。该工程为砖混结构,基础埋深为1.5m,采用条形砖基础,砖基础中设钢筋混凝土地圈梁,每层设钢筋混凝土圈梁,内外墙交接处和外墙转角处设构造柱,卫生间、厨房、梁及楼梯采用现浇钢筋混凝土,其余楼盖和屋面采用预制钢筋混凝土空心板。室内地面为水泥砂浆地面,室内装修采用混合砂浆抹灰,仿瓷涂料罩面,外墙采用干粘石。屋面工程采用加气混凝土块保温层,改性沥青卷材防水,上铺架空隔热层。设备安装及水、电、暖工程等配合土建施工。(2)地形平坦,地下水位位于基底以下2.4m,地下水对建筑物无侵蚀作用,场地内地基承载力为87KN/㎡,本地区土壤最大冻结深度为28cm,雨季为7、8、9三个月,冬季为12月份到第二年的2月份。施工期间主导风向偏南。建筑施工场地较为狭窄,北面为已建建筑,东面和北面为围墙,中心绿地...

1、当您付费下载文档后,您只拥有了使用权限,并不意味着购买了版权,文档只能用于自身使用,不得用于其他商业用途(如 [转卖]进行直接盈利或[编辑后售卖]进行间接盈利)。
2、本站所有内容均由合作方或网友上传,本站不对文档的完整性、权威性及其观点立场正确性做任何保证或承诺!文档内容仅供研究参考,付费前请自行鉴别。
3、如文档内容存在违规,或者侵犯商业秘密、侵犯著作权等,请点击“违规举报”。

碎片内容

郑州大学远程本科土木工程专业《施工组织作业》

精品中小学文档+ 关注
实名认证
内容提供者

精品资料,值得下载

确认删除?
VIP
微信客服
  • 扫码咨询
会员Q群
  • 会员专属群点击这里加入QQ群
客服邮箱
回到顶部