电脑桌面
添加小米粒文库到电脑桌面
安装后可以在桌面快捷访问

球阀加工厂总平面布置图(DOC 34页)VIP免费

球阀加工厂总平面布置图(DOC 34页)_第1页
1/35
球阀加工厂总平面布置图(DOC 34页)_第2页
2/35
球阀加工厂总平面布置图(DOC 34页)_第3页
3/35
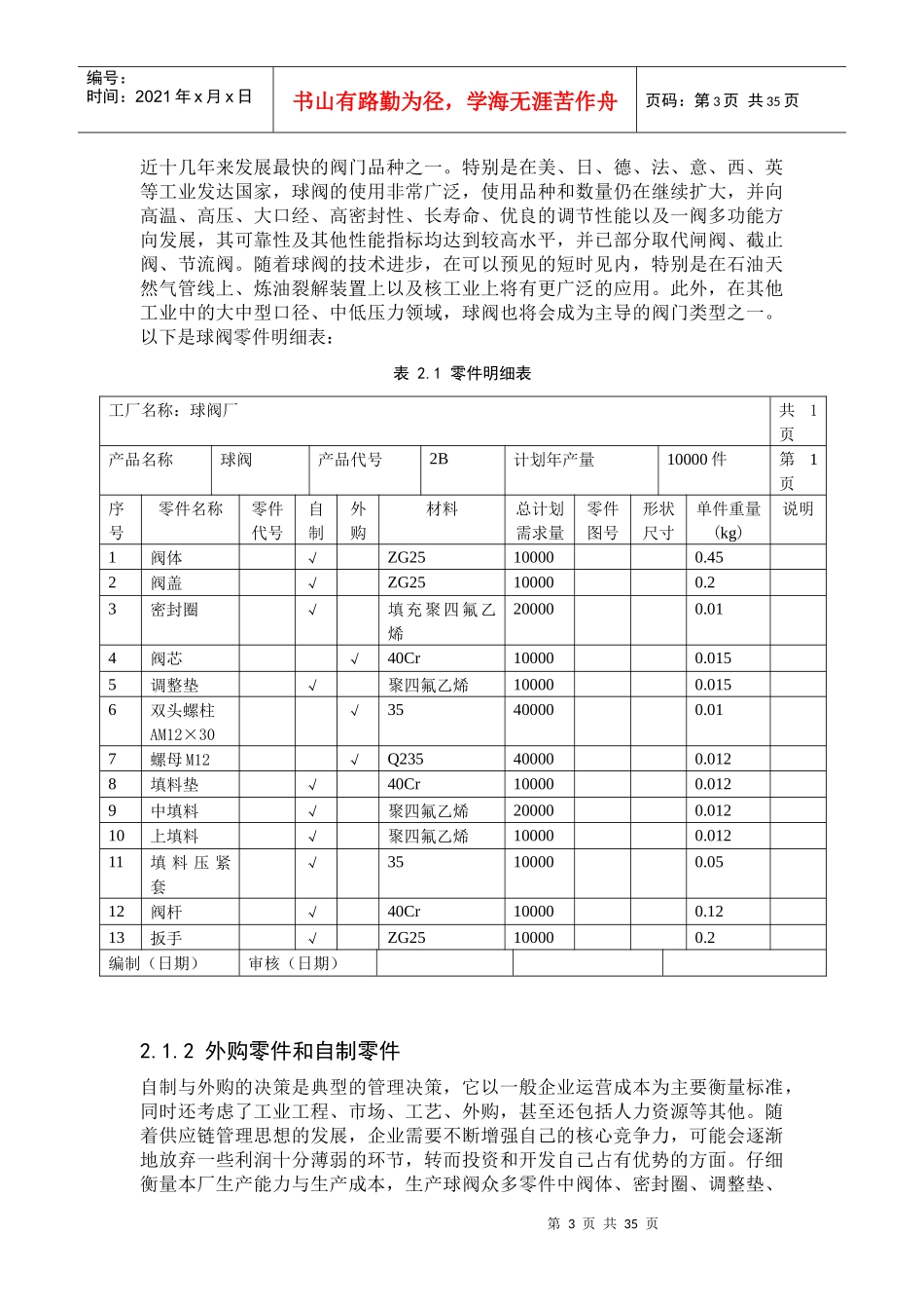
第1页共35页编号:时间:2021年x月x日书山有路勤为径,学海无涯苦作舟页码:第1页共35页第一章球阀厂简介工厂占地面积为25000m,四周环境优雅,空气清新,远离城区闹市,是一个发展的好地方。而且在工厂附近有一些机械加工厂,这样该厂生产球阀的外购零件来的就比较方便,大大减少了产品的生产成本。工厂大概的位置图如下:随着国民经济的迅猛发展,球阀的市场需求量逐年攀升,在很多新型行业中也得到了广泛的应用,而本公司主要生产的金属密封球阀相比于传统的橡胶密封球阀有诸多明显的优势。本工厂的生产计划灵活,除了可以接受中批量的产品订单外,还能根据客户的需要进行调整,以满足绝大多数客户的需求。公路公路北比例1:2000图6-1球阀厂厂区图第2页共35页第1页共35页编号:时间:2021年x月x日书山有路勤为径,学海无涯苦作舟页码:第2页共35页第二章基本要素分析2.1产品产量分析球阀在市场有相当的竞争力,所以他们的产量就计划定在10000件。该产品的装配图如下:图2.1球阀装配图2.1.1球阀简介球阀是由旋塞演变而来的,它的启闭件作为一个球体,利用球体绕阀杆的轴线旋转90o实现开启和关闭的目的。球阀在管道上主要用于切断、分配和改变介质流动方向,设计成V形开口的球阀还具有良好的流量调节功能。球阀不仅结构简单、密封性能好,而且在一定的公称通经范围内体积较小、重量轻、材料耗用少、安装尺寸小,并且驱动力矩小,操作简便、易实现快速启闭,球阀是第3页共35页第2页共35页编号:时间:2021年x月x日书山有路勤为径,学海无涯苦作舟页码:第3页共35页近十几年来发展最快的阀门品种之一。特别是在美、日、德、法、意、西、英等工业发达国家,球阀的使用非常广泛,使用品种和数量仍在继续扩大,并向高温、高压、大口经、高密封性、长寿命、优良的调节性能以及一阀多功能方向发展,其可靠性及其他性能指标均达到较高水平,并已部分取代闸阀、截止阀、节流阀。随着球阀的技术进步,在可以预见的短时见内,特别是在石油天然气管线上、炼油裂解装置上以及核工业上将有更广泛的应用。此外,在其他工业中的大中型口径、中低压力领域,球阀也将会成为主导的阀门类型之一。以下是球阀零件明细表:表2.1零件明细表工厂名称:球阀厂共1页产品名称球阀产品代号2B计划年产量10000件第1页序号零件名称零件代号自制外购材料总计划需求量零件图号形状尺寸单件重量(kg)说明1阀体√ZG25100000.452阀盖√ZG25100000.23密封圈√填充聚四氟乙烯200000.014阀芯√40Cr100000.0155调整垫√聚四氟乙烯100000.0156双头螺柱AM12×30√35400000.017螺母M12√Q235400000.0128填料垫√40Cr100000.0129中填料√聚四氟乙烯200000.01210上填料√聚四氟乙烯100000.01211填料压紧套√35100000.0512阀杆√40Cr100000.1213扳手√ZG25100000.2编制(日期)审核(日期)2.1.2外购零件和自制零件自制与外购的决策是典型的管理决策,它以一般企业运营成本为主要衡量标准,同时还考虑了工业工程、市场、工艺、外购,甚至还包括人力资源等其他。随着供应链管理思想的发展,企业需要不断增强自己的核心竞争力,可能会逐渐地放弃一些利润十分薄弱的环节,转而投资和开发自己占有优势的方面。仔细衡量本厂生产能力与生产成本,生产球阀众多零件中阀体、密封圈、调整垫、第4页共35页第3页共35页编号:时间:2021年x月x日书山有路勤为径,学海无涯苦作舟页码:第4页共35页阀芯、填料垫、中填料、上填料、填料压聚套和阀杆分别由其厂内机加工车间自制。而所需标准通用件螺母和螺柱,由于自制利润率很低且外购条件方便、质量良好,故决定外购。分类记录外购与自制零件情况如下:表2.2外购零件价格表外购零件价格表序号零件名称型号材料数量单件价格/元1螺柱AM12×30(GB/T897-1988)3540.52螺母M12(GB/T6170-2000)Q23540.53阀芯40Cr1表2.3自制零件明细表自制零件明细表序号零件名称零件代号材料数量1阀体ZG2512阀盖ZG2513密封圈填充聚四氟乙烯24调整垫聚四氟乙烯15填料垫40Cr16中填料聚四氟乙烯27上填料聚四氟乙烯18填料压聚套3519阀杆40Cr110扳手ZG2512.2工艺过程分析2.2.1加工过程及作业单位分析任何物料在其加工过程中所进...

1、当您付费下载文档后,您只拥有了使用权限,并不意味着购买了版权,文档只能用于自身使用,不得用于其他商业用途(如 [转卖]进行直接盈利或[编辑后售卖]进行间接盈利)。
2、本站所有内容均由合作方或网友上传,本站不对文档的完整性、权威性及其观点立场正确性做任何保证或承诺!文档内容仅供研究参考,付费前请自行鉴别。
3、如文档内容存在违规,或者侵犯商业秘密、侵犯著作权等,请点击“违规举报”。

碎片内容

球阀加工厂总平面布置图(DOC 34页)

您可能关注的文档

精品中小学文档+ 关注
实名认证
内容提供者

精品资料,值得下载

确认删除?
VIP
微信客服
  • 扫码咨询
会员Q群
  • 会员专属群点击这里加入QQ群
客服邮箱
回到顶部