电脑桌面
添加小米粒文库到电脑桌面
安装后可以在桌面快捷访问

项目一:工程测量仪VIP免费

项目一:工程测量仪_第1页
1/6
项目一:工程测量仪_第2页
2/6
项目一:工程测量仪_第3页
3/6
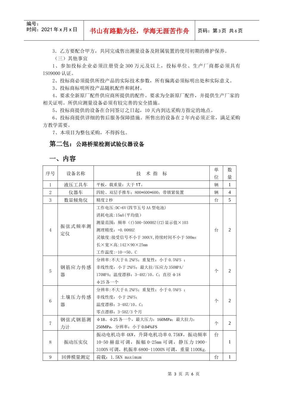
第1页共6页编号:时间:2021年x月x日书山有路勤为径,学海无涯苦作舟页码:第1页共6页天津交通职业学院2010年路桥实训设备招标项目及要求1.项目清单及要求项目名称、规格和配置要求、数量。包号货物名称技术规格、配置要求及数量第一包工程测量仪器详见技术要求第二包公路桥梁检测试验仪器设备2.技术要求:第一包:工程测量仪器一、项目内容序号设备名称技术指标单位数量1GPS1.主机特性:天宝双星主板,主机内存:64Mflash闪存;2.主机必须带有液晶显示屏:可以随时查看卫星状态及设置模式,启动基站不需要手簿。3,主机在做动态的同时可以采集静态测量数据,达到功能两用。4、RTK主机内置电台作基站时可以内发射,转换成移动站可以接收,即内置电台接收、发射两用。5、主机电池内置,不可拆卸。6、产品具有技术监督局颁发的《制造计量器具许可证》及《计量器具型式批准证书》。7、手簿是520MHZCPU处理器且操作系统必须是中文,手簿具有数字及英文输入键,屏幕为触摸式彩色液晶显示屏。8、精度:静态:水平±3mm+1ppm高程±5mm+1ppmRTK作业时水平±1cm+1ppm垂直±2cm+1ppm.作用距离:静态:≥80kmRTK:内置电台≥5km,外接电台≥15km,VRS不受距离限制(注:精度以技术监督局颁发的《制造计量器具许可证》为准)。9、手簿内置工程应用软件和现场成图软件,外业绘制图形可带符号属性直接导入成图软件,无需编辑。每套含:木脚架3副、基座3套。套4第2页共6页第1页共6页编号:时间:2021年x月x日书山有路勤为径,学海无涯苦作舟页码:第2页共6页2全站仪1、Windows中文视窗操作系统;大屏幕,彩色触摸屏;2、带激光免棱镜功能,测程:300m;3、单棱镜测程:5km;4、内置成图软件,内置工程运用软件;5、绝对编码度盘;6、拥有二种数据方式:SD卡,USB数据通讯。7、测角精度2秒,测距精度±(2mm+2ppm*D)。主机一台,棱镜组(带对中基座)一套,简易棱镜组一套(含觇板),主机原装脚架三副,棱镜脚架一副,2.15米对中杆及支架两副,数据传输线1根。提供样机,并可当场测试。台183水准仪1、精度±0.3mm;2、能按键进行补偿器检查。3、可选配目镜增加望远镜放大倍数。4、标准放大倍率32倍;5、工作温度-20℃到+50℃;6、补偿器工作范围<15’;脚架1副,2米铟钢尺1对;徕卡平板测微器1块;尺垫1对。台24自动成图软件1、基于AutoCAD图形平台,支持AutoCAD2002至AutoCAD2010版本,采用ObjectARX开发技术。2、采用真彩色XP风格界面、全新的CELL技术。3、具有地形成图、地籍成图、工程应用三大功能,且全面面向GIS,彻底打通数字化成图系统与GIS接口。4、具备丰富的图形编辑功能、图形复制、属性拷贝、微导线、线跟踪等。5、采用拓扑结构DTM,增删顶点能自动重新组网。能处理地性线,可自动生成等高线。6、具有完善的地形图示符号库,符合国家最新的地形图式标准,提供自定义符号接口。7、不少于四种的多种完善的土方计算方法8、具备城市部件调查技术8、完善的数据质量检查功能9、图形结构采用图形编辑效率高的骨架线技术、编组技术。10、具备城乡地籍、土地利用功能、可输出WORD格式勘测定界报告书;网络版(10节点),含全套软件系统。套1二、要求(一)售后服务乙方对所售出的测量设备及附属装置规定保质期三年(从甲方启封包装之日计算),用户享受以下权益:1.甲方享受乙方提供的终身免费技术咨询服务。2.乙方对所售出的测量设备及附属装置保证三年内免费维修。3.保证期后,乙方仍为甲方提供有偿服务,有关服务内容和收费标准另行协商。4.乙方对所售出的测量设备及附属装置,必须配套齐全(如:充电器、电池、备用电池及配套工具),由技术人员完成组装,并逐台进行首次实际运行操作。5.乙方对所售出的测量设备及附属装置,提供完整技术资料(如:产品合格证、整套设备清单、使用说明书等)。6.按甲方要求免费提供与所购测量设备及附属装置相关技术资料。(二)培训办法1.乙方派技术人员到甲方指定地点、时间进行与售出测量设备及附属装置相关的使用及日常维护培训。2.甲方购买乙方产品后,可随时派1-2人到乙方进行测量设备及附属装置的使用、维护、保养、校检技术的免费培训(学会为止)。第3...

1、当您付费下载文档后,您只拥有了使用权限,并不意味着购买了版权,文档只能用于自身使用,不得用于其他商业用途(如 [转卖]进行直接盈利或[编辑后售卖]进行间接盈利)。
2、本站所有内容均由合作方或网友上传,本站不对文档的完整性、权威性及其观点立场正确性做任何保证或承诺!文档内容仅供研究参考,付费前请自行鉴别。
3、如文档内容存在违规,或者侵犯商业秘密、侵犯著作权等,请点击“违规举报”。

碎片内容

项目一:工程测量仪

您可能关注的文档

确认删除?
VIP
微信客服
  • 扫码咨询
会员Q群
  • 会员专属群点击这里加入QQ群
客服邮箱
回到顶部