电脑桌面
添加小米粒文库到电脑桌面
安装后可以在桌面快捷访问

顶管施工中几个小改进VIP免费

顶管施工中几个小改进_第1页
1/7
顶管施工中几个小改进_第2页
2/7
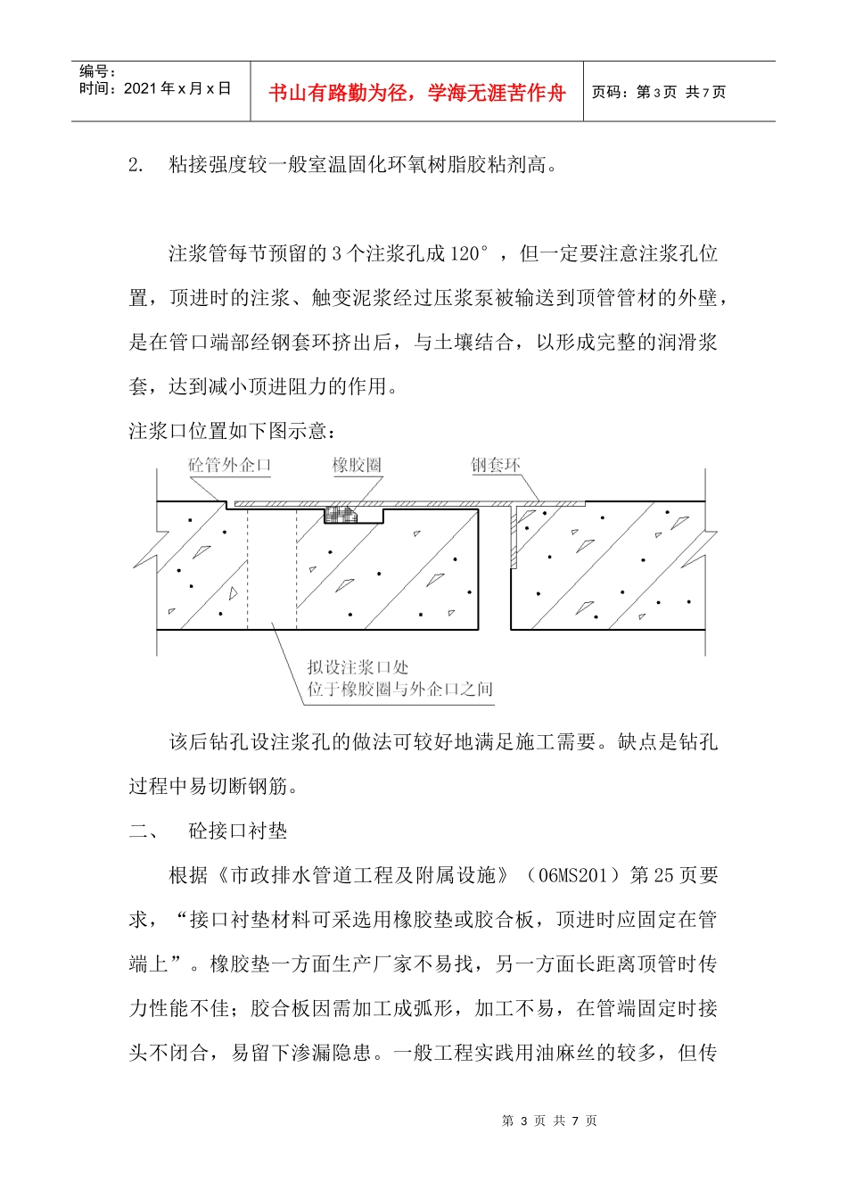
顶管施工中几个小改进_第3页
3/7
第1页共7页编号:时间:2021年x月x日书山有路勤为径,学海无涯苦作舟页码:第1页共7页顶管施工工艺中的几项小革新中建七局四公司基础设施分公司刘兴春一、后设注浆孔目前实现长距离顶管施工的技术保证措施,除了设置中继间外,更重要的是通过注浆工艺来减小管材与土壤的摩擦阻力。如果使用下式估算,顶进压力管材承受能力以上时,应采用注浆。顶力计算经验公式如下:P=10KμπLD式中:P一主顶推力(kN);K—安全系数(1—1.3,一般取1);μ一摩擦系数(0.9天津取值);π—圆周率;L—顶进长度(m);D—管材外径(m)。泥水平衡式和土压平衡式顶管为封闭式顶进,由于封闭式掘进机顶进过程中产生迎面阻力P迎(kN/m2),这时的土压平衡或泥水平衡式摩擦系数为:μ=(P-P迎)/(10KπLD)式中:P迎一掘进机头截面积与土压力的乘积。采用注浆工艺润滑、减阻后可以使顶距提高40%一70%。在计划顶管管材时应有注浆管材,带有注浆孔的管材应不少于总数的三分之一。限于各地的管材实际生产能力,在有些地区进行顶管施工时,经常发现现有管材注浆孔无法满足实际施工需要,可采用后设注浆孔的办法。它的基本思路是在强度已达到设计要求的砼管外壁上用钢筋砼钻孔机械打孔,然后用高性能的胶粘剂固定注浆管内丝接口,达到与预设注浆孔同样的效果。施工工艺:钻孔—涂胶—安放顶丝—固化钻孔可采用水钻。如下图示意:第2页共7页第1页共7页编号:时间:2021年x月x日书山有路勤为径,学海无涯苦作舟页码:第2页共7页注浆管内丝接口可采用1寸内丝直接,如下图示意:注意因系粘接,故钻孔孔壁和内丝接头的外表面粗糙度对粘接牢固程度有很大影响,砼上的孔壁宜用人口剔毛,内丝接头宜用外壁带有微肋的。胶粘剂采用室温快干环氧树脂胶粘剂(914胶粘剂),它具有以下特点:1.可于室温迅速固化,17~20℃、2.5小时内基本固化完全;第3页共7页第2页共7页编号:时间:2021年x月x日书山有路勤为径,学海无涯苦作舟页码:第3页共7页2.粘接强度较一般室温固化环氧树脂胶粘剂高。注浆管每节预留的3个注浆孔成120°,但一定要注意注浆孔位置,顶进时的注浆、触变泥浆经过压浆泵被输送到顶管管材的外壁,是在管口端部经钢套环挤出后,与土壤结合,以形成完整的润滑浆套,达到减小顶进阻力的作用。注浆口位置如下图示意:该后钻孔设注浆孔的做法可较好地满足施工需要。缺点是钻孔过程中易切断钢筋。二、砼接口衬垫根据《市政排水管道工程及附属设施》(06MS201)第25页要求,“接口衬垫材料可采选用橡胶垫或胶合板,顶进时应固定在管端上”。橡胶垫一方面生产厂家不易找,另一方面长距离顶管时传力性能不佳;胶合板因需加工成弧形,加工不易,在管端固定时接头不闭合,易留下渗漏隐患。一般工程实践用油麻丝的较多,但传第4页共7页第3页共7页编号:时间:2021年x月x日书山有路勤为径,学海无涯苦作舟页码:第4页共7页统做法是在顶进过程两管即将接触前将油麻丝塞入,一方面无法检查是否管周全部塞实,易存在偷工减料的现象,另一方面塞的不均匀,也影响管壁受力的均匀度。宜按如下图做法:采用下管前固定,既宜于检查,又满足设计要求。油麻丝的性能指标如下:1、外观质量(1)纤维中不应有干皮、有结纤维、霉烂纤维。(2)色泽呈浅黄或黄棕色,理束整齐。2、性能指标:长度cm≥95束纤维强力N/g300m≥880第5页共7页第4页共7页编号:时间:2021年x月x日书山有路勤为径,学海无涯苦作舟页码:第5页共7页含杂率%≤2.5回潮率%≤13三、吊钩顶管一般设计要求采用钢承插口,传统做法下为保护钢承口采用如下做法,在吊装钢丝绳下加一段长30cm左右的开口钢管,以分散钢丝绳传来的局部压力,但仍不可避免地对钢承口圈造成较大的变形破坏。经实践口摸索,采用如下形式的钢板加工而成的吊钩,可有效地保护钢承口,且更安全。第6页共7页第5页共7页编号:时间:2021年x月x日书山有路勤为径,学海无涯苦作舟页码:第6页共7页吊钩截面宜通过验算确定。四、配套胶圈国家建筑标准设计图集06MS201《市政排水管道及附属设施》06MS201-1第25页要求,“接口橡胶圈采用滑动橡胶圈,其性能指标应符合本图集附录三的规定,并与管材配套供应”。实际施工...

1、当您付费下载文档后,您只拥有了使用权限,并不意味着购买了版权,文档只能用于自身使用,不得用于其他商业用途(如 [转卖]进行直接盈利或[编辑后售卖]进行间接盈利)。
2、本站所有内容均由合作方或网友上传,本站不对文档的完整性、权威性及其观点立场正确性做任何保证或承诺!文档内容仅供研究参考,付费前请自行鉴别。
3、如文档内容存在违规,或者侵犯商业秘密、侵犯著作权等,请点击“违规举报”。

碎片内容

顶管施工中几个小改进

您可能关注的文档

确认删除?
VIP
微信客服
  • 扫码咨询
会员Q群
  • 会员专属群点击这里加入QQ群
客服邮箱
回到顶部