电脑桌面
添加小米粒文库到电脑桌面
安装后可以在桌面快捷访问

项目七电喷发动机燃油供给系统排故VIP免费

项目七电喷发动机燃油供给系统排故_第1页
1/4
项目七电喷发动机燃油供给系统排故_第2页
2/4
项目七电喷发动机燃油供给系统排故_第3页
3/4
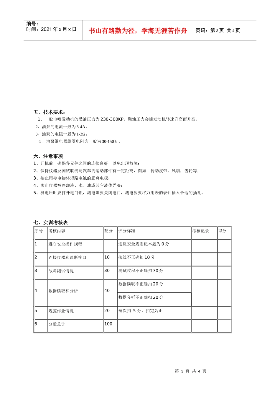
第1页共4页编号:时间:2021年x月x日书山有路勤为径,学海无涯苦作舟页码:第1页共4页项目八电喷发动机燃油供给系统排故一、实训内容与要求(1)理解燃油供给系统简单故障排除的基本方法。(2)掌握电喷发动机燃油供给系统故障诊断的基本分析方法和基本工艺过程。(3)了解电喷发动机燃油供给系统其常见故障的诊断与排除方法。二、实训学时10.5学时三、实训器材丰田5S-FE发动机、油压表、解码器、螺丝刀等。四、操作内容(一)系统介绍燃油供给系统简称供油系统,其功用是向发动机各个气缸供给混合气燃烧所需的燃油量。燃油喷射式发动机供油系统的结构如图(8-1),主要出燃油箱、电动燃油泵、输油管、燃油滤清器、油压调节器、燃油分配管、喷油器和回油管等组成。燃油分配管又称为供油总管或油架。图8-1发动机工作时,汽油泵工作,将油箱内的燃油泵入供油系统,供油系统的油压由油压调节器调节,一般控制在高于进气管压力300kPa左右。喷入发动机气缸内的燃油流过的路径为:汽油箱—汽油泵—输油管—汽油滤清器—燃油分配管—喷油器。喷油器将燃油喷射在进气门附近(缸内喷射系统则直接喷入气缸)。当发动机工作、进气门打开时再吸入气缸燃烧作功。当汽油泵泵入供油系统的燃油增多,油路中的油压升高时,油压调节器将自动调节燃油系统压力。保证供给喷油器的油压基本不变。供油系统过剩的燃油由回油管流回油箱,回油路径为:汽油箱—汽油泵—输油管—汽油滤清器—燃油分配管—油压调节器—回油管—油箱。电动汽油泵将汽油从油箱里泵出,先经汽油滤清器过滤,再经油压调节器调节油压,使油路中的油压高于进气管负压300KPa左右,最后经燃油分配管分配到各缸喷油器,喷油器根据电控单元ECU的指令将汽油适时喷在节气门附近。第2页共4页第1页共4页油箱内油量正常,接上油压表起动马达起动时油压正常,起动后油压下降则为FC线圈及FC线路故障起动时油压也不正常则在诊断座上跨接+B与FP电流为0A则为:油泵、油泵搭铁线、油泵火线等故障。电流过大则为:FP线路短路;油泵短路;油泵滤网、油管、滤清等堵塞等原因。。电流过小则为:油泵线路接触不良线阻过大,油泵电阻过大等原因。电流正常但油压不正常则为:油箱内无油、油泵线接反、油泵上油管破损,油箱进出油管接反等原因。油压不正常则说明:故障在油泵部分则应诊断座上测+B与FP的电流油压正常则说明:故障在油泵继电器部分起动马达时观察油泵继电器是否有无声响有声响则说明油泵继电器控制电路正常:则应该查油泵继电器被控制电路,如油泵继电器火线+B、继电器触点等。无声响则说明油泵继电器控制电路有故障:则应该检查STA保险、STA线路、油泵继电器STA线圈、油泵继电器的搭铁线。发动机燃油压力不能建立,先检查油箱的油量编号:时间:2021年x月x日书山有路勤为径,学海无涯苦作舟页码:第2页共4页(二)丰田车系燃油系统常见故障检查一)燃油供给系电控线路图8-2图8-2二)燃油供给系故障现象、具体检查的方法与步骤1、无油压现象:发动机不能正常启动,汽车在行驶中缓慢熄火。开电门无听到油泵预供油声,马达在运转时打开油箱盖无听到回油声,或油泵运转响。2、丰田5S-FE发动机无油压的排除流程如下:第3页共4页第2页共4页编号:时间:2021年x月x日书山有路勤为径,学海无涯苦作舟页码:第3页共4页五、技术要求:1、一般电喷发动机的燃油压力为230-300KP,燃油压力会随发动机转速升高而升高。2、油泵的电流一般为3-4A。3、油泵的电阻一般为1-2Ω。4、油泵继电器线圈电阻为一般为30-150Ω。六、注意事项1、开机前,确保各元件之间的连接良好,以免出现故障;2、保持仪器及测试联线与汽车的运动部件有一定距离,例如:传动皮带、风扇,齿轮等;3、禁止用导电物体短路电池的正负电极;4、防止仪器被冷却液、水、油或其它液体弄湿;5、测电压时要打开电门锁,测电阻要关闭电门,测电流要将万用表的表针插入合适的插孔。七、实训考核表序号考核内容配分评分标准考核记录得分1遵守安全操作规程违反安全规则记本题为0分2连接仪器和诊断接口10接线不正确扣10分3故障测试情况30测试过程不正确扣30分4数据读取和分析40数据读取不正确扣20分...

1、当您付费下载文档后,您只拥有了使用权限,并不意味着购买了版权,文档只能用于自身使用,不得用于其他商业用途(如 [转卖]进行直接盈利或[编辑后售卖]进行间接盈利)。
2、本站所有内容均由合作方或网友上传,本站不对文档的完整性、权威性及其观点立场正确性做任何保证或承诺!文档内容仅供研究参考,付费前请自行鉴别。
3、如文档内容存在违规,或者侵犯商业秘密、侵犯著作权等,请点击“违规举报”。

碎片内容

项目七电喷发动机燃油供给系统排故

确认删除?
VIP
微信客服
  • 扫码咨询
会员Q群
  • 会员专属群点击这里加入QQ群
客服邮箱
回到顶部