电脑桌面
添加小米粒文库到电脑桌面
安装后可以在桌面快捷访问

项目一发动机曲柄连杆机构与机体组件拆装考核VIP免费

项目一发动机曲柄连杆机构与机体组件拆装考核_第1页
1/6
项目一发动机曲柄连杆机构与机体组件拆装考核_第2页
2/6
项目一发动机曲柄连杆机构与机体组件拆装考核_第3页
3/6
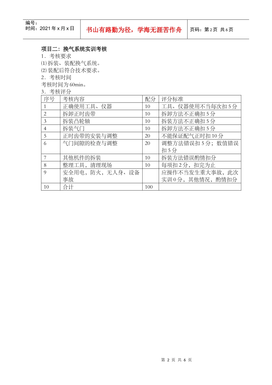
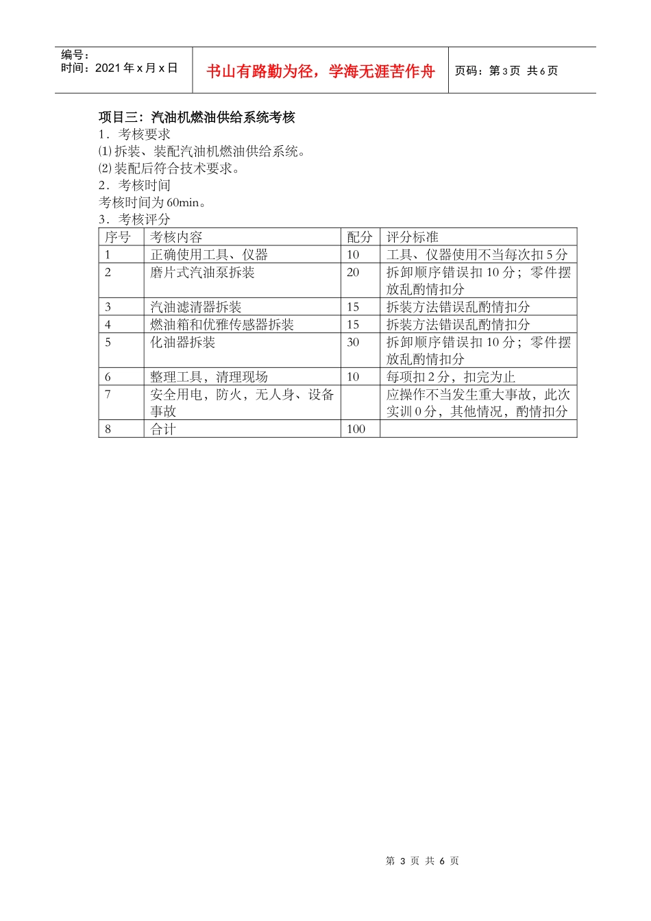
第1页共6页编号:时间:2021年x月x日书山有路勤为径,学海无涯苦作舟页码:第1页共6页项目一:发动机曲柄连杆机构与机体组件拆装考核1.考核要求⑴正确拆装曲柄连杆机构。⑵熟练检查机体组件。2.考核时间考核时间为60min。3.实验设备4.考核评分序号考核内容配分评分标准1正确使用工具、仪器10工具、仪器使用不当每次扣5分2拆卸机体组件10拆卸方法不正确每次扣5分3拆装活塞连杆组件10拆卸方法不正确每次扣5分;不作标记、摆放不按顺序扣5分4拆卸曲轴飞轮组件10拆卸方法不正确每次扣5分5机体上平面翘曲度的检查10检查不正确每次扣3分6气缸磨损程度测量10检查不正确每次扣5分7活塞环侧间隙和开口间隙测量10检查不正确每次扣5分8连杆的弯曲与扭曲的检查10检查不正确每次扣5分9曲轴磨损量、轴向间隙和各径向间隙的检查15检查不正确每次扣5分10操作现场整洁,安全用电,防火,无人身、设备事故15应操作不当发生重大事故,此次实训0分,其他情况,酌情扣分11合计100第2页共6页第1页共6页编号:时间:2021年x月x日书山有路勤为径,学海无涯苦作舟页码:第2页共6页项目二:换气系统实训考核1.考核要求⑴拆装、装配换气系统。⑵装配后符合技术要求。2.考核时间考核时间为60min。3.考核评分序号考核内容配分评分标准1正确使用工具、仪器10工具、仪器使用不当每次扣5分2拆卸正时齿带10拆卸方法不正确扣5分3拆装凸轮轴10拆装方法不正确扣5分4拆装气门10拆卸方法不正确扣5分5正时齿带的安装与调整20不能保证配气正时扣10分6气门间隙的检查与调整20调整方法错误扣5分;数值错误扣5分7其他机件的拆装10拆装方法错误酌情扣分8整理工具,清理现场10每项扣2分,扣完为止9安全用电,防火,无人身、设备事故应操作不当发生重大事故,此次实训0分,其他情况,酌情扣分10合计100第3页共6页第2页共6页编号:时间:2021年x月x日书山有路勤为径,学海无涯苦作舟页码:第3页共6页项目三:汽油机燃油供给系统考核1.考核要求⑴拆装、装配汽油机燃油供给系统。⑵装配后符合技术要求。2.考核时间考核时间为60min。3.考核评分序号考核内容配分评分标准1正确使用工具、仪器10工具、仪器使用不当每次扣5分2磨片式汽油泵拆装20拆卸顺序错误扣10分;零件摆放乱酌情扣分3汽油滤清器拆装15拆装方法错误乱酌情扣分4燃油箱和优雅传感器拆装15拆装方法错误乱酌情扣分5化油器拆装30拆卸顺序错误扣10分;零件摆放乱酌情扣分6整理工具,清理现场10每项扣2分,扣完为止7安全用电,防火,无人身、设备事故应操作不当发生重大事故,此次实训0分,其他情况,酌情扣分8合计100第4页共6页第3页共6页编号:时间:2021年x月x日书山有路勤为径,学海无涯苦作舟页码:第4页共6页项目四:柴油机燃油供给系统考核1.考核要求⑴拆装、装配柴油机燃油供给系统。⑵装配后符合技术要求。2.考核时间考核时间为60min。3.考核评分序号考核内容配分评分标准1正确使用工具、仪器10工具、仪器使用不当每次扣5分2柱塞式喷油泵拆装25拆卸顺序错误每次扣5分;零件摆放乱酌情扣分3分配式喷油泵拆装25拆卸顺序错误每次扣5分;零件摆放乱酌情扣分4喷油器拆装与检查30拆卸顺序错误每次扣10分;零件摆放乱酌情扣分6整理工具,清理现场10每项扣2分,扣完为止7安全用电,防火,无人身、设备事故应操作不当发生重大事故,此次实训0分,其他情况,酌情扣分8合计100第5页共6页第4页共6页编号:时间:2021年x月x日书山有路勤为径,学海无涯苦作舟页码:第5页共6页项目五:发动机冷却系统实训考核1.考核要求⑴拆装、装配冷却系统。⑵装配后符合技术要求。2.考核时间考核时间为60min。考核评分序号考核内容配分评分标准1正确使用工具、仪器10工具、仪器使用不当每次扣5分2冷却系统总体拆装10拆卸方法不正确扣5分3拆装离心式水泵20拆装方法不正确扣10分4节温器的检查15检查判断不正确扣10分5散热器的拆装15拆装方法不正确扣10分6整理工具,清理现场10每项扣2分,扣完为止7冷却水循环分析20分析错误一次扣10分8安全用电,防火,无人身、设备事故应操作不当发生重大事故,此次实训0分,其他情况,酌情扣分9合计100第6页共6页第5页共6页编号:时间:2021年x月x...

1、当您付费下载文档后,您只拥有了使用权限,并不意味着购买了版权,文档只能用于自身使用,不得用于其他商业用途(如 [转卖]进行直接盈利或[编辑后售卖]进行间接盈利)。
2、本站所有内容均由合作方或网友上传,本站不对文档的完整性、权威性及其观点立场正确性做任何保证或承诺!文档内容仅供研究参考,付费前请自行鉴别。
3、如文档内容存在违规,或者侵犯商业秘密、侵犯著作权等,请点击“违规举报”。

碎片内容

项目一发动机曲柄连杆机构与机体组件拆装考核

您可能关注的文档

确认删除?
VIP
微信客服
  • 扫码咨询
会员Q群
  • 会员专属群点击这里加入QQ群
客服邮箱
回到顶部