电脑桌面
添加小米粒文库到电脑桌面
安装后可以在桌面快捷访问

高速公路特大桥施工组织设计方案VIP专享VIP免费

高速公路特大桥施工组织设计方案_第1页
1/38
高速公路特大桥施工组织设计方案_第2页
2/38
高速公路特大桥施工组织设计方案_第3页
3/38
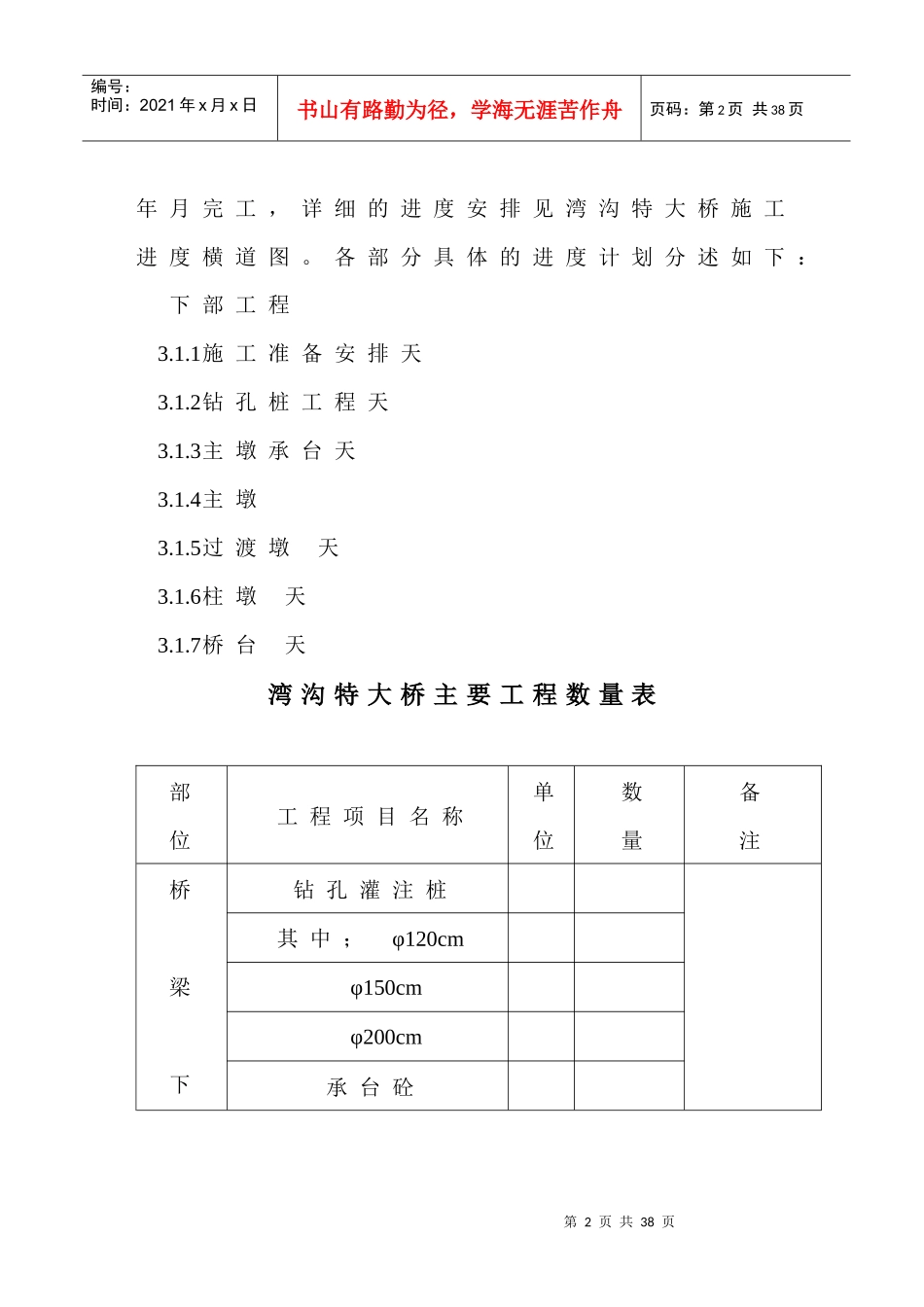
第1页共38页编号:时间:2021年x月x日书山有路勤为径,学海无涯苦作舟页码:第1页共38页二、湾沟特大桥施工方案、工程概况及特点工程概况:湾沟特大桥位于西果园以南约公里的湾沟,中心里程为,为跨深沟而设。湾沟大桥采用64m的连续刚构桥,下部为双薄壁墩,钻孔桩基础;兰州岸引桥上部为孔30m连续箱梁,临洮岸为孔30m连续箱梁,下部为柱式墩台,钻孔桩基础。主引桥之间设空心薄壁过渡墩。工程特点:湾沟特大桥两岸为山坡,桥下山沟狭窄,桥面距沟心最低处约78m。湾沟特大桥主跨为连续刚构桥,而且位于曲线上。桥上纵坡为,是本段最复杂的桥梁工程之一。、主要工程数量该桥主要工程数量见表(见下页)、工程进度计划安排湾沟特大桥施工计划安排个月,自年月开工,第2页共38页第1页共38页编号:时间:2021年x月x日书山有路勤为径,学海无涯苦作舟页码:第2页共38页年月完工,详细的进度安排见湾沟特大桥施工进度横道图。各部分具体的进度计划分述如下:下部工程3.1.1施工准备安排天3.1.2钻孔桩工程天3.1.3主墩承台天3.1.4主墩3.1.5过渡墩天3.1.6柱墩天3.1.7桥台天湾沟特大桥主要工程数量表部位工程项目名称单位数量备注桥梁下钻孔灌注桩其中;φ120cmφ150cmφ200cm承台砼第3页共38页第2页共38页编号:时间:2021年x月x日书山有路勤为径,学海无涯苦作舟页码:第3页共38页部桥墩砼桥台砼引桥上部30m箱型梁片箱梁砼湿接缝砼沥青砼—防水层伸缩缝—护栏主桥上部箱梁桥面铺装砼沥青砼—防水层护栏主桥上部工程(悬壁梁部分)3.2.1施工准备天块及块现浇天3.2.3挂蓝首次安装及调试安排天(含预压)第4页共38页第3页共38页编号:时间:2021年x月x日书山有路勤为径,学海无涯苦作舟页码:第4页共38页至段安装天(按平均每七天一个施工周期)3.2.5直线段现浇工期天,可与悬灌段平行作业,不占用总工期。3.2.6次边跨合拢、主跨合拢共天(含拆挂蓝)3.2.7桥面铺装等附原工程安排天引桥上部工程3.3.1施工准备天3.3.2箱梁预制天3.3.3箱梁架设天3.3.4顶横梁天3.3.5箱梁湿接缝天3.3.6拆除临时支座,完成体等转换天3.3.7桥面铺装等附属工程安排天、施工队伍安排及机械配置施工队伍安排4.1.1桥梁一队,共人。承担全桥根桩的施工任务,进场台钻机。4.1.2桥梁二队,共人。承担主桥桥墩、过渡墩、连续箱梁悬灌工程和桥面等附属工程的施第5页共38页第4页共38页编号:时间:2021年x月x日书山有路勤为径,学海无涯苦作舟页码:第5页共38页工。.1.3桥梁三队,共人承担引桥桥墩、桥台、30m箱型梁的预制、架设、墩顶横梁、湿接、桥面等附属工程的施工。机械设备配置根据该工程的具体特点,为保证按时保质保量的完成特大桥的施工任务,我局抽调了较先进的机械设备,投入本工程的施工。具体详见表:拟投入本合同工程的主要施工机械表湾沟特大桥主桥使用两台塔吊,引桥使用汽车吊。、施工现场平面布置及临时工程施工现场平面布置见湾沟特大桥施工现场平面布置图。5.1.1施工一队营房及施工场地设在主桥的右侧,与二队共用砼搅拌站及加工场地。5.1.2施工二队营房及施工场地设在主桥的右侧。5.1.3施工三队营房及30m梁预制场设在湾沟第6页共38页第5页共38页编号:时间:2021年x月x日书山有路勤为径,学海无涯苦作舟页码:第6页共38页特大桥临洮方路线上,土方施工队先施工段路基,及预制场场地平整。为引桥的施工制造条件。临时工程:5.2.1施工便道()自原国道曹家咀至湾沟特大桥兰台沿山转折返修一条便道,长度1800m,宽3.5m。()自原国道曹家咀至湾沟特大桥主桥下施工现场修一条便道长1100m,宽3.5m。()自原国道青岗岔至湾沟特大桥临洮台沿山转折返修一条便道,长2100m,宽3.5m。5.2.2施工用电就近利用当地家电,安装一台的弯压器,输电线路一公里。为了保证施工正常进行,并自备发电机台发电机一台。5.2.3施工用水在山下桥的右侧打井一眼,深25m,在山上修一高位蓄水池,容量60m3。三个砼搅和站各建一座10m3蓄水池,由高位蓄水池通过高差自流水向小蓄水池送水。第7页共38页第6页共38页编号:时间:2021年x月x日书山有路勤为径,学海无涯苦作舟页码:第7页共38页、主要工程的施工方法钻孔桩工程施工方法6.1.1施工...

1、当您付费下载文档后,您只拥有了使用权限,并不意味着购买了版权,文档只能用于自身使用,不得用于其他商业用途(如 [转卖]进行直接盈利或[编辑后售卖]进行间接盈利)。
2、本站所有内容均由合作方或网友上传,本站不对文档的完整性、权威性及其观点立场正确性做任何保证或承诺!文档内容仅供研究参考,付费前请自行鉴别。
3、如文档内容存在违规,或者侵犯商业秘密、侵犯著作权等,请点击“违规举报”。

碎片内容

高速公路特大桥施工组织设计方案

确认删除?
VIP
微信客服
  • 扫码咨询
会员Q群
  • 会员专属群点击这里加入QQ群
客服邮箱
回到顶部