电脑桌面
添加小米粒文库到电脑桌面
安装后可以在桌面快捷访问

并行开发工程培训课件VIP免费

并行开发工程培训课件_第1页
1/42
并行开发工程培训课件_第2页
2/42
并行开发工程培训课件_第3页
3/42
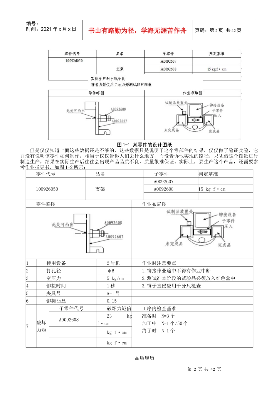
第1页共42页编号:时间:2021年x月x日书山有路勤为径,学海无涯苦作舟页码:第1页共42页第一讲设计开发常见问题(上)设计开发中常见的问题(一)一般的常见问题几乎所有的企业在设计开发时都会面临一些问题,常见的问题如下:Æ新产品品质问题很多由于新产品刚开始时稳定性不够,因此出现了很多品质问题,这是比较常见的。Æ开发时间长由于一些新产品项目技术含量很高,开发的时间就会很长,新产品开发的时间长,就会延迟它的推出时间,例如原定某新产品1年上市,结果时间到了仍迟迟不见踪影,甚至有的开发不出来,计划不得不宣告失败。Æ开发后设计变更多例如有的新产品在开发的过程中,原来的设计思路过时了或市场发生了变化,需要追加一些功能或在外观上有所变化;有时是因为前期的品质不稳定,在后期找到了解决办法,因此要进行设计变更;还有由于客户要求变化临时改变设计方案等。总之,新产品在设计过程中遇到的变更很多,导致了时间的延迟。Æ新材料不能及时提供,频繁更换供应商由于设计时间的拖延,导致了新材料不能够及时提供给供应商,甚至出现频繁更换供应商的现象,例如设计初期选定了一个供应商,到批量生产时候又更换新的供应商,结果导致品质产生波动。Æ设计的产品成本高因为产品是新设计的,企业有些设备必须进行重新配套才能满足新产品生产的要求,同时企业要使得老客户认可新产品,就必须有一定的时间进行销售宣传,这些因素导致了新产品的成本比较高,使得利润不能够满足企业的要求,这也是一个让企业头疼的地方。Æ设计的产品制造起来非常困难有时企业设计出来的产品方案确实很好,但是制造起来却非常困难,这些方案不方便生产和制造,这对生产新产品的车间、制造部门以及供应商来说,是比较麻烦的。有的企业一推出新产品,该企业的生产任务就无法完成,造成了营业额的下降,就是因为该新产品的制造太复杂,只有新产品生产了一段时间以后,企业掌握了制造该产品的要点时,营业额才慢慢得以恢复。Æ设计错误多:图纸、BOM、工装在设计过程中往往会出现很多错误,例如图纸错误;物料消耗的清单BOM用量错误,应该用白色的写成黑色;工装错误,等等。Æ微小差异零部件太多生产一个新产品时,必然会产生很多物料,例如这个管道比那个长一厘米,那个零件比原来产品短0.5毫米等,虽然只差零点几毫米、一厘米,工厂不得不准备多个物料,这就造成了生产成本的上升和生产时间的延长,甚至会导致错误增多。Æ批量生产后,还因客户要求而频繁变更在新产品批量生产以后,有的客户频繁要求变更原来的想法,导致了设计变更,再加上以前的质量问题点和成本问题,也要求设计变更,这些变更使得生产总处在一种不稳定的状态。设计变更是正常的,但设计变更过多,就说明企业在前期的设计开发管理中存在问题。设计开发应知道实现路径以上这些都是新产品在设计开发中常见的问题,这些问题就像某个人要去一个陌生的地方,首先要知道该地点的确切名称和地理位置,如何才能找到它的具体位置,如何以最便捷的路径到达。如果仅知道地理名称,而不知道到达的路径,也是无法找到该地点的。制造工业产品也同样如此,例如某企业设计某零件,零件的图纸标得非常清楚,有零件的代号、尺寸、零件组成,而且明确标明将两个零件铆接在一起的时候,铆接的扭力矩是每厘米15公斤,到了15公斤力矩之后,才能把它松脱,而在15公斤力矩以下不能松脱。如图1-1所示:第2页共42页第1页共42页编号:时间:2021年x月x日书山有路勤为径,学海无涯苦作舟页码:第2页共42页图1-1某零件的设计图纸但是仅仅知道上面这些数据还是不够的,这些数据只是说明了这个零部件的结果,仅仅做了验证实验,它并没有说明该零件如何制作,相当于仅仅告诉人们去什么地方,而没告诉他实现的路径,只凭借这个图纸进行制造生产,结果在实际生产后往往会出现产品品质不良,质量很难保证。实际上,要生产这个产品,还需要参考作业指导书,如图1-2所示:零件代号品名子零件判定基准100926050支架A0092607A009260815kgf·cm零件略图作业布局图1使用设备2号机作业时注意要点2打孔径φ61.铆接作业途中不得有作业中断3空压力5kg/cm2.测试...

1、当您付费下载文档后,您只拥有了使用权限,并不意味着购买了版权,文档只能用于自身使用,不得用于其他商业用途(如 [转卖]进行直接盈利或[编辑后售卖]进行间接盈利)。
2、本站所有内容均由合作方或网友上传,本站不对文档的完整性、权威性及其观点立场正确性做任何保证或承诺!文档内容仅供研究参考,付费前请自行鉴别。
3、如文档内容存在违规,或者侵犯商业秘密、侵犯著作权等,请点击“违规举报”。

碎片内容

并行开发工程培训课件

您可能关注的文档

确认删除?
VIP
微信客服
  • 扫码咨询
会员Q群
  • 会员专属群点击这里加入QQ群
客服邮箱
回到顶部