电脑桌面
添加小米粒文库到电脑桌面
安装后可以在桌面快捷访问

室外化粪池安全专项施工方案VIP免费

室外化粪池安全专项施工方案_第1页
1/12
室外化粪池安全专项施工方案_第2页
2/12
室外化粪池安全专项施工方案_第3页
3/12
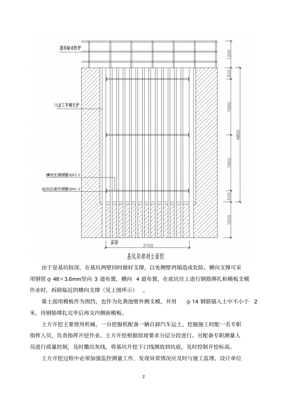
1室外化粪池安全专项施工方案一、工艺流程测量放线→基坑开挖→验槽→垫层砼浇筑→绑扎底板侧壁钢筋→浇筑底板钢筋砼→搭设支架→支池壁模板(管道预埋)→浇筑侧壁砼→拆模→支顶板模板→绑扎顶板钢筋→浇筑顶板砼→水池满水试验→砌井圈→验收→覆土回填二、基坑开挖基坑开挖前要根据设计图纸要求放出开挖边线,由于受现场施工条件限制,即化粪池均是靠近施工道路,无法进行放坡施工,而且基坑开挖深度较大,最深的坑底到坑顶高达4.8m,为了保证施工的正常进行,在开挖范围开挖2m深左右,沿开挖边界打入16#工字钢做为支护,工字钢间距为200mm,工字钢在化粪池垫层底以下埋入土里的深度不小于1.5m,然后继续开挖,四周预留100mm宽工作面。详见示意图:2由于是基坑较深,在基坑两壁同时做好支撑,以免侧壁坍塌造成危险。横向支撑可采用钢管φ48×3.6mm竖向3道布置,横向4道布置,在底坑往上进行钢筋绑扎和模板支模作业时,拆除临近的横向支撑(见上图所示)。靠土面用模板作为围挡,也作为化粪池壁外侧支模,并用φ14钢筋锚入土中不小于2米,待钢筋绑扎完毕后再支内侧面模板。土方开挖主要使用机械,一台挖掘机配备一辆自卸汽车运土。挖掘施工时配一名专职指挥人员,负责指挥开挖作业。土方开挖根据放坡要求分层分段进行。另配备专职测量人员进行质量控制,及时撒出灰线,将基坑开挖下口线测放到坑底,及时控制开挖标高。土方开挖过程中必须加强监控测量工作,发现异常情况应及时与施工监理、设计单位3联系,采取切实可行的在效措施,以确保高边坡安全。机械开挖至基底标高以上300mm后,采用人工清底,以消除对原土的扰动。基坑施工过程中,需在坡顶设置钢管护栏,做好临边防护工作(见上图所示)。土方运输考虑到场区内土方平衡的因素,挖出的土方均运至响应化粪池临近的空地上,以备预留堆放回填用土方。基坑开挖完成后,会同监理进行质量检查验收,做好验槽资料。验槽合格后,及时进下道工序施工,避免边坡长时间裸露。三、化粪池结构施工人工清槽平整后,进行素土夯实,浇筑底板垫层。垫层砼为C10,厚度100mm,每边宽出底板100mm。化粪池结构施工主要包括模板工程、钢筋工程和砼工程,其中穿插了排水管道的预埋施工,各专业和工种之间要相互配合,统一指挥。1、模板工程(1)材料准备底板以上结构施工拟配备一套侧墙壁模板和木方,顶板模板可利用侧壁拆模后的模板周转使用。侧墙对拉螺栓采用防水螺杆,中间焊止水环,侧墙对拉螺栓为一次性消耗,不考虑抽拉用以周转,确保外墙防水效果和控制渗漏。在施工缝处设置止水钢板,止水钢板为3mm厚镀锌钢板。(2)侧壁模板施工a.在垫层上弹出墙模板安装位置的定位基准,按放线位置钉好压脚板。b.侧墙内,外模均采用18mm厚夹板,墙模自身固定均采用竖向木枋(100×100@≤300)和水平φ48钢管(间距同对拉螺杆间距)组成。安装时,先将外侧墙模板拼装好,插入穿墙对拉螺栓。c.清除墙内杂物,进行隐蔽检查,做好验收记录,将墙内模板封上,安装对拉螺杆,对拉螺杆为φ14防水螺栓,螺杆起步间距为250mm,横向间距@600,竖向间距@600。d.外墙模板固定采用顶撑与花篮螺丝联合固定方法,即钢支撑作压杆,花篮螺丝配钢丝绳作拉杆,压杆与拉杆间距均为1.8m。模板安装注意施工缝处连接处必须严密、牢固可靠,防止出现错台和漏浆现象。e.拆模:侧壁模板拆除,常温下墙体混凝±强度必须达到1.2MPa,由专业工长填写《拆模申请表》,经签字确认后,即可拆除模板。拆除模板应先将穿墙螺栓卸下,然后松开地脚4丝杠,使模板向后倾斜与墙体脱离,侧模经收拢后,使之脱离混凝土表面。注意模板拆除时,可用撬棍轻轻撬动模板下口,不得在墙上口撬动模板和用大锤砸模板。模板吊至存放地点,必须放稳,保持自稳角度呈75°~80°并及时清理板面,涂刷隔离剂。(3)顶板模板施工顶板为预制盖板,可在现场预先进行预制。(4)止水带安装在底板与侧墙之间须分别施工,须留置施工缝。施工缝留在距底板面500处,设一条3×300钢板止水带。止水带互相搭接100,二搭接头应分别满焊。止水带中间按12Φ@800设横向固定筋与砼墙内竖筋焊牢。止水带位置模板采用木模,在止水带位置...

1、当您付费下载文档后,您只拥有了使用权限,并不意味着购买了版权,文档只能用于自身使用,不得用于其他商业用途(如 [转卖]进行直接盈利或[编辑后售卖]进行间接盈利)。
2、本站所有内容均由合作方或网友上传,本站不对文档的完整性、权威性及其观点立场正确性做任何保证或承诺!文档内容仅供研究参考,付费前请自行鉴别。
3、如文档内容存在违规,或者侵犯商业秘密、侵犯著作权等,请点击“违规举报”。

碎片内容

室外化粪池安全专项施工方案

您可能关注的文档

确认删除?
VIP
微信客服
  • 扫码咨询
会员Q群
  • 会员专属群点击这里加入QQ群
客服邮箱
回到顶部