电脑桌面
添加小米粒文库到电脑桌面
安装后可以在桌面快捷访问

安全巡视记录表VIP免费

安全巡视记录表_第1页
1/9
安全巡视记录表_第2页
2/9
安全巡视记录表_第3页
3/9
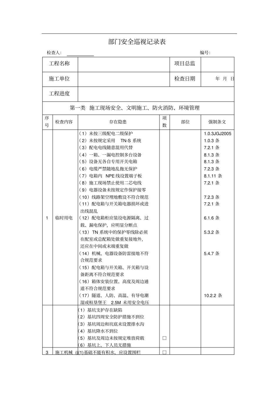
部门安全巡视记录表检查人:编号:工程名称项目总监施工单位检查日期年月日工程进度第一类施工现场安全、文明施工、防火消防、环境管理序号检查内容存在隐患项数部位强制条文1临时用电(1)未按三级配电二级保护(2)未按规定采用TN-S系统(3)配电电线随意混用代替(4)一箱、一漏电控制多台设备(5)设备无各自专用开关电箱(6)电缆严禁随地乱拖无保护(7)电箱内NPE线设置端子板(8)施工现场禁止使用二芯电线(9)电器设备未按规定作保护接零(10)线路架空埋地敷设不符合规范(11)配电箱与开关箱电器损坏或进出线混乱(12)配电箱柜应装设电源隔离、过载、漏电保护,应明显分断点(13)TN系统中的保护零线除必须在配室或总配箱处做重复接地外,还应在中间或末端重复做(14)机械、电器设备防雷接地不符合规范要求(15)配电箱与开关箱、开关箱与设备距离不符合规范要求(16)箱体安装位置、高度及周边通道不符合规范要求(17)隧道、人防、高温、有导电潮湿或桓垦堡王2.5M未用安全电压1.0.3JGJ20051.0.3条7.2.1条8.1.3条8.1.3条7.2.3条8.1.11条7.2.1条7.2.3条7.2.1条6.1.6条5.3.2条5.4.7条10.2.2条(1)基坑支护存在缺陷(2)基坑四周安全防护措施不到位(3)基坑周边和坑底未设置排水沟(4)基坑降水不到位(5)基坑及周边未按规定堆放荷载(6)基坑上、下人员无措施□3施工机械(((1)基础不能有积水,应设置围栏□(2)设备应有行程限位安全装置齐全(3)设备应有起重限制器、防坠装置(4)进料口未设置防护棚或不规范的(5)平台无门或门未关闭固定(6)附墙件/缆风绳未按规定设置(7)钢丝绳磨损、变形、锈蚀超规范(8)机械设备未按规定挂牌验收(10)特种设备操作人员应持证上岗(11)机械传动部位无安全防护罩(12)机械回转半径以内禁止有人作业(13)安装、拆卸未设置区域警戒(14)起重吊装未设置专职指挥和司索(15)起吊物从人头上方通过无管理人(16)电气设备未按规范作接零保护(17)开关箱中必须安装漏电保护器□□□□□□□□□□□□□□□2.0.3JGJ336.6.15JGJ1606.9.5JGJ1602,0.1JGJ335.1.10JGJ335.1.10.JGJ1604施工机具之木工机械(1)平刨机、圆盘锯安装后未验收(2)木工圆锯上未设置安全防护罩(3)传动部位未设置安全防护罩(4)设备未设置安全作业棚或防雨棚(5)使用多功能木工机具(6)电气设备未按规范作接零保护(7)无管理人员、管理制度、操作规程、防火责任人□□□□□□□□10.3.1JGJ33施工机具之钢筋加工机械(1)钢筋机械未作验收挂牌(2)传动部位未设置安全防护罩(3)电气设备未按规范作接零保护(4)钢筋机械未设置作业棚或防雨棚□□□□施工机具之电焊机(1)电焊机未作验收挂牌(2)未设置二次空载降压保护(3)一次线长超过规定或未穿管保护(4)二次线未采用防水橡皮护套铜芯软电缆长度超过规定或绝缘层老化(5)电焊机未按规范作接零保护(6)电焊机未设置防雨棚或接线端无防护罩(7)操作人员应持有效证件、动火证□□□□□□□5M30M施工机具之搅拌机(1)搅拌机安装后米作验收挂牌(2)传动部位未设置安全防护罩(3)电气设备未按规范作接零保护(4)搅拌机械未设置作业棚或防丽棚(5)离合器、制动器、钢丝绳达不到规定要求(6)料斗未设置安全挂钩或止挡装置(7)搬业人员应持有效上岗证件□□□□□□□8.2.7JGJ332.01JGJ33施工机具之(1)气瓶未安装减压器的氧气瓶(2)乙炔气瓶未安装回火防止器□□8.9.7JGJ1606.3.3GB2011气瓶(3)气瓶间距小于5M或与明火距离小于10M未采取隔离措施(4)气瓶存放不符合要求(5)操作人员应持有效上岗证件□□□消防施工机具之桩机(1)桩机安装后未按规定验收挂牌(2)桩机传动部位、卷筒无防护罩(3)桩机钢丝绳磨损、变形、锈蚀超规范(4)操作人员应持有效证件上岗(5)桩机各类安全装置应齐全完好、灵敏、可靠,不得随意调整拆除(6)桩孔成型暂不浇注砼时,孔口未及时封盖□□□□□□2.0.1JGJ337.1.23JGJ33施工机具之流动式起重机械(汽车吊、履带吊)(1)起重机驾驶、指挥应持有效证件(2)起重施工施工单位安全管理人员(3)机械设备现场停放起重条件验收(4)吊装令(5)项目经理、总监带班情况□□□□□2.0.1JGJ335高处作业、临边作业(1)现场人员未按规定扣戴安全帽(2)井、洞、临边末按规...

1、当您付费下载文档后,您只拥有了使用权限,并不意味着购买了版权,文档只能用于自身使用,不得用于其他商业用途(如 [转卖]进行直接盈利或[编辑后售卖]进行间接盈利)。
2、本站所有内容均由合作方或网友上传,本站不对文档的完整性、权威性及其观点立场正确性做任何保证或承诺!文档内容仅供研究参考,付费前请自行鉴别。
3、如文档内容存在违规,或者侵犯商业秘密、侵犯著作权等,请点击“违规举报”。

碎片内容

安全巡视记录表

确认删除?
VIP
微信客服
  • 扫码咨询
会员Q群
  • 会员专属群点击这里加入QQ群
客服邮箱
回到顶部