电脑桌面
添加小米粒文库到电脑桌面
安装后可以在桌面快捷访问

岩棉外墙保温技术交底记录VIP免费

岩棉外墙保温技术交底记录_第1页
1/11
岩棉外墙保温技术交底记录_第2页
2/11
岩棉外墙保温技术交底记录_第3页
3/11
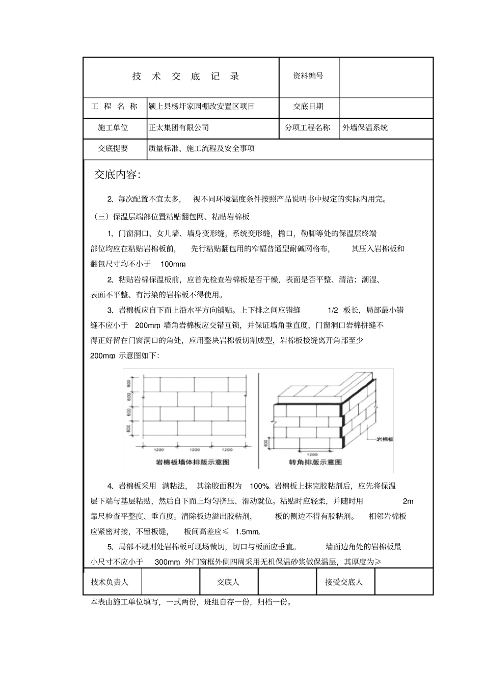
技术交底记录资料编号工程名称颍上县杨圩家园棚改安置区项目交底日期施工单位正太集团有限公司分项工程名称外墙保温系统交底提要质量标准、施工流程及安全事项交底内容:技术负责人交底人接受交底人本表由施工单位填写,一式两份,班组自存一份,归档一份。一、作业条件1、基层坚实、平整,突出物应剔除铲平,垂直度、平整度、阴阳角方正度均在允许偏差之内(不大于4mm),并保证无空鼓、脱层和裂缝等缺陷。2、基层表面应清洁、无油污、灰尘等影响粘贴的附着物。3、保温施工前,基层经保温专业分包单位验收确认,并办理好工序交接手续。4、保温专业分包施工单位已按要求编制专项施工方案(需经总包单位审核),并且施工资质等级符合要求。二、主要材料1、住宅部分外墙保温材料为30cm岩棉板,公建住宅部分外墙保温材料为50cm岩棉板,架空板下保温材料为35mm岩棉板。2、岩棉板性能:憎水率≥98%,干密度≥160kg/㎡,垂直于板面抗拉强度≥10.0MPa,导热系数≤0.040w/(m.k),燃烧性能A级。3、耐碱网格布单位面积质量:普通型≥160g/㎡,加强型≥300g/㎡。4、锚栓:混凝土墙的有效锚固长度≥25mm,多孔砖墙锚栓的有效锚固长度≥50mm(采用有回拧打结功能的锚栓),塑料圆盘直径≥100mm,套管外径7mm-10mm。5、保温材料进场前需提供出厂合格证、出厂检验报告、系统有效期内的型式检验报告和进场见证取样复试报告。三、施工机具电动搅拌机、电钻、两米靠尺、吊线、美工刀或楔形锯、直尺、美工笔、橡皮锤、铁抹子、阳角抹子;阴角抹子、壁纸刀、方尺等。四、施工流程1、涂装饰面保温施工流程:基层清理→挂基准线、弹控制线、设置系统变形缝、安装托架→涂抹胶粘剂、预粘贴翻包网→预排班、满粘保温板→安装第一批锚栓(占锚技术交底记录资料编号工程名称颍上县杨圩家园棚改安置区项目交底日期施工单位正太集团有限公司分项工程名称外墙保温系统交底提要质量标准、施工流程及安全事项交底内容:技术负责人交底人接受交底人本表由施工单位填写,一式两份,班组自存一份,归档一份。栓总数30%)→抹第一层抹面胶浆→覆包翻边网→铺压加强型耐碱网格布(第一层)→安装第二批锚栓(占锚栓总数的70%)→抹第二层抹面胶浆→铺压加强型耐碱网格布(第二层)→抹第三层抹面胶浆→系统细部防水处理→涂料饰面。2、幕墙饰面保温施工流程:基层清理→挂基准线、弹控制线→安装幕墙主龙骨、热桥处理→涂抹胶粘剂、预粘贴翻包网→预排班、满粘保温板→安装第一批锚栓(占锚栓总数30%)→抹第一层抹面胶浆→铺压普通型碱网格布→安装第二批锚栓(占锚栓总数的70%)→抹第二层抹面胶浆→系统细部防水处理→安装幕墙副龙骨→安装幕墙饰面板→保温工程验收。(一)挂基准线、弹控制线、设置系统变形缝、安装托架1、根据建筑立面设计和专项施工方案,在墙面弹出外门窗洞口水平线、垂直控制线以及强身变形缝、装饰条线、装饰缝线、拖机单位置线等。2、在建筑的大角(阴角和阳角)及其他必要处挂垂直基准线,每个楼层适当位置挂水平线,以控制岩棉保温板的垂直度和水平度。3、在距散水标高100mm的位置用墨线弹出控制水平线;系统底部第一排岩棉的下侧端板与散水间距300mm-600mm,用XPS板进行保温处理,底部第一排岩棉的下侧板端安装L型不锈钢或热镀锌金属托架,其余部位按楼层高度每层安装一道L型不锈钢或热镀锌金属托架,托架宽度由保温层厚度确定,采用φ10@500的膨胀螺栓固定在基层上。4、系统变形缝结合托架位置设置,缝宽为10mm-20mm,缝内填嵌聚乙烯泡沫棒和耐候防水密封胶,封缝防水(聚乙烯泡沫棒尺寸应为缝宽的1.5倍)。(二)胶粘剂、抹面胶浆的配置1、严格按照材料供应商提供的配比和制作工艺在现场配置,胶粘剂、抹面胶浆应为单组份,使用时直接在干粉料加入适量水,用电动搅拌器搅拌均匀,达到工程所需的粘稠度。技术交底记录资料编号工程名称颍上县杨圩家园棚改安置区项目交底日期施工单位正太集团有限公司分项工程名称外墙保温系统交底提要质量标准、施工流程及安全事项交底内容:技术负责人交底人接受交底人本表由施工单位填写,一式两份,班组自存一份,归档一份。2、每次配置不宜太多,视...

1、当您付费下载文档后,您只拥有了使用权限,并不意味着购买了版权,文档只能用于自身使用,不得用于其他商业用途(如 [转卖]进行直接盈利或[编辑后售卖]进行间接盈利)。
2、本站所有内容均由合作方或网友上传,本站不对文档的完整性、权威性及其观点立场正确性做任何保证或承诺!文档内容仅供研究参考,付费前请自行鉴别。
3、如文档内容存在违规,或者侵犯商业秘密、侵犯著作权等,请点击“违规举报”。

碎片内容

岩棉外墙保温技术交底记录

确认删除?
VIP
微信客服
  • 扫码咨询
会员Q群
  • 会员专属群点击这里加入QQ群
客服邮箱
回到顶部