电脑桌面
添加小米粒文库到电脑桌面
安装后可以在桌面快捷访问

2016年骨水泥总结VIP免费

2016年骨水泥总结_第1页
1/12
2016年骨水泥总结_第2页
2/12
2016年骨水泥总结_第3页
3/12
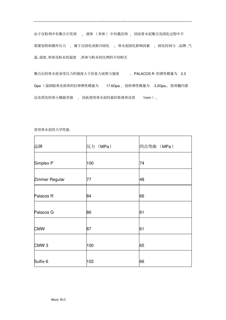
..Word格式骨水泥技术任中义骨水泥及其应用技术骨水泥是一种用于填充骨与植入物间隙或骨腔并具有自凝特性的生物材料。化学名称是聚甲基丙烯酸甲酯(polymethylmethacrylatePMMA),也称丙烯酸骨水泥。自从1958年Charney首次应用骨水泥固定股骨假体成功施行全髋关节置换以来,骨水泥己广泛应用于骨科临床,骨水泥固定可保证术后假体的即时稳定,在骨组织-骨水泥-假体界面上无任何微动,允许术后早期负重,疗效肯定。第一代骨水泥技术假体松动率为29%-40%,除了假体设计方面的因素之外,主要是存在于假体和骨质两个界面之间的PMMA微粒(直径≥100um)引起的假体周围骨溶解和骨水泥界面的老化、破裂,最终导致假体的远期无菌性松动,即所谓“骨水泥病”。采用改进后的第二代骨水泥技术假体松动率为3%(术后3年),第三代骨水泥技术假体松动率为3%(术后20年)。非骨水泥固定或称生物固定解决了一些由骨水泥带来的问题,但术后10年的远期随访发现与骨水泥固定相似,同样存在假体周围的骨溶解和松动现象,因此认为,骨水泥身并不是人工关节置换术的薄弱环节,而使用方法不当才是真正的薄弱环节。本文对骨水泥的发展历史、骨水泥的特点、骨水泥技术、抗生素骨水泥等与临床应用的相关问题作一复习。..Word格式PMMA于1927年由Hill和Crawfold发明,1937年在医学上首先用于口腔科。1953年由Haboush首先用于髋关节双杯置换术,1958年经过Charnley系统的临床与实验研究被骨科医生广泛接受。一、组成成份常用的五种品牌骨水泥成份比较见文末附表。骨水泥包括两部分灭菌包装。第一部分是PMMA颗粒粉剂(直径10-150um),含有10%不透X线的硫酸钡(BaSO4)或氧化锆(ZrO2)、1%二甲基甲苯胺(DMPT)引发剂和微量过氧化苯酰(BP)抑制剂。第二部分是甲基丙烯酸甲酯单体的液体,含有3%DMPT和减少单体自发聚合的微量BP。二、理化性质按照骨水泥单体与粉剂混合后的流动性的流动性、渗透性的高低及聚合后每一时相所占时间的不同,可将骨水泥分为高粘性和低粘性两类。低粘度骨水泥有利于渗透到骨小梁中,更好地发挥微观绞锁作用,并且可以提供更多的工作时间。在所有骨水泥产品中,CMW的粘度最高,以至于难以装入骨水泥枪管中,因此常用于手工填塞骨水泥的浅表部位;LVC、AKZ和Sulfix-6属于低粘度骨水泥,适合用骨水泥枪注入,其中LVC(Zimmer)的聚合物颗粒直径小,分子量低,粘度最低,保持液态时间最长;SimplexP的的粘度中等。PalacosR分子量高,意味着含有长链结构,也属于高粘度骨水泥,混合后保持液态时间相对较短,更适合在面团前期或面团期手法使用。PalacosR混合后5分钟的硬度是SimplexP的2倍、CMW的1/3。其粉剂颗粒形状不规则有利于添加抗生素后药物的释放。..Word格式由于在粉剂中有聚合引发剂,液体(单体)中有激活剂,因而骨水泥聚合及固化过程中不需要加热和额外压力,属于自固化或称冷固化。骨水泥固化影响因素,固化时间与:品牌,气温,湿度,单体及粉未的温度,单体与粉未的比例的不同相关聚合后的骨水泥承受压力的强度大于抗张力或剪力强度。PALACOSR的弹性模量为2.3Gpa(湿润股骨皮质骨的拉伸弹性模量为17.6Gpa,扭转弹性模量为3.2Gpa。股骨髓内靠近皮质处的骨小樑最坚强,因此使用骨水泥时最好距离骨皮质1mm)。常用骨水泥的力学性能品牌压力(MPa)四点弯曲(MPa)SimplexP10074ZimmerRegular7748PalacosR8466PalacosG8661CMW8761CMW310065Sulfix-610266..Word格式有学者对SimplexP(SP)、Osteobond(ZO)、Regular(ZR)和PalacosR(PR)四种品牌的骨水泥性能进行了比较研究,得出结论如下:PR有着所有标本中最好的弹性模量;除了SP在37度时,PR在所有骨水泥中及在任何温度下都有最大的抗拉强度;PR的断裂韧度在所有温度都是最高的;尽管PR是唯一一种用手搅拌的骨水泥,但它的孔隙率始终保持在较低的水平,不受温度影响,仅在37度、50度略高于SP。三、作用机理骨水泥不是胶,没有粘合性质,与骨和假体之间无化学连接,它是填充空间并通过机械连接传递载荷的材料,现代概念认为:良好的固定需要同时依靠微观绞锁(micro-interlock)和容积填充(bulk-filling)两种作用机制。微观绞锁固定指骨水泥...

1、当您付费下载文档后,您只拥有了使用权限,并不意味着购买了版权,文档只能用于自身使用,不得用于其他商业用途(如 [转卖]进行直接盈利或[编辑后售卖]进行间接盈利)。
2、本站所有内容均由合作方或网友上传,本站不对文档的完整性、权威性及其观点立场正确性做任何保证或承诺!文档内容仅供研究参考,付费前请自行鉴别。
3、如文档内容存在违规,或者侵犯商业秘密、侵犯著作权等,请点击“违规举报”。

碎片内容

2016年骨水泥总结

爱的疯狂+ 关注
实名认证
内容提供者

该用户很懒,什么也没介绍

确认删除?
VIP
微信客服
  • 扫码咨询
会员Q群
  • 会员专属群点击这里加入QQ群
客服邮箱
回到顶部