电脑桌面
添加小米粒文库到电脑桌面
安装后可以在桌面快捷访问

变电所污秽等级测试报告VIP免费

变电所污秽等级测试报告_第1页
1/18
变电所污秽等级测试报告_第2页
2/18
变电所污秽等级测试报告_第3页
3/18
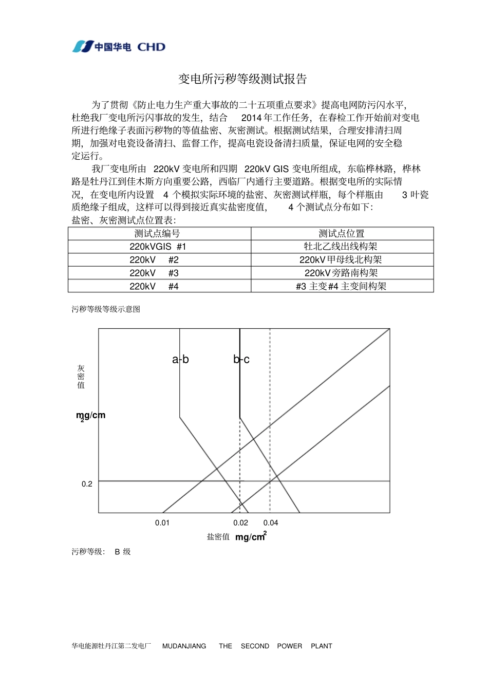
华电能源股份有限公司牡丹江第二发电厂Q/108121.04-2011DQ.SYBG.002-2014变电所污秽等级测试报告批准:总工程师审核:生技部电气分公司编写:电气高压班华电能源牡丹江第二发电厂2014年03月29日华电能源牡丹江第二发电厂MUDANJIANGTHESECONDPOWERPLANT变电所污秽等级测试报告为了贯彻《防止电力生产重大事故的二十五项重点要求》提高电网防污闪水平,杜绝我厂变电所污闪事故的发生,结合2014年工作任务,在春检工作开始前对变电所进行绝缘子表面污秽物的等值盐密、灰密测试。根据测试结果,合理安排清扫周期,加强对电瓷设备清扫、监督工作,提高电瓷设备清扫质量,保证电网的安全稳定运行。我厂变电所由220kV变电所和四期220kVGIS变电所组成,东临桦林路,桦林路是牡丹江到佳木斯方向重要公路,西临厂内通行主要道路。根据变电所的实际情况,在变电所内设置4个模拟实际环境的盐密、灰密测试样瓶,每个样瓶由3叶瓷质绝缘子组成,这样可以得到接近真实盐密度值,4个测试点分布如下:盐密、灰密测试点位置表:测试点编号测试点位置220kVGIS#1牡北乙线出线构架220kV#2220kV甲母线北构架220kV#3220kV旁路南构架220kV#4#3主变#4主变间构架污秽等级等级示意图污秽等级:B级0.2a-bb-c灰密值mg/cm20.010.020.04盐密值mg/cm2华电能源牡丹江第二发电厂MUDANJIANGTHESECONDPOWERPLANT变电所污秽等级测试报告温度:20℃湿度:35%序号测试地点测试部位盐密度mg/cm2灰密度mg/cm2污秽等级1220kV#2测试点上片0.0270.156B级中片0.0270.133下片0.0250.1311.2倍平均值0.0320.1402220kV#3测试点上片0.0310.129B级中片0.0250.163下片0.0210.1391.2倍平均值0.0310.1443220kV#4测试点上片0.0310.146B级中片0.0310.146下片0.0250.1171.2倍平均值0.0350.1364220kVGIS#1测试点上片0.0250.117B级中片0.0210.103下片0.0250.1081.2倍平均值0.0270.109结论按Q/GDW152-2006《电力系统污区分级与外绝缘选择标准》规定要求,我厂变电所污秽等级为B级。试验人员:试验日期:2014-03-27华电能源牡丹江第二发电厂MUDANJIANGTHESECONDPOWERPLANT盐密、灰密度测试数据测试地点220kV#2测试点测试温度20℃测试部位上片环境湿度35%测试面积1450cm2测试时间2014.3.27计算:用水量:300ml含盐量:13mgESDD=Nm/100S=(300×13)/(100×1450)=0.027mg/cm2灰密计算:用水量:300ml含灰量:1.130-0.90=0.23gNSDD=1000(Wf-Wi)/S=1000(1.130-0.90)/1450=0.156mg/cm2华电能源牡丹江第二发电厂MUDANJIANGTHESECONDPOWERPLANT盐密、灰密度测试数据测试地点220kV#2测试点测试温度20℃测试部位中片环境湿度35%测试面积1450cm2测试时间2014.3.28计算:用水量:300ml含盐量:13mgESDD=Nm/100S=(300×15)/(100×1450)=0.027mg/cm2灰密计算:用水量:300ml含灰量:1.115-0.920=0.195gNSDD=1000(Wf-Wi)/S=1000(1.115-0.920)/1450=0.133mg/cm2华电能源牡丹江第二发电厂MUDANJIANGTHESECONDPOWERPLANT盐密、灰密度测试数据测试地点220kV#2测试点测试温度20℃测试部位下片环境湿度35%测试面积1450cm2测试时间2014.3.27计算:用水量:300ml含盐量:12mgESDD=Nm/100S=(300×12)/(100×1450)=0.025mg/cm2灰密计算:用水量:300ml含灰量:1.112-0.92=0.192gNSDD=1000(Wf-Wi)/S=1000(1.112-0.92)/1450=0.131mg/cm2华电能源牡丹江第二发电厂MUDANJIANGTHESECONDPOWERPLANT盐密、灰密度测试数据测试地点220kV#3测试点测试温度20℃测试部位上片环境湿度35%测试面积1450cm2测试时间2014.3.27盐密计算:用水量:300ml含盐量:15mgESDD=Nm/100S=(300×15)/(100×1450)=0.031mg/cm2灰密计算:用水量:300ml含灰量:1.125-0.935=0.190gNSDD=1000(Wf-Wi)/S=1000(1.125-0.935)/1450=0.129mg/cm2华电能源牡丹江第二发电厂MUDANJIANGTHESECONDPOWERPLANT盐密、灰密度测试数据测试地点220kV#3测试点测试温度20℃测试部位中片环境湿度35%测试面积1450cm2测试时间2014.3.27计算:用水量:300ml含盐量:12mgESDD=Nm/100S=(300×12)/(100×1450)=0.025mg/cm2灰密计算:用水量:300ml含灰量:1.175-0.935=0.240gNSDD=1000(Wf-Wi)/S=1000(1.175-0.935)/1450=0.163mg/cm2华电能...

1、当您付费下载文档后,您只拥有了使用权限,并不意味着购买了版权,文档只能用于自身使用,不得用于其他商业用途(如 [转卖]进行直接盈利或[编辑后售卖]进行间接盈利)。
2、本站所有内容均由合作方或网友上传,本站不对文档的完整性、权威性及其观点立场正确性做任何保证或承诺!文档内容仅供研究参考,付费前请自行鉴别。
3、如文档内容存在违规,或者侵犯商业秘密、侵犯著作权等,请点击“违规举报”。

碎片内容

变电所污秽等级测试报告

确认删除?
VIP
微信客服
  • 扫码咨询
会员Q群
  • 会员专属群点击这里加入QQ群
客服邮箱
回到顶部