电脑桌面
添加小米粒文库到电脑桌面
安装后可以在桌面快捷访问

1、直流屏技术规范书VIP免费

1、直流屏技术规范书_第1页
1/9
1、直流屏技术规范书_第2页
2/9
1、直流屏技术规范书_第3页
3/9
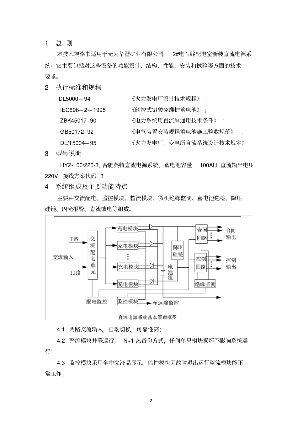
-1-直流屏技术规范书(2#电石线配电室)二〇一九年十月十日-2-1总则本技术规格书适用于无为华塑矿业有限公司2#电石线配电室新装直流电源系统。它主要包括对这些设备的功能设计、结构、性能、安装和试验等方面的技术要求。2执行标准和规程DL5000—94《火力发电厂设计技术规程》;IEC896—2—1995《阀控式铅酸免维护蓄电池》;ZBK45017—90《电力系统用直流屏通用技术条件》;GB50172—92《电气装置安装规程蓄电池施工验收规范》;DL/T5004—95《火力发电厂、变电所直流系统设计技术规定》3型号说明HYZ-100/220-3,合肥英特直流电源系统,蓄电池容量100AH,直流输出电压220V,接线方案代码34系统组成及主要功能特点主要由交流配电、监控模块、整流模块、微机绝缘监测、蓄电池巡检、降压硅链、闪光报警、直流馈电等组成。4.1两路交流输入,自动切换,可靠性高;4.2整流模块并联运行,N+1热备份方式,任何单只模块损坏不影响系统运行;4.3监控模块采用全中文液晶显示。监控模块因故障退出运行整流模块能正常工作;-3-4.4微机绝缘监测能实时监测直流系统绝缘,并能自动查找支路接地,借助卡钳接收器,可以在不停电的情况下确定具体接地点。4.5可通过RS485通讯接口实现变电站综合自动化系统,并可接入加工车间DCS系统。实现直流电源系统的“遥测、遥控、遥信、遥调”功能,满足无人值守要求。5主要技术参数5.1交流输入电压:交流380V±15%,50HZ,三相四线制,两路电源输入(可交流单相220V供电)。5.2直流输出电压:DC220V;5.3输出电流:控制母线(KM)5~120A;5.4电池容量:阀控密封式铅酸免维护蓄电池100Ah;5.5电池型号:A412/100A,12V,100AhC10(1.80V/cellat20℃),NominalFloatVoltage:13.62Vat20℃,TerminalHardwareTorque:8Nm,PartNumber:NGA4120100HS0BASonnenschein;5.6稳压精度:≤±0.5%;5.7稳流精度:≤±0.5%;5.8纹波系数:≤±0.5%;5.9系统效率:≥92%;5.10功率因素:≥0.99;5.11运行噪音:≤50dB;5.12介电强度:2000V/min无闪络,无击穿;5.13绝缘阻抗:>10MΩ;5.14防护等级:IP30;6主要单元功能介绍6.1监控模块YTJK003-4-电源监控系统是电源系统的控制、管理核心,具有“四遥”功能,可使电源系统达到少人值守或无人值守;电源监控系统采用分散测量和控制,集中管理的集散模式。6.1.1技术参数-5-6.2充电整流模块:YT240D10————240VDC/10A6.2.1技术参数-6-6.3WZJ-1微机直流绝缘监测系统电压监察功能、绝缘监察功能、查找支路接地功能6.4WMX型微机免维护蓄电池监测仪WMX型微机免维护蓄电池监测仪,可以实时地反映每只蓄电池的工作电压,自动监测出损坏或不合格电池,及时提醒维护人员对不合格的蓄电池进行更换或维修,提高整个蓄电池组的工作性能。6.5降压硅链回路6.6闪光报警装置7直流柜技术要求直流柜的型式应根据充电装置和蓄电池的型式确定,应相互协调,便于安装和维护。7.1直流柜采用柜式结构。7.2直流柜柜体尺寸(mm):2260(高)×800(宽)×600(深)前后开门,防护等级不低于IP30,柜体安装风机冷却。7.3直流柜颜色:灰白色7.4直流柜柜体应有足够的强度和刚度,应能承受所安装元件及短路时所产生的动、热稳定。同时不因设备的吊装、运输等情况而影响设备的性能。7.5装于直流柜内的继电器应能防止设备正常操作的振动而引起的误动作。7.6直流柜背面应设置防止直接接触带电元件的面板。7.7直流柜内回路与回路之间应有隔板,以防止事故的扩大。7.8屏内使用的电器元件,如开关、按钮等应操作灵活,测量仪表满足精度要求,各类声光指示信号应能正确反映各元件的工作状况。测量仪表装设在柜体上-7-方可开启的柜门上。7.9主母线和分支母线及接头,应能满足长期通过电流的要求,母线应选用阻燃绝缘铜母线。7.10汇流排和主电路导线的相序和颜色应符合相关规定。7.11空气开关和熔断器的容量应满足长期工作电流的要求,且满足各级选择性的要求。7.12柜体上应有截面不小于25mm2的接地端子排。7.13屏内安装的元器件应具有产品合格证。屏柜的元件选型和布置等应符合设计图纸要求。7.14屏内元件的布置应便于安装和维护。7.15馈线柜内所有开关要求为施耐德...

1、当您付费下载文档后,您只拥有了使用权限,并不意味着购买了版权,文档只能用于自身使用,不得用于其他商业用途(如 [转卖]进行直接盈利或[编辑后售卖]进行间接盈利)。
2、本站所有内容均由合作方或网友上传,本站不对文档的完整性、权威性及其观点立场正确性做任何保证或承诺!文档内容仅供研究参考,付费前请自行鉴别。
3、如文档内容存在违规,或者侵犯商业秘密、侵犯著作权等,请点击“违规举报”。

碎片内容

1、直流屏技术规范书

您可能关注的文档

确认删除?
VIP
微信客服
  • 扫码咨询
会员Q群
  • 会员专属群点击这里加入QQ群
客服邮箱
回到顶部