电脑桌面
添加小米粒文库到电脑桌面
安装后可以在桌面快捷访问

内昆铁路隧道结构防排水技术VIP免费

内昆铁路隧道结构防排水技术_第1页
1/12
内昆铁路隧道结构防排水技术_第2页
2/12
内昆铁路隧道结构防排水技术_第3页
3/12
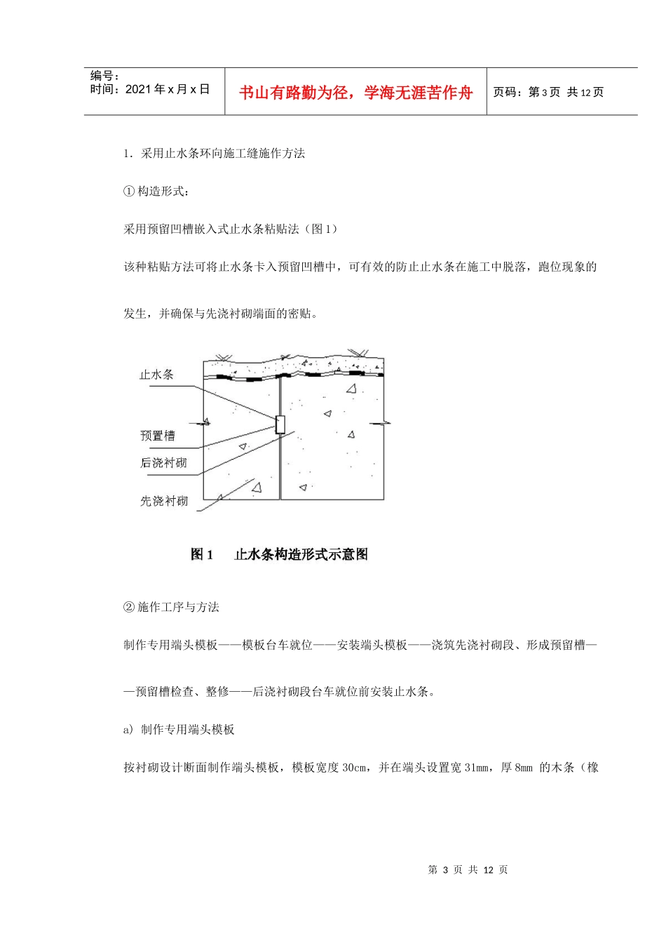
第1页共12页编号:时间:2021年x月x日书山有路勤为径,学海无涯苦作舟页码:第1页共12页目录第一章编制说明................................................................2第二章适用范围................................................................2第三章施工缝防水施工技术的优化:..............................................2第四章防水层铺设技术..........................................................8第五章墙脚排水系统细部处理...................................................11第2页共12页第1页共12页编号:时间:2021年x月x日书山有路勤为径,学海无涯苦作舟页码:第2页共12页第一章编制说明结构防水是隧道的“脸面”工程,是隧道质量的最终和永久的体现。而结构防水现在仍然是隧道工程的难点问题,我们认为其主要征结在于施工单位缺泛防水专业施工人员,不能贯彻执行防水设计技术意图,对于结构防水细节处理不当。同时由于结构防水属于隐蔽工程,传统的监理检查程序对于防水工程项目的忽视,造成我们的自检和监理不力。根据我们对铁路隧道进行的现场结构防水施工调查,并对施工中存在的问题进行分析、归纳和总结,并在此基础上编写了该套实施细则。第二章适用范围局管内昆铁路线隧道结构防排水施工,包括车站双线、区间单线隧道、或采用无防水层整体式衬砌结构、拱墙防水层复合式衬砌结构和全封闭防水层复合式衬砌结构隧道。其它类似之铁路隧道,设计防排第三章施工缝防水施工技术的优化:第3页共12页第2页共12页编号:时间:2021年x月x日书山有路勤为径,学海无涯苦作舟页码:第3页共12页1.采用止水条环向施工缝施作方法①构造形式:采用预留凹槽嵌入式止水条粘贴法(图1)该种粘贴方法可将止水条卡入预留凹槽中,可有效的防止止水条在施工中脱落,跑位现象的发生,并确保与先浇衬砌端面的密贴。②施作工序与方法制作专用端头模板——模板台车就位——安装端头模板——浇筑先浇衬砌段、形成预留槽——预留槽检查、整修——后浇衬砌段台车就位前安装止水条。a)制作专用端头模板按衬砌设计断面制作端头模板,模板宽度30cm,并在端头设置宽31mm,厚8mm的木条(橡第4页共12页第3页共12页编号:时间:2021年x月x日书山有路勤为径,学海无涯苦作舟页码:第4页共12页胶条,若端头模板是钢模板,可采用钢结构最好),具体如图2所示:b)安装端头模板(图3)专用端头模板在台车就位准确后进行安装,安装端头模板时要注意预制木条对接整齐,不得错位,端头模板要固定牵固,不得有漏浆现象发生,靠近围岩一侧用合适大小的木板将端头模板拼装严实。在模板台车端头设置便于固定端头模板的钢筋环等固定装置。端头模板安装好后应刷优质脱模剂,特别是木条更要刷到位。不得刷机油等代替。预留槽检查、整修。在粘贴止水条前应对预留槽进行全面检查,不得有油、污、烟、尘等物,槽体应平直圆顺,不得有突出砼凝块,不得有麻面露石。否则应对预留槽进行清洗、凿除,并用砂布砂平。清第5页共12页第4页共12页编号:时间:2021年x月x日书山有路勤为径,学海无涯苦作舟页码:第5页共12页洗用高压水冲洗。d)止水条安装在安装止水条前应检查预留槽是否有地下水渗入,若有应将地下水阻挡在端头以外,或将地下水引开,一定要保证止水条在安装时或浇砼时被地下水淋湿。待预留槽为干燥时才能进行止水条安装,安装前最好先在槽内涂沫一层氯丁胶粘结剂。将止水条顺槽拉紧嵌入,确保止水条与槽底密贴,不得有空隙。若止水条比槽明显窄,可将止水条靠洞内侧贴紧槽壁放置嵌入,靠围岩一侧若有孔隙可用刀片切止水条成薄片嵌入挤满。止水条用水泥钉(宜小不宜大)或用射钉枪固定。固定间距拱部20~30cm,边墙30~45cm。止水条安装后由技术人员检查合格后立即台车就位、浇混凝土,不得长时间等待(超过24h)。2.采用止水带环向施工缝施作方法①构造形式:采用中埋式止水带。技术要点:固定位置平直,牵固不得扭曲、跑位。浇筑混凝土密实,振捣到位。②施作方法一(图4)1)准备工作:准备30cm长的φ8钢筋若干,按断面环向长度(按铺设位置量取)截取止水带。2)先将止水带用扎丝捆...

1、当您付费下载文档后,您只拥有了使用权限,并不意味着购买了版权,文档只能用于自身使用,不得用于其他商业用途(如 [转卖]进行直接盈利或[编辑后售卖]进行间接盈利)。
2、本站所有内容均由合作方或网友上传,本站不对文档的完整性、权威性及其观点立场正确性做任何保证或承诺!文档内容仅供研究参考,付费前请自行鉴别。
3、如文档内容存在违规,或者侵犯商业秘密、侵犯著作权等,请点击“违规举报”。

碎片内容

内昆铁路隧道结构防排水技术

您可能关注的文档

确认删除?
VIP
微信客服
  • 扫码咨询
会员Q群
  • 会员专属群点击这里加入QQ群
客服邮箱
回到顶部