电脑桌面
添加小米粒文库到电脑桌面
安装后可以在桌面快捷访问

18400塑料注塑工doc-模具钳工国家职业标准VIP免费

18400塑料注塑工doc-模具钳工国家职业标准_第1页
1/7
18400塑料注塑工doc-模具钳工国家职业标准_第2页
2/7
18400塑料注塑工doc-模具钳工国家职业标准_第3页
3/7
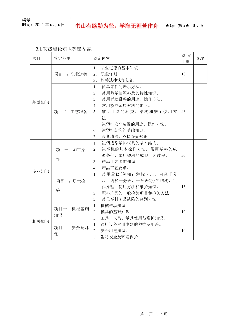
第1页共7页编号:时间:2021年x月x日书山有路勤为径,学海无涯苦作舟页码:第1页共7页深圳市职业技能鉴定(塑料注塑工)考核大纲1职业概况1.1.职业名称:塑料注朔工1.2.职业定义:操作注塑成型生产设备,运用注射模塑的方法将高分子材料加工成各类塑料制品、制件的人员。1.3.职业等级:本职业暂设两个等级,分别为:初级(国家职业资格五级)中级(国家职业资格四级)1.4.基本文化程度:初中毕业1.5.培训期限要求:全日制职业学校教育,根据其培养目标和教学计划确定。晋级培训期限:初级不少于180标准学时;中级不少于300标准学时.1.6.报考条件:-------初级(具备以下条件之一者)(1)经本职业初级正规培训达规定标准学时数,并取得结业证书。(2)在本职业连续见习工作1年以上或累计见习2年以上的。-------中级(具备以下条件之一者)(1)取得本职业或相关职业初级职业资格证书后,连续从事本职业工作1年以上,并经本职业中级正规培训达规定标准学时数,且取得结业证书。(2)取得本职业或相关职业初级职业资格证书后,连续从事本职业工作3年以上。(3)取得相关职业中级职业资格证书后,连续从事本职业工作2年以上。(4)连续从事本职业工作5年以上。(5)取得经教育或劳动保障行政部门审核认定的、以中级技能为培养目标的中等以上职业学校本职业(专业)毕业证书。1.7.鉴定方式、鉴定时间:鉴定方式分为:理论知识考试和技能操作考核。理论知识考试采用闭卷笔试方式,技能操作考核采用现场实际操作方式。理论知识考试和技能操作考核均实行百分制,成绩皆达到60分及以上者为合格。鉴定时间分为:理论知识考试时间不少于90min;技能操作考核时间不少于120min。1.8.考评人员与考生配比:理论知识考试考评人员与考生配比为1:20,每个标准教室不少于2名考评人员;技能操作考核考评员与考生配比为1:5;且不少于3名考评员。2、基本要求:2.1、1职业道德基本知识2职业守则要求(1)遵守法律、法规和有关规定。(2)爱岗敬业、具有高度的责任心。(3)严格执行工作程序、工作规范、工艺文件和安全操作规程。(4)工作认真负责,团结合作。(5)爱护设备及工具、夹具、刀具、量具、模具和其它相关设施。(6)着装整洁,符合规定;保持工作环境清洁有序,文明生产。第2页共7页第1页共7页编号:时间:2021年x月x日书山有路勤为径,学海无涯苦作舟页码:第2页共7页3相关法律与法规知识(1)劳动法相关知识。(2)安全生产法及化工安全生产法规相关知识。(3)化学危险品管理条例相关知识。(4)职业病防治法及化工职业卫生法规相关知识。2.2、基础理论知识(1)物理化学基础知识。(2)原料及配方等基础知识。2.3、专业基础知识(1)计量知识。(2)塑胶制品结构及工艺知识。(3)塑胶性能基础知识。2.4、专业知识(1)塑料注塑成型工艺知识。(2)塑料注塑工艺分析知识。(3)塑料制品及原料性能检验知识。2.5、专业相关知识(1)消防、安全及环境保护知识。(2)常用设备知识。(3)电工、电器、仪表知识2.6、质量管理知识:质量方针、岗位质量要求、岗位的质量保证措施与责任2.7、安全文明生产与环境保护知识:现场文明生产要求、安全操作与劳动保护知识、环境保护知识。3、鉴定内容:详细列出理论和实操鉴定考核项目、范围、知识点、鉴定比重(百分制分数)本标准对初级、中级的技能要求依次递进,高级别包括低级别的要求。第3页共7页第2页共7页编号:时间:2021年x月x日书山有路勤为径,学海无涯苦作舟页码:第3页共7页3.1初级理论知识鉴定内容:项目鉴定范围鉴定内容鉴定比重备注基础知识项目一:职业道德1.职业道德的基本知识2.职业守则3.相关法律法规知识10项目二:工艺准备1.简单零件的表示方法。2.常用热塑性塑料及其特性知识。3.常用辅助设备的用途、操作方法。4.常用模具金属材料的知识。5.辅助工具的种类、结构和安全使用方法。注塑机安全装置的用途、操作方法。6.注塑机结构的基础知识。7.设备清洁、点检保养知识。25专业知识项目一:加工操作1.注塑成型塑料模具的基本结构。2.注塑机的基本操作方法,常用塑料的成型条件,常用塑料的成型工艺过程。3.产品工艺卡的知识。4.产品工艺要...

1、当您付费下载文档后,您只拥有了使用权限,并不意味着购买了版权,文档只能用于自身使用,不得用于其他商业用途(如 [转卖]进行直接盈利或[编辑后售卖]进行间接盈利)。
2、本站所有内容均由合作方或网友上传,本站不对文档的完整性、权威性及其观点立场正确性做任何保证或承诺!文档内容仅供研究参考,付费前请自行鉴别。
3、如文档内容存在违规,或者侵犯商业秘密、侵犯著作权等,请点击“违规举报”。

碎片内容

18400塑料注塑工doc-模具钳工国家职业标准

确认删除?
VIP
微信客服
  • 扫码咨询
会员Q群
  • 会员专属群点击这里加入QQ群
客服邮箱
回到顶部