电脑桌面
添加小米粒文库到电脑桌面
安装后可以在桌面快捷访问

#3炉A侧称重给煤机吊装专项方案VIP免费

#3炉A侧称重给煤机吊装专项方案_第1页
1/8
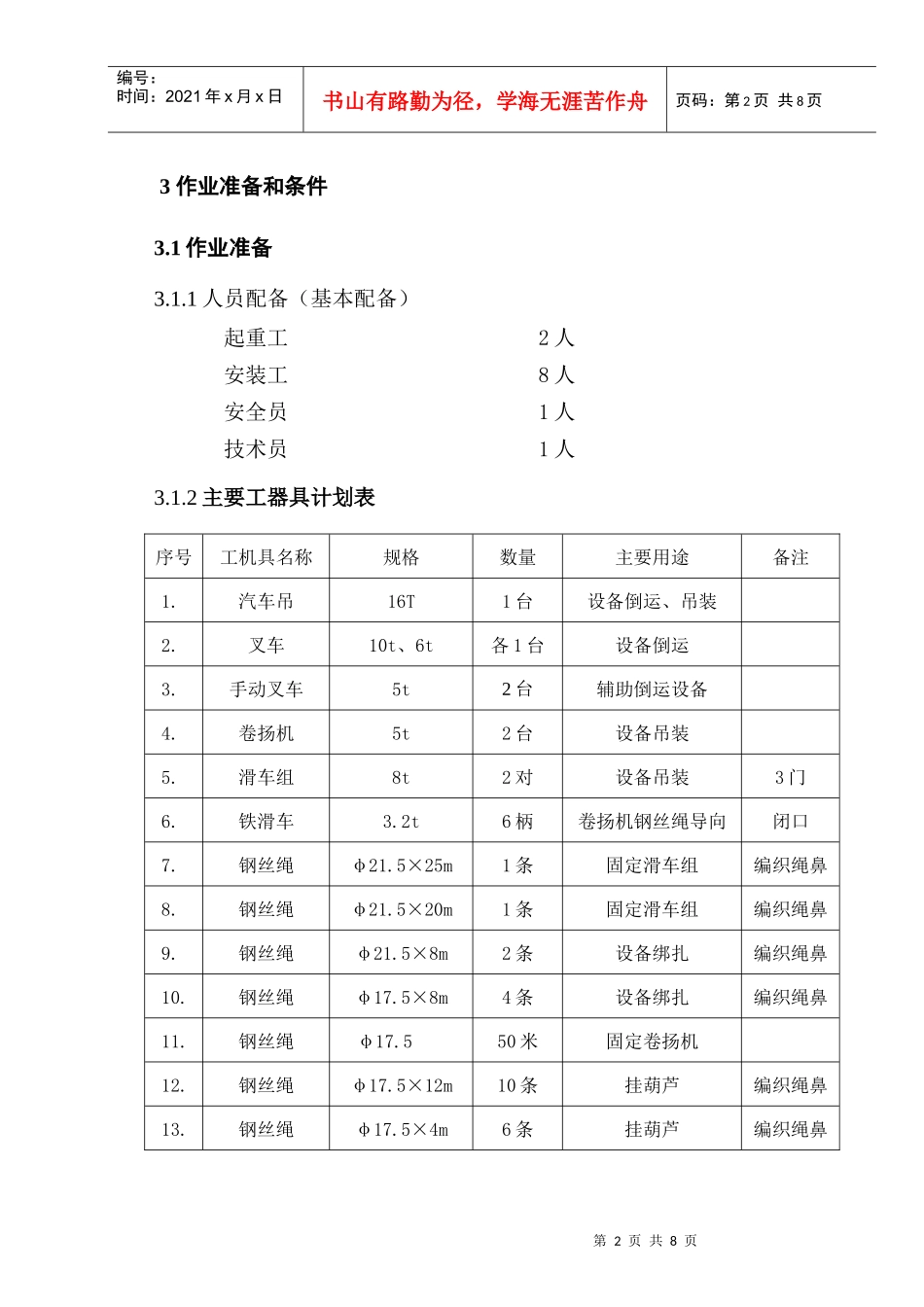
#3炉A侧称重给煤机吊装专项方案_第2页
2/8
#3炉A侧称重给煤机吊装专项方案_第3页
3/8
第1页共8页编号:时间:2021年x月x日书山有路勤为径,学海无涯苦作舟页码:第1页共8页#3炉A侧称重给煤机吊装方案1.工程概况1.1概述连州电厂#3炉A侧原一二级给煤机拆除,改型为单级HD-BS26型称重式给煤机。1.2设备的有关参数1.2.1电子称重皮带式给煤机有关参数:型号:HD-BS26主电机型号:SA97-DV132M4高度:1557mm宽度:1300mm入煤口段长度:约15500mm(实物测量)出煤口段长度:约14140mm(实物测量)总重量:14200kg2.编制依据2.1《电力建设施工及验收技术规范(锅炉机组篇)》(DL/T5047-95);2.2《火电施工质量验收及评定标准(锅炉机组篇)》(1996年版);2.3设备厂家资料;2.4《起重与运输》火力发电安装丛书。第2页共8页第1页共8页编号:时间:2021年x月x日书山有路勤为径,学海无涯苦作舟页码:第2页共8页3作业准备和条件3.1作业准备3.1.1人员配备(基本配备)起重工2人安装工8人安全员1人技术员1人3.1.2主要工器具计划表序号工机具名称规格数量主要用途备注1.汽车吊16T1台设备倒运、吊装2.叉车10t、6t各1台设备倒运3.手动叉车5t2台辅助倒运设备4.卷扬机5t2台设备吊装5.滑车组8t2对设备吊装3门6.铁滑车3.2t6柄卷扬机钢丝绳导向闭口7.钢丝绳φ21.5×25m1条固定滑车组编织绳鼻8.钢丝绳φ21.5×20m1条固定滑车组编织绳鼻9.钢丝绳φ21.5×8m2条设备绑扎编织绳鼻10.钢丝绳φ17.5×8m4条设备绑扎编织绳鼻11.钢丝绳φ17.550米固定卷扬机12.钢丝绳φ17.5×12m10条挂葫芦编织绳鼻13.钢丝绳φ17.5×4m6条挂葫芦编织绳鼻第3页共8页第2页共8页编号:时间:2021年x月x日书山有路勤为径,学海无涯苦作舟页码:第3页共8页序号工机具名称规格数量主要用途备注14.链条葫芦5T8只辅助吊装15.链条葫芦3T4只辅助吊装16.链条葫芦2T4只辅助吊装17.卸扣10t6只设备吊装18.卸扣5t12只设备吊装19.方木1×0.2×0.1m12条临时支垫设备3.2作业条件3.2.1设备及施工图已到现场,并已开箱检验,设备验收合格无缺件;3.2.2卷扬机布置完毕且经过负荷试验合格;3.2.3所有使用的钢丝绳已按吊装要求编制完成;3.2.4所有使用辅助吊装的葫芦经检查完好无损后,已布置到吊运位置;3.2.5施工人员已进行技术交底和安全措施交底学习。4.给煤机吊装方法在#3机停机以前,先将HD-BS26型称重式给煤机吊装到16米层临放,停机后,拆除一级称重给煤机、二级刮板给煤机。4.1给煤机吊装准备4.1.1.将5t卷扬机固定布置在#2炉B侧送风机附近混凝土柱根部;4.1.2.然后在#3炉A侧5层K1-K2连接梁紧靠K2柱处双股绑扎一条φ21.5×20m钢丝绳,在输煤#11皮带栈桥靠#2炉侧选取一个双股绑扎一条φ21.5×25m钢丝绳的绑扎点,用这两条钢丝绳固定一组8t滑车组,使滑车组在#11皮带栈桥下方且离开#3炉A侧K2柱约3米;第4页共8页第3页共8页编号:时间:2021年x月x日书山有路勤为径,学海无涯苦作舟页码:第4页共8页4.1.3.通过导向滑车将5t卷扬机牵引钢丝绳引入8t滑车组;4.1.4.在输煤#11皮带栈桥靠近#2炉B磨煤机的混凝土柱根部固定布置一台3t卷扬机;4.1.5.通过导向滑车将3t卷扬机牵引钢丝绳引入悬挂在#3炉A侧4层K2-K3连接梁中间的滑车组;4.1.6.#3炉A侧4层K1-K3柱之间A、B方向共有6条梁,在K2、K3柱位置的梁上挂2只5t葫芦,其余每条梁上挂一只5t葫芦,葫芦位置在主给水与A侧再热器冷段管道之间;4.1.7.准备4只2t葫芦及8条钢丝绳,用来水平拖拉、调整给煤机。4.2给煤机运输4.2.1.用6t、10t叉车前后抬起给煤机,6t叉车在前面退行,10t叉车在后面前行,沿停车场到#1、#2炉炉前0米至#11皮带栈桥下;4.2.2.当行至#2炉B侧时,有一条粉仓放粉管高度低于10t和6t叉车高度,利用两台手动叉车,2t葫芦配合拖拉,将给煤机拖运到吊装位置下方;4.2.3.运输入煤口段时,入煤口端由10t叉车叉起在后面前行,运输出煤口段时,出煤口端由6t叉车叉起在前面退行。4.3给煤机吊装4.3.1.先吊装给煤机入煤口段,用φ21.5×8m钢丝绳双股捆绑给煤机,10t卸扣将捆绑绳和8t动滑车组连接,由于#11皮带栈桥两柱之间的第5页共8页第4页共8页编号:时间:2021年x月x日书山有路勤为径,学海无涯苦作舟页码:第5页共8页前后距离为10.4m,小于给煤机入煤口段长度15.5m,因...

1、当您付费下载文档后,您只拥有了使用权限,并不意味着购买了版权,文档只能用于自身使用,不得用于其他商业用途(如 [转卖]进行直接盈利或[编辑后售卖]进行间接盈利)。
2、本站所有内容均由合作方或网友上传,本站不对文档的完整性、权威性及其观点立场正确性做任何保证或承诺!文档内容仅供研究参考,付费前请自行鉴别。
3、如文档内容存在违规,或者侵犯商业秘密、侵犯著作权等,请点击“违规举报”。

碎片内容

#3炉A侧称重给煤机吊装专项方案

确认删除?
VIP
微信客服
  • 扫码咨询
会员Q群
  • 会员专属群点击这里加入QQ群
客服邮箱
回到顶部