电脑桌面
添加小米粒文库到电脑桌面
安装后可以在桌面快捷访问

变压器试验方法VIP免费

变压器试验方法_第1页
1/10
变压器试验方法_第2页
2/10
变压器试验方法_第3页
3/10
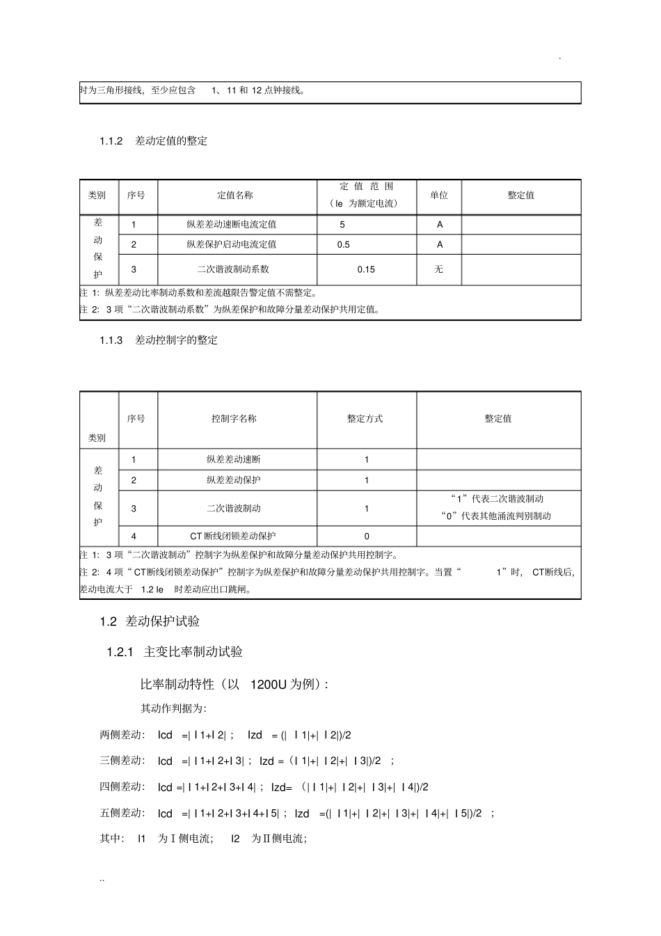
...变压器保护试验指导书(编写:陈敏)一差动保护试验...........................................................................21.1差动定值的整定......................................................................21.1.1设备参数定值......................................................................21.1.2差动定值的整定..................................................................31.1.3差动控制字的整定...............................................................31.2差动保护试验..........................................................................31.2.1主变比率制动试验................................................................31.2.2谐波闭锁试验.....................................................................5二复压闭锁过流保护....................................................................52.1复压闭锁过流定值的整定........................................................52.2复压闭锁过流保护试验............................................................6三零序过流保护...........................................................................83.1零序过流定值的整定...............................................................83.2零序过流保护试验...................................................................9...一差动保护试验1.1差动定值的整定1.1.1设备参数定值类别序号参数名称定值范围单位整定值基本参数1定值区号01无(正式运行定值置于“0”区,备用定值依次往后排列,调试定值置于最末区)2被保护设备满足8个汉字长度无根据现场实际情况整定变压器参数3主变高中压侧额定容量22.862MVA4主变低压侧额定容量22.862MVA5中压侧接线方式钟点数12无6低压侧接线方式钟点数11无7高压侧额定电压kV铭牌电压8中压侧额定电压kV9低压侧额定电压kVPT10高压侧PT一次值220kV线电压11中压侧PT一次值110kV12低压侧PT一次值11kVCT13高压侧CT一次值300A14高压侧CT二次值5A15高压侧零序CT一次值300A16高压侧零序CT二次值5A17高压侧间隙CT一次值300A18高压侧间隙CT二次值5A19中压侧CT一次值600A20中压侧CT二次值5A21中压侧零序CT一次值600A22中压侧零序CT二次值5A23中压侧间隙CT一次值600A24中压侧间隙CT二次值5A25低压侧CT一次值6000A26低压压侧CT二次值5A注1:当某侧(或某分支)无电流输入时,应将CT一次值整定为最小值。注2:PT二次侧额定线电压为100V,开口三角电压为300V。注3:变压器高压侧固定为12点钟接线方式,中低压侧接线方式钟点数整定“偶数”时为星形接线,整定“奇数”...时为三角形接线,至少应包含1、11和12点钟接线。1.1.2差动定值的整定类别序号定值名称定值范围(Ie为额定电流)单位整定值差动保护1纵差差动速断电流定值5A2纵差保护启动电流定值0.5A3二次谐波制动系数0.15无注1:纵差差动比率制动系数和差流越限告警定值不需整定。注2:3项“二次谐波制动系数”为纵差保护和故障分量差动保护共用定值。1.1.3差动控制字的整定类别序号控制字名称整定方式整定值差动保护1纵差差动速断12纵差差动保护13二次谐波制动1“1”代表二次谐波制动“0”代表其他涌流判别制动4CT断线闭锁差动保护0注1:3项“二次谐波制动”控制字为纵差保护和故障分量差动保护共用控制字。注2:4项“CT断线闭锁差动保护”控制字为纵差保护和故障分量差动保护共用控制字。当置“1”时,CT断线后,差动电流大于1.2Ie时差动应出口跳闸。1.2差动保护试验1.2.1主变比率制动试验比率制动特性(以1200U为例):其动作判据为:两侧差动:Icd=|I1+I2|;Izd=(|I1|+|I2|)/2三侧差动:Icd=|I1+I2+I3|;Izd=(I1|+|I2|+|I3|)/2;四侧差动:Icd=|I1+I2+I3+I4|;Izd=(|I1|+|I2|+|I3|+|I4|)/2五侧差动:Icd=|I1+I2+I3+I4+I5|;Izd=(|I1|+|I2|+|I3|+|I4|+|I5|)/2;其中:I1为Ⅰ侧电流;I2为Ⅱ侧电流;...I3为Ⅲ侧电流;I4为Ⅳ侧电流;I5为Ⅴ侧电流;Icd为差动保护电流定值;Icd为变压...

1、当您付费下载文档后,您只拥有了使用权限,并不意味着购买了版权,文档只能用于自身使用,不得用于其他商业用途(如 [转卖]进行直接盈利或[编辑后售卖]进行间接盈利)。
2、本站所有内容均由合作方或网友上传,本站不对文档的完整性、权威性及其观点立场正确性做任何保证或承诺!文档内容仅供研究参考,付费前请自行鉴别。
3、如文档内容存在违规,或者侵犯商业秘密、侵犯著作权等,请点击“违规举报”。

碎片内容

变压器试验方法

确认删除?
VIP
微信客服
  • 扫码咨询
会员Q群
  • 会员专属群点击这里加入QQ群
客服邮箱
回到顶部