电脑桌面
添加小米粒文库到电脑桌面
安装后可以在桌面快捷访问

应变硬化报告VIP免费

应变硬化报告_第1页
1/13
应变硬化报告_第2页
2/13
应变硬化报告_第3页
3/13
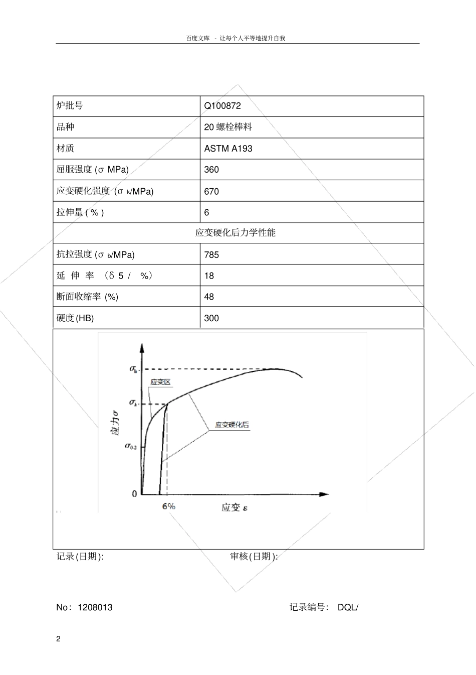
百度文库-让每个人平等地提升自我1No:1208011记录编号:DQL/记录(日期):审核(日期):No:1208012记录编号:DQL/品种12螺栓棒料材质ASTMA193屈服强度(σMPa)395应变硬化强度(σ/MPa)670拉伸量(%)6应变硬化后力学性能b795/%(%)310炉批号Q10087216390k675抗拉强度(σ/MPa)790延伸率(δ5)17断面收缩率47硬度(HB)305百度文库-让每个人平等地提升自我2记录(日期):审核(日期):No:1208013记录编号:DQL/炉批号Q100872品种20螺栓棒料材质ASTMA193屈服强度(σMPa)360应变硬化强度(σk/MPa)670拉伸量(%)6应变硬化后力学性能抗拉强度(σb/MPa)785延伸率(δ5/%)18断面收缩率(%)48硬度(HB)300百度文库-让每个人平等地提升自我3记录(日期):审核(日期):No:1208014记录编号:DQL/炉批号Q100968S品种24螺栓棒料材质ASTMA193屈服强度(σMPa)320应变硬化强度(σk/MPa)565拉伸量(%)6应变硬化后力学性能抗拉强度(σb/MPa)710延伸率(δ5/%)23断面收缩率(%)50硬度(HB)290百度文库-让每个人平等地提升自我4记录(日期):审核(日期):No:1208015记录编号:DQL/炉批号Q100968S品种27螺栓棒料材质ASTMA193屈服强度(σMPa)290应变硬化强度(σk/MPa)480拉伸量(%)6应变硬化后力学性能抗拉强度(σb/MPa)670延伸率(δ5/%)29断面收缩率(%)52硬度(HB)286百度文库-让每个人平等地提升自我5记录(日期):审核(日期):No:1208016记录编号:DQL/炉批号Q100968S品种30螺栓棒料材质ASTMA193屈服强度(σMPa)280应变硬化强度(σk/MPa)475拉伸量(%)6应变硬化后力学性能抗拉强度(σb/MPa)665延伸率(δ5/%)31断面收缩率(%)53硬度(HB)282百度文库-让每个人平等地提升自我6记录(日期):审核(日期):No:1208017记录编号:DQL/炉批号Q100968S品种33螺栓棒料材质ASTMA193屈服强度(σMPa)255应变硬化强度(σk/MPa)380拉伸量(%)6应变硬化后力学性能抗拉强度(σb/MPa)645延伸率(δ5/%)35断面收缩率(%)56硬度(HB)278百度文库-让每个人平等地提升自我7记录(日期):审核(日期):材料规格(cm)22材质316抗拉强度(σb/MPa)785屈服强度(σMPa)380应变硬化强度(σk/MPa)670保压时间(h)拉伸量(%)6拉力硬化温度(°C)30延伸率A%(δ5/%)18断面收缩率(%)48百度文库-让每个人平等地提升自我8操作员:见证人:东台市强力特种钢标准件厂应变硬化报告材料规格(cm)26材质316抗拉强度(σb/MPa)710屈服强度(σMPa)375应变硬化强度(σk/MPa)565保压时间(h)拉伸量(%)6拉力硬化温度(°C)30延伸率A%(δ5/%)23断面收缩率(%)50百度文库-让每个人平等地提升自我9操作员:见证人:东台市强力特种钢标准件厂应变硬化报告材料规格(cm)30材质316抗拉强度(σb/MPa)670屈服强度(σMPa)380应变硬化强度(σk/MPa)480保压时间(h)拉伸量(%)6拉力硬化温度(°C)30延伸率A%(δ5/%)29断面收缩率(%)52百度文库-让每个人平等地提升自我10操作员:见证人:东台市强力特种钢标准件厂应变硬化报告材料规格(cm)34材质316抗拉强度(σb/MPa)665屈服强度(σMPa)375应变硬化强度(σk/MPa)475保压时间(h)拉伸量(%)6拉力硬化温度(°C)30延伸率A%(δ5/%)31断面收缩率(%)53百度文库-让每个人平等地提升自我11操作员:见证人:东台市强力特种钢标准件厂应变硬化报告材料规格(cm)36材质316抗拉强度(σb/MPa)645屈服强度(σMPa)315应变硬化强度(σk/MPa)380保压时间(h)拉伸量(%)6拉力硬化温度(°C)30延伸率A%(δ5/%)35断面收缩率(%)56百度文库-让每个人平等地提升自我12操作员:见证人:东台市强力特种钢标准件厂应变硬化报告材料规格(cm)15材质316抗拉强度(σb/MPa)780屈服强度(σMPa)415应变硬化强度(σk/MPa)670保压时间(h)拉伸量(%)6拉力硬化温度(°C)30延伸率A%(δ5/%)17断面收缩率(%)47百度文库-让每个人平等地提升自我13操作员:见证人:

1、当您付费下载文档后,您只拥有了使用权限,并不意味着购买了版权,文档只能用于自身使用,不得用于其他商业用途(如 [转卖]进行直接盈利或[编辑后售卖]进行间接盈利)。
2、本站所有内容均由合作方或网友上传,本站不对文档的完整性、权威性及其观点立场正确性做任何保证或承诺!文档内容仅供研究参考,付费前请自行鉴别。
3、如文档内容存在违规,或者侵犯商业秘密、侵犯著作权等,请点击“违规举报”。

碎片内容

应变硬化报告

确认删除?
VIP
微信客服
  • 扫码咨询
会员Q群
  • 会员专属群点击这里加入QQ群
客服邮箱
回到顶部