电脑桌面
添加小米粒文库到电脑桌面
安装后可以在桌面快捷访问

069 钢筋分项工程(钢筋连接、钢筋安装)检验批质量验收记录Tj4-1-25VIP免费

069 钢筋分项工程(钢筋连接、钢筋安装)检验批质量验收记录Tj4-1-25_第1页
1/2
069 钢筋分项工程(钢筋连接、钢筋安装)检验批质量验收记录Tj4-1-25_第2页
2/2
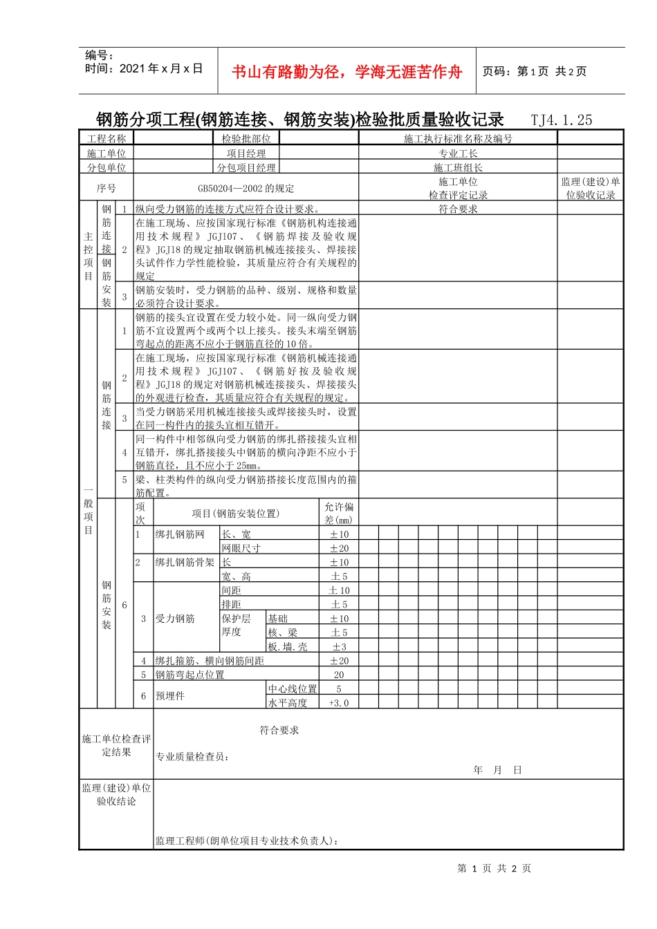
第1页共2页编号:时间:2021年x月x日书山有路勤为径,学海无涯苦作舟页码:第1页共2页钢筋分项工程(钢筋连接、钢筋安装)检验批质量验收记录TJ4.1.25工程名称检验批部位施工执行标准名称及编号施工单位项目经理专业工长分包单位分包项目经理施工班组长序号GB50204—2002的规定施工单位检查评定记录监理(建设)单位验收记录主控项目钢筋连接1纵向受力钢筋的连接方式应符合设计要求。符合要求2在施工现场、应按国家现行标准《钢筋机构连接通用技术规程》JGJl07、《钢筋焊接及验收规程》JGJl8的规定抽取钢筋机械连接接头、焊接接头试件作力学性能检验,其质量应符合有关规程的规定钢筋安装3钢筋安装时,受力钢筋的品种、级别、规格和数量必须符合设计要求。一般项目钢筋连接1钢筋的接头宜设置在受力较小处。同一纵向受力钢筋不宜设置两个或两个以上接头。接头末端至钢筋弯起点的距离不应小于钢筋直径的10倍。2在施工现场,应按国家现行标准《钢筋机械连接通用技术规程》JGJ107、《钢筋好按及验收规程》JGJ18的规定对钢筋机械连接接头、焊接接头的外观进行检查,其质量应符合有关规程的规定。3当受力钢筋采用机械连接接头或焊接接头时,设置在同一构件内的接头宜相互错开。4同一构件中相邻纵向受力钢筋的绑扎搭接接头宜相互错开,绑扎搭接接头中钢筋的横向净距不应小于钢筋直径,且不应小于25mm。5梁、柱类构件的纵向受力钢筋搭接长度范围内的箍筋配置。钢筋安装6项次项目(钢筋安装位置)允许偏差(mm)1绑扎钢筋网长、宽±10网眼尺寸±202绑扎钢筋骨架长±10宽、高土53受力钢筋间距土10排距土5保护层厚度基础±10核、梁土5板.墙.壳±34绑扎箍筋、横向钢筋间距±205钢筋弯起点位置206预埋件中心线位置5水平高度+3.0施工单位检查评定结果符合要求专业质量检查员:年月日监理(建设)单位验收结论监理工程师(朗单位项目专业技术负责人):第2页共2页第1页共2页编号:时间:2021年x月x日书山有路勤为径,学海无涯苦作舟页码:第2页共2页年月日

1、当您付费下载文档后,您只拥有了使用权限,并不意味着购买了版权,文档只能用于自身使用,不得用于其他商业用途(如 [转卖]进行直接盈利或[编辑后售卖]进行间接盈利)。
2、本站所有内容均由合作方或网友上传,本站不对文档的完整性、权威性及其观点立场正确性做任何保证或承诺!文档内容仅供研究参考,付费前请自行鉴别。
3、如文档内容存在违规,或者侵犯商业秘密、侵犯著作权等,请点击“违规举报”。

碎片内容

069 钢筋分项工程(钢筋连接、钢筋安装)检验批质量验收记录Tj4-1-25

您可能关注的文档

确认删除?
VIP
微信客服
  • 扫码咨询
会员Q群
  • 会员专属群点击这里加入QQ群
客服邮箱
回到顶部