电脑桌面
添加小米粒文库到电脑桌面
安装后可以在桌面快捷访问

供排水企业安全检查表doc-目录VIP免费

供排水企业安全检查表doc-目录_第1页
1/3
供排水企业安全检查表doc-目录_第2页
2/3
供排水企业安全检查表doc-目录_第3页
3/3
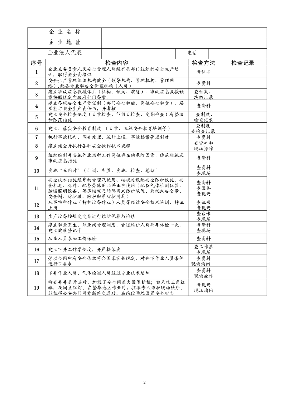
自治州排水、排污企业安全检查表(试行)巴音郭楞蒙古自治州安全生产监督管理局制二○○六年五月表一排水、排污企业安全检查表年月日1企业名称企业地址企业法人代表电话序号检查内容检查方法检查记录1企业主要负责人及安全管理人员经有关部门组织的安全生产培训,取得安全资格证查证书2安全生产管理组织机构健全(领导机构、管理机构、管理网络),配备专兼职安全管理机构(人员)查资料3建立事故应急救援体系(机构、预案、演练),事故应急救援预案按照规定向政府部门备案;查预案、演练记录4建立各级安全生产责任制(部门安全职能、岗位安全职责),层层签订安全生产责任书,并考核查资料5建立安全检查制度(日常检查、节假日检查、定期检查)有整改和防范措施查制度、检查记录6建立、落实安全教育制度(日常、三级安全教育培训等)查制度查检查记录7执行事故报告、调查处理、统计上报、事故档案管理制度查资料8建立健全并执行各种安全操作技术规程查资料和现场操作9组织编制并实施作业场所工作岗位存在的危险因素、防范措施及事故应急措施查资料10实施“五同时”(计划、布置、实施、检查、总结)查资料查现场11安全技术措施经费的管理及使用、按规定设配安全防护设施、安全标志、标牌,配备劳保用品并正确使用(配备气体检测仪器、防爆照明设备、供压缩空气的隔离式防护装置、悬托式安全带、安全帽、防护服、防护鞋等防护用具)查资料查设备查现场12从事特种作业(特种设备作业)人员等经过安全技术培训,持证上岗查证书查现场13生产设备按规定定期进行维护保养与检修查台帐查现场14建立职业卫生、职业病管理制度,管道维护人员每年体检一次,建立健康登记卡查资料查现场15从业人员参加工伤保险查资料16建立下井工作票制度,并严格落实查工作票查现场17劳动合同中有安全条款符合国家有关规定,对井下作业人员条件进行了要求查资料现场询问18下井作业人员、气体检测人员经过专业技术培训查资料现场操作19检查井井盖开启后,加装了安全网盖火设置护栏;白天挂三角红旗,夜间点红灯。在繁华地区作业时,指派专人维护现场秩序。经征得公安部门同意断绝交通后,在路段两端设置安全标志查现场现场询问2第3页共3页编号:时间:2021年x月x日书山有路勤为径,学海无涯苦作舟页码:第3页共3页20管道维护作业现场、井下严禁明火,车辆行人不得进入作业区查现场现场询问21操作人员下井作业时,井上有两人监护。若进入管道,应在井下增加监护人员作中间联络,监护人员不得擅离职守。严禁进入管径小于0.8m的管道内作业查现场现场询问22每次井下连续作业时间不宜超过1小时,下井前进行自然通风和气体检测,自然通风后,井下仍缺氧、有毒有害气体超标、易燃气体在爆炸范围内时,应进行人工通风。井下作业时,有专人监控水量。查现场查设备现场询问23防爆型照明设备供电电压不得大于12V,保障井下作业面上必要的光照,保障井上、井下人员之间联系的通信工具查现场查设备现场询问24严禁使用过滤式防毒面具和隔离式供氧面具,必须使用供压缩空气的隔离式防护装具作为防毒面具。污水管道、合流管道、缺氧或有毒有害气体超标的管道,维护人员井下作业时必须带供压缩空气的隔离式防护装具查现场现场询问25维护人员下井时,必须配备悬托式安全带,其性能符合国家标准,维护人员从事维护时,必须带安全帽、手套,穿防护服、鞋,在地面上掏挖井内污泥或维修检查井时,应带口罩,必要时应采取防毒措施查现场现场询问26现场作业电气设备符合国家有关安全规定,电气设备有可熔保护和漏电保护,绝缘良好、有可靠的接地和接零保护措施,潮湿生产场所和移动式电气设备,应采用安全电压。电气设备必须符合相应防护等级的安全技术要求查现场现场询问检查结论:存在主要问题:整改意见:被查单位:检查单位:被查单位负责人(签名):检查人员(签名):

1、当您付费下载文档后,您只拥有了使用权限,并不意味着购买了版权,文档只能用于自身使用,不得用于其他商业用途(如 [转卖]进行直接盈利或[编辑后售卖]进行间接盈利)。
2、本站所有内容均由合作方或网友上传,本站不对文档的完整性、权威性及其观点立场正确性做任何保证或承诺!文档内容仅供研究参考,付费前请自行鉴别。
3、如文档内容存在违规,或者侵犯商业秘密、侵犯著作权等,请点击“违规举报”。

碎片内容

供排水企业安全检查表doc-目录

您可能关注的文档

确认删除?
VIP
微信客服
  • 扫码咨询
会员Q群
  • 会员专属群点击这里加入QQ群
客服邮箱
回到顶部