电脑桌面
添加小米粒文库到电脑桌面
安装后可以在桌面快捷访问

TVT-99D机械手模型VIP免费

TVT-99D机械手模型_第1页
1/4
TVT-99D机械手模型_第2页
2/4
TVT-99D机械手模型_第3页
3/4
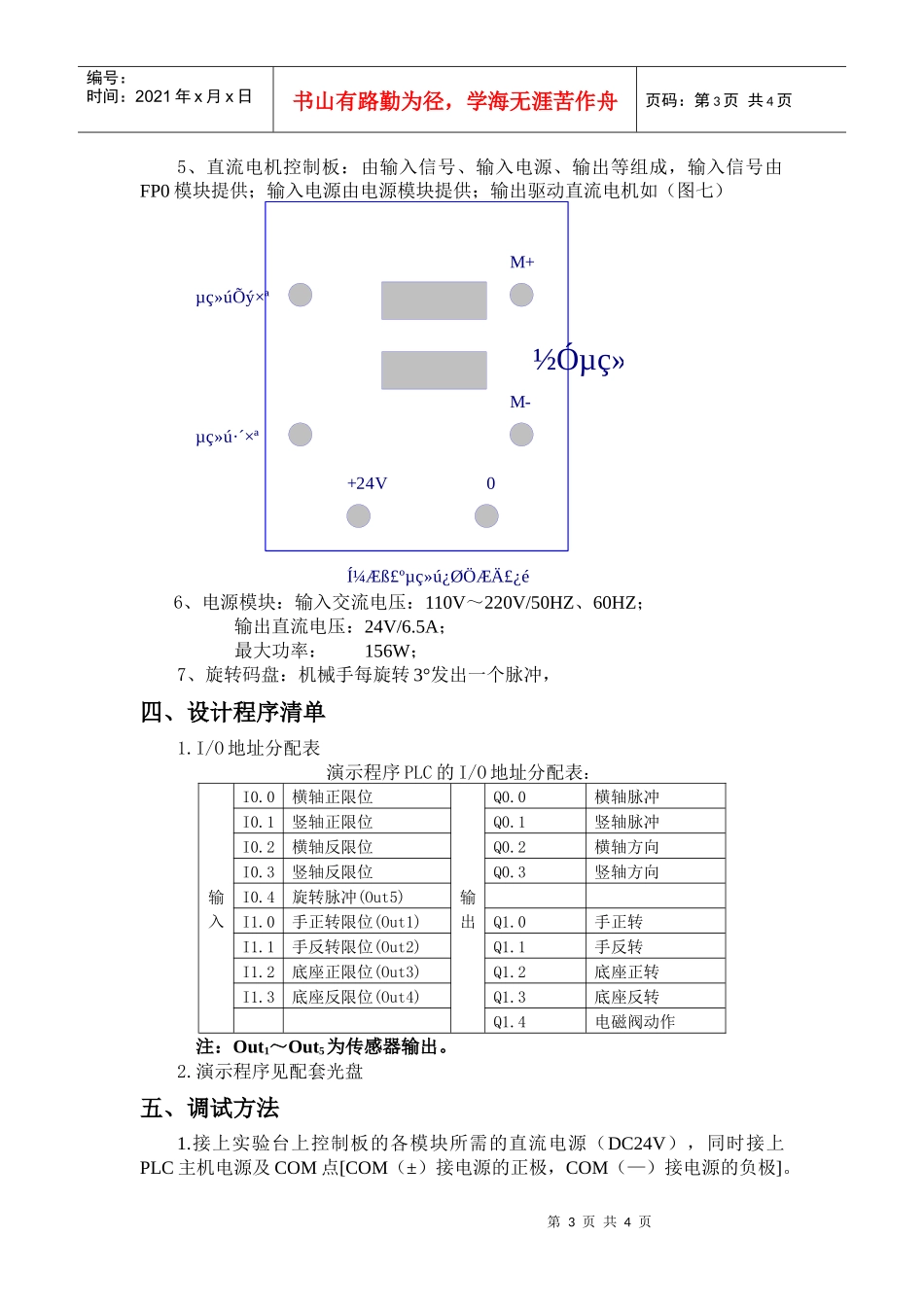
第1页共4页编号:时间:2021年x月x日书山有路勤为径,学海无涯苦作舟页码:第1页共4页TVT-99D机械手模型一、实验目的1.掌握PLC控制的基本原理、步进电机及驱动模块、直流电机、传感器、开关电源等器件的原理及使用。2.掌握计算机监控软件,掌握计算机上位监控3.掌握位置控制技术、气动技术二、实验设备1.机械手模型1台2.计算机1台3.编程电缆1根三、实验原理与步骤1.步进电机采用二相八拍混合式步进电机,主要特点:体积小,具有较高的起动和运行频率,有定位转矩等优点。型号:42BYGH101。电气原理图如图一快接线插头:红色表示A相,兰色表示B相.在您做实验时如果发现步进电机转向不对时可以将A相或B相中的两条线对调。2、步进电机驱动模块采用中美合资SH系列步进电机驱动器,主要由电源输入部分、信号输入部分、输出部分等。电源输入部分由电源模块提供,用两根导线连接,注意极性。(见图二)信号输入部分:信号源由FP0主机提供。由于FP0提供的电平为24V,而输入部分的电平为5V,中间加了保护电路。输出部分:与步进电机连接,注意相序。AABBºìÀ¼Â̺ÚÀ¼À¼ºìºì¿ì½Ó²åͷͼһ£º²½½øµç»úÔ­Àíͼ第2页共4页第1页共4页编号:时间:2021年x月x日书山有路勤为径,学海无涯苦作舟页码:第2页共4页­3.传感器(1).接近开关:接近开关有三根连接线(红、兰、黑)红色接电源的正极、黑色接电源的负极、兰色为输出信号,当与挡块接近时输出电平为低电平,否则为高电平。结构图如(图三)(2).微动开关:当挡块碰到微动开关动作(常开点闭合)见结构图(图四)图四微动开关原理图图五:梯形图及f/t图4、直流电机:输入电压为12V~24V,两根导线输入红色为直流电机正极,兰色为负极。CP­²½½øÂö³åDIR­·½ÏòµçƽFREE­ÍÑ»úµçƽOPTO­¹«¹²Ñô¶Ë­A+A-B+B-+-µçÔ´ÊäÈ루24V¡«40V£©²½½øÇý¶¯Æ÷ͼ¶þ£ºÇý¶¯Ä£¿é±£»¤µç·OPTOOPTOFREEFREEDIRDIRCPCPÍâ½ÓÐźÅÓëÇý¶¯Ä£¿éÁ¬½Ó±£»¤µç·ԭÀíͼ1.5k1.5k1.5k6V6V6V¸ÐÓ¦Ìå´«¸ÐÆ÷ÄÚ²¿½á¹¹ºìºÚÀ¼µçÔ´ÕýÊä³öµçÔ´¸ºÍ¼Èý£º½Ó½ü¿ª¹Ø½á¹¹Í¼第3页共4页第2页共4页编号:时间:2021年x月x日书山有路勤为径,学海无涯苦作舟页码:第3页共4页5、直流电机控制板:由输入信号、输入电源、输出等组成,输入信号由FP0模块提供;输入电源由电源模块提供;输出驱动直流电机如(图七)6、电源模块:输入交流电压:110V~220V/50HZ、60HZ;­­­­­­­­­­­­­输出直流电压:24V/6.5A;­­­­­­­­­­­­­最大功率:156W;7、旋转码盘:机械手每旋转3°发出一个脉冲,四、设计程序清单1.I/O地址分配表演示程序PLC的I/O地址分配表:输入I0.0横轴正限位输出Q0.0横轴脉冲I0.1竖轴正限位Q0.1竖轴脉冲I0.2横轴反限位Q0.2横轴方向I0.3竖轴反限位Q0.3竖轴方向I0.4旋转脉冲(Out5)I1.0手正转限位(Out1)Q1.0手正转I1.1手反转限位(Out2)Q1.1手反转I1.2底座正限位(Out3)Q1.2底座正转I1.3底座反限位(Out4)Q1.3底座反转Q1.4电磁阀动作注:Out1~Out5为传感器输出。2.演示程序见配套光盘五、调试方法1.接上实验台上控制板的各模块所需的直流电源(DC24V),同时接上PLC主机电源及COM点[COM(±)接电源的正极,COM(—)接电源的负极]。+24V0M+M-µç»úÕýתµç»ú·´×ªÍ¼Æß£ºµç»ú¿ØÖÆÄ£¿é½Óµç»ú第4页共4页第3页共4页编号:时间:2021年x月x日书山有路勤为径,学海无涯苦作舟页码:第4页共4页2.定义实验板上的步进驱动器,上为1号下为2号。将1号的步进驱动器输出的信号与机械手横轴的步进电机线相连。将2号的步进驱动器输出的信号与机械手竖轴的步进电机线相连。其它的线,根据线标接在实验板或主机上的相应位置。注:输出部分L+接VCC(24V);M接GND(0V)输入部分M接VCC(24V)3.PLC输出脉冲信号接入步进电机的驱动器(Q0.0,Q0.2为一通道的脉冲与方向;Q0.1,Q0.3为二通道的脉冲与方向;驱动器的OPTO端接电源的正极)Q0....

1、当您付费下载文档后,您只拥有了使用权限,并不意味着购买了版权,文档只能用于自身使用,不得用于其他商业用途(如 [转卖]进行直接盈利或[编辑后售卖]进行间接盈利)。
2、本站所有内容均由合作方或网友上传,本站不对文档的完整性、权威性及其观点立场正确性做任何保证或承诺!文档内容仅供研究参考,付费前请自行鉴别。
3、如文档内容存在违规,或者侵犯商业秘密、侵犯著作权等,请点击“违规举报”。

碎片内容

TVT-99D机械手模型

教育教学文库+ 关注
实名认证
内容提供者

本店有大量的教育教学资料,课件

确认删除?
VIP
微信客服
  • 扫码咨询
会员Q群
  • 会员专属群点击这里加入QQ群
客服邮箱
回到顶部