电脑桌面
添加小米粒文库到电脑桌面
安装后可以在桌面快捷访问

前期工程取费标准VIP免费

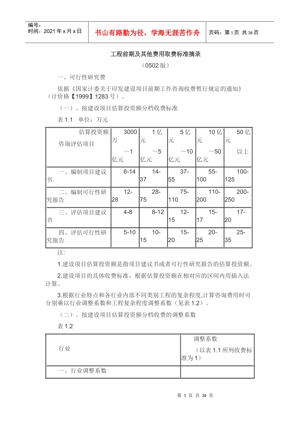
前期工程取费标准_第1页
1/36
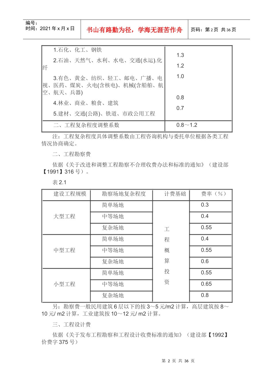
前期工程取费标准_第2页
2/36
前期工程取费标准_第3页
3/36
第1页共36页编号:时间:2021年x月x日书山有路勤为径,学海无涯苦作舟页码:第1页共36页工程前期及其他费用取费标准摘录(0502版)一、可行性研究费依据《国家计委关于印发建设项目前期工作咨询收费暂行规定的通知》(计价格【1999】1283号)。(一)、按建设项目估算投资额分档收费标准表1.1单位:万元估算投资额咨询评估项目3000万~1亿元1亿元~5亿元5亿元~10亿元10亿元~50亿元50亿元以上一、编制项目建议书6-1414-3737-5555-100100-125二、编制可行性研究报告12-2828-7575-110110-200200-250三、评估项目建议书4-88-1212-1515-1717-20四、评估可行性研究报告5-1010-1515-2020-2525-35注:1.建设项目估算投资额是指项目建议书或者可行性研究报告的估算投资额。2.建设项目的具体收费标准,根据估算投资额在相对应的区间内用插入法计算。3.根据行业特点和各行业内部不同类别工程的复杂程度,计算咨询费用时可分别乘以行业调整系数和工程复杂程度调整系数(见表1.2)。(二)、按建设项目估算投资额分档收费的调整系数表1.2行业调整系数(以表1.1所列收费标准为1)一、行业调整系数第2页共36页第1页共36页编号:时间:2021年x月x日书山有路勤为径,学海无涯苦作舟页码:第2页共36页1.石化、化工、钢铁2.石油、天然气、水利、水电、交通(水运).化纤3.有色、黄金、纺织、轻工、邮电、广播、电视、医药、煤炭、火电(含核电)、机械(含船舶、航空、航天、兵器)4.林业、商业、粮食、建筑5.建材、交通(公路)、铁道、市政公用工程1.31.21.00.80.7二、工程复杂程度调整系数0.8~1.2注:工程复杂程度具体调整系数由工程咨询机构与委托单位根据各类工程情况协商确定。二、工程勘察费依据《关于改进和调整工程勘察不合理收费办法和标准的通知》(建设部【1991】316号)。表2.1建设工程规模勘察场地复杂程度计费基础费率(%)大型工程简单场地工程概算投资0.3中等场地0.4复杂场地0.55中型工程简单场地0.4中等场地0.55复杂场地0.6小型工程简单场地0.55中等场地0.65复杂场地0.8另:勘察费一般民用建筑6层以下的按3~5元/m2计算,高层建筑按8~10元/m2计算,工业建筑按10~12元/m2计算。三、工程设计费依据《关于发布工程勘察和工程设计收费标准的通知》(建设部【1992】价费字375号)第3页共36页第2页共36页编号:时间:2021年x月x日书山有路勤为径,学海无涯苦作舟页码:第3页共36页表3.1工程等级工程概算投资(万元)300以下301~10001001~30003001以上一级2.01.91.81.7二级1.81.71.61.5三级1.61.51.41.3四级1.41.31.2五级1.21.1注:特级工程在上表一级工程收费标准的基础上乘以1.1的系数。民用建筑工程设计等级分类表表3.2类型工程等级特征特级一级二级三级一般公共建筑单体建筑面积8万m2以上2万m2以上至8万m25000m2以上至2万m25000m2以下立项投资2亿元以上4000万元以上至2亿元1000万元以上至4000万元1000万元及以下建筑高度100m以上500m以上至100m24m以上至50m24m及以下(其中砌体建筑不得超过抗震规范高度限值要求)住层数20层12层以上12层及以第4页共36页第3页共36页编号:时间:2021年x月x日书山有路勤为径,学海无涯苦作舟页码:第4页共36页类型工程等级特征特级一级二级三级宅、宿舍以上至20层下(其中砌体建筑不得超过抗震规范层数限值要求)住宅小区、工厂生活区总建筑面积10万m2以上10万m2及以下地下空间(总建筑面积)5万m2以上1万m2以上至5万m21万m2及以下地下工程附建式人防(防护等级)四级及以上五级及以下特殊公共建筑超限高层建筑抗震要求抗震设防区特殊超限高层建筑抗震设防区建筑高度100m及以下的一般超限高层建筑技术复杂、有声、光、热、振动、视线等特殊要求技术特别复杂技术比较复杂重要性国家级经济、文件、历史、涉外等重点工程项目省级经济、文化、历史、涉外等重点工程项目四、工程保险费参考现行保险政策第5页共36页第4页共36页编号:时间:2021年x月x日书山有路勤为径,学海无涯苦作舟页码:第5页共36页表4.1序号工程名称保险费率(‰)1建筑工程1.1民用建筑住宅楼、综合性大楼、商场、旅馆、医院、学校等2~41.2其他建筑工业厂房、仓库、道路、码头、水坝、隧道...

1、当您付费下载文档后,您只拥有了使用权限,并不意味着购买了版权,文档只能用于自身使用,不得用于其他商业用途(如 [转卖]进行直接盈利或[编辑后售卖]进行间接盈利)。
2、本站所有内容均由合作方或网友上传,本站不对文档的完整性、权威性及其观点立场正确性做任何保证或承诺!文档内容仅供研究参考,付费前请自行鉴别。
3、如文档内容存在违规,或者侵犯商业秘密、侵犯著作权等,请点击“违规举报”。

碎片内容

前期工程取费标准

您可能关注的文档

确认删除?
VIP
微信客服
  • 扫码咨询
会员Q群
  • 会员专属群点击这里加入QQ群
客服邮箱
回到顶部