电脑桌面
添加小米粒文库到电脑桌面
安装后可以在桌面快捷访问

北京市建设工程施工安全监督管理规定VIP免费

北京市建设工程施工安全监督管理规定_第1页
1/11
北京市建设工程施工安全监督管理规定_第2页
2/11
北京市建设工程施工安全监督管理规定_第3页
3/11
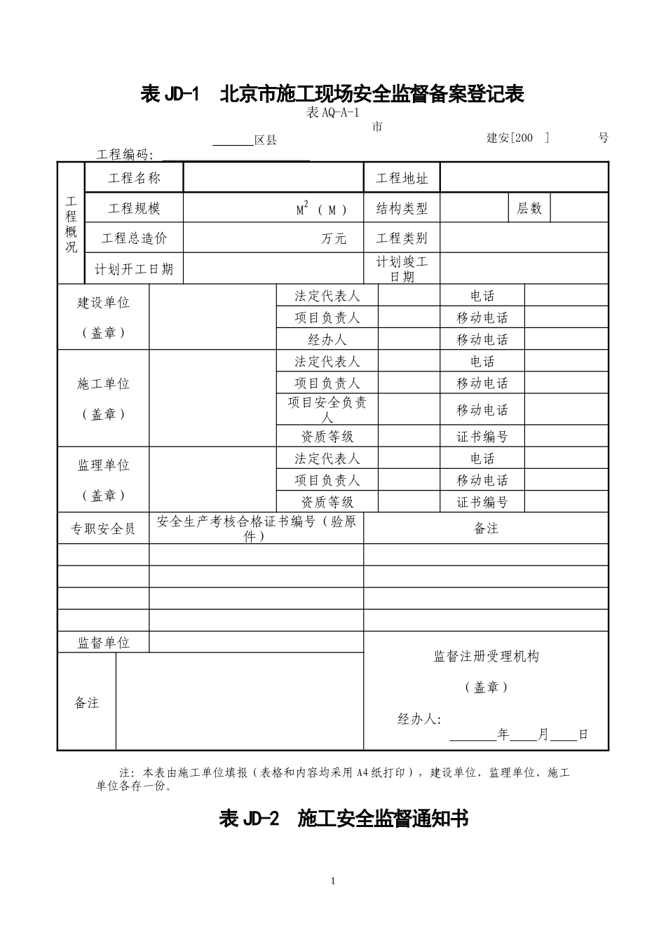
表JD-1北京市施工现场安全监督备案登记表表AQ-A-1市区县工程编码:工程概况工程名称工程地址工程规模M2(M)结构类型层数工程总造价万元工程类别计划开工日期计划竣工日期建设单位(盖章)法定代表人电话项目负责人移动电话经办人移动电话施工单位(盖章)法定代表人电话项目负责人移动电话项目安全负责人移动电话资质等级证书编号监理单位(盖章)法定代表人电话项目负责人移动电话资质等级证书编号专职安全员安全生产考核合格证书编号(验原件)备注监督单位监督注册受理机构(盖章)经办人:年月日备注注:本表由施工单位填报(表格和内容均采用A4纸打印),建设单位、监理单位、施工单位各存一份。表JD-2施工安全监督通知书建安[200]号1:由你单位建设的工程,自工程办理安全监督备案手续之日起由我部门负责施工安全监督工作,请给予支持、配合。监督工作负责人:联系人:联系电话:签收建设单位项目负责人签收时间监督部门(盖章)年月日附:一、监督依据:国家法律、法规、工程建设强制性标准和本市施工安全的有关规定。二、监督内容:安全监督机构对工程参建各有关单位执行建设工程有关安全法律、法规和强制性标准情况、施工安全有关文件和资料、工程实体安全防护进行监督抽查。三、监督要求:㈠工程参建各有关单位应当严格遵守《中华人民共和国建筑法》和《建设工程安全生产管理条例》、《建筑施工企业安全生产许可证管理规定》等工程建设有关法律、法规和规范性文件的规定,承担相应的安全责任和义务;㈡工程建设应当严格执行国家基本建设程序;㈢建设单位接到本通知书后应当告知监理单位及施工单位;㈣安全监督机构责令整改的问题,参建各有关单位要认真执行,整改结果应当以书面报告的形式及时回复安全监督机构;㈤工程如发生重大安全事故须立即报告安全监督机构。㈥工程参建单位对呈报给安全监督机构的各种文件的真实性负责。注:此表一式两份,安全监督机构和工程建设单位各执一份。2表JD-3项目安全管理人员一览表工程名称:填写日期年月日项目单位名称项目姓名职务技术职称岗位证书名称联系电话建设单位单位法人项目负责人总承包单位公司法人公司技术负责人公司安全部门负责人项目经理项目技术负责人项目安全部门负责人监理单位单位法人总监理工程师总监理工程师代表安全监理工程师注:此表由建设单位填写,并附技术职称证、岗位证书复印件(加盖单位公章)3第4页共11页编号:时间:2021年x月x日书山有路勤为径,学海无涯苦作舟页码:第4页共11页表JD-4施工现场安全监督检查记录编号:工程名称:地址:建设单位:现场负责人:联系电话:施工单位:现场负责人:联系电话:施工许可证号:建筑面积:结构类型:层数:形象进度:开工日期:竣工日期:经抽查,施工现场存在以下主要问题:整改意见及要求:整改合格后,由监理单位()、区建委监督机构()、市建委监督机构()等复查确认后,方可继续施工或进行下一道工序。受检单位负责人(签名)安全监督人员(签名)监理单位负责人(签名)安全监督人员(签名)年月日年月日第5页共11页第4页共11页编号:时间:2021年x月x日书山有路勤为径,学海无涯苦作舟页码:第5页共11页表JD-5责令(限期)改正通知书编号:━━━━━━━━━━━━━━━━━━━━━━━━━━━━━━━━(当事人):你(单位)的行为,违反了的规定,根据《中华人民共和国行政处罚法》第二十三条的规定,本执法组织责令你(单位)于年月日前改正该行为。(逾期不改,本执法组织将依据_____________________________________作出行政处罚决定。)依据《中华人民共和国行政处罚法》第六条的规定,你(单位)依法享有陈述权、申辩权。如对本通知持有异议,可以在收到本通知书之日起60日内向北京市人民政府或建设部申请行政复议;也可以在3个月内直接向人民法院起诉。执法组织(印章)年月日第6页共11页第5页共11页编号:时间:2021年x月x日书山有路勤为径,学海无涯苦作舟页码:第6页共11页表JD-6责令停工整改通知书编号:━━━━━━━━━━━━━━━━━━━━━━━━━━━━━━━━(当事人):你(单位)的行为,违反了的规定,根据《建设工程安全生产管理条例》第...

1、当您付费下载文档后,您只拥有了使用权限,并不意味着购买了版权,文档只能用于自身使用,不得用于其他商业用途(如 [转卖]进行直接盈利或[编辑后售卖]进行间接盈利)。
2、本站所有内容均由合作方或网友上传,本站不对文档的完整性、权威性及其观点立场正确性做任何保证或承诺!文档内容仅供研究参考,付费前请自行鉴别。
3、如文档内容存在违规,或者侵犯商业秘密、侵犯著作权等,请点击“违规举报”。

碎片内容

北京市建设工程施工安全监督管理规定

您可能关注的文档

确认删除?
VIP
微信客服
  • 扫码咨询
会员Q群
  • 会员专属群点击这里加入QQ群
客服邮箱
回到顶部