电脑桌面
添加小米粒文库到电脑桌面
安装后可以在桌面快捷访问

主运输大巷掘进施工作业规程VIP免费

主运输大巷掘进施工作业规程_第1页
1/44
主运输大巷掘进施工作业规程_第2页
2/44
主运输大巷掘进施工作业规程_第3页
3/44
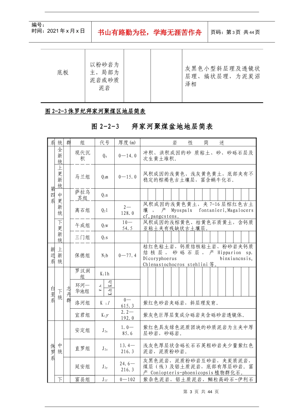
第1页共44页编号:时间:2021年x月x日书山有路勤为径,学海无涯苦作舟页码:第1页共44页永寿平遥毛家山煤矿主运输大巷掘进施工作业规程第一章概况第一节概述一、巷道名称主运输大巷掘进施工二、掘进目的及用途掘进目的及巷道用途:负责承担矿井的运煤、进风、行人任务。三、服务年限服务年限10年。四、工程概况1、毛家山矿井运输大巷设计长度1200m,沿煤层顶板掘进,巷道采用直墙半圆拱断面,掘进断面16㎡,净断面14.7㎡,掘宽4800mm,掘高3900mm,净宽4500mm,净高3600mm。现已掘进里程220m,根据目前揭露情况,为加快项目建设进度,确保巷道支护质量,将原锚网索喷支护,变更为锚网喷浆架棚联合支护方式。喷厚120mm,铺设150mm混凝土底板,掘进机掘进。2、工程概况表:第二节编写依据一、根据毛家山煤矿(整合区)勘探报告和委托陕西高新煤炭设计公司编写的《平遥毛家山煤矿资源整合实施方案开采设计》及相关资料。二、根据《煤矿安全规程》、《掘进各工种操作规程》及《煤矿井巷工程质量验收规范》等与本工程有关的国家及部颁布现行各种技术规范、规程、规定。附图1:运输大巷平面布置图第二章地面位置及地质情况第一节地面相对位置及邻近采区开采情况地面相对位置及邻近采区开采情况见表2-1。巷道名称设计工程量(m)净宽(mm)净高(mm)开工日期计划竣工日期运输大巷运输大巷掘进1200450036002013年5月待定第2页共44页第1页共44页编号:时间:2021年x月x日书山有路勤为径,学海无涯苦作舟页码:第2页共44页表2-1井上下对照关系表水平、采区+1295m工程名称运输大巷运输大巷掘进井口标高/m+1295m井底标高/m+1220地面的相对位置建筑物、小井及其他运输大巷地表为黄土塬、黄土梁和沟壑地段井下相对位置对掘进巷道的影响运输大巷位于主斜井西侧,与回风大巷方向平行布置临近采掘情况对掘进巷道的影响运输大巷布置在井田中央位置,北为回风大巷,南为辅助运输巷,邻近无开采采区。第二节煤(岩)层赋存特征煤(岩)层赋存特征见表2-2-1;煤层顶、底板情况见表2-2-2;4#煤岩层综合柱状图见图2-2-3。表2-2-1煤层特征情况表指标参数备注煤层厚度(最小~最大/平均)/m0.8~4.69/4.0煤层倾角(最小~最大/平均)/(°)10°左右煤层硬度f1.8-2.4煤层层理(发育程度)不发育煤层节理(发育程度)不发育自燃发火期/d30~180发火期短绝对瓦斯量/(m3·min-1)0.31低瓦斯矿井煤层爆炸指数/%60具有爆炸性危险地温/℃无热害区表2-2-2煤层顶、底板情况表顶底板名称岩石类别硬度(f)厚度(m)岩性顶板以泥岩为主,局部为粉砂岩浅灰色,有水平层理、交错及斜层理、块状层理,为河漫滩相、河床相第3页共44页第2页共44页编号:时间:2021年x月x日书山有路勤为径,学海无涯苦作舟页码:第3页共44页底板以粉砂岩为主,局部为泥岩或砂质泥岩灰黑色小型斜层理及透镜状层理、缟状层理,为泥炭沼泽相图2-2-3侏罗纪拜家河聚煤区地层简表图2-2-3拜家河聚煤盆地地层简表系统群组代号厚度(m)岩性简述第四系全新统现代沉积Q40—14.0冲积、洪积成因的砂质粘土、砂、砂砾石层及次生黄土堆积。上更新统马兰组Q3m0—15.0风积成因的浅黄色、浅灰黄色黄土,底部夹有不稳定的棕褐色古土壤层,富含蜗牛化石。中更新统萨拉乌苏组Q3s离石组Q2l2—128.0风积成因的浅黄色黄土,夹7-16层棕红色古土壤,产Myospalxfontanieri,Magalocerscf,pangcstens。下更新统午成组Q1w10—54.5风积成因的浅棕黄色、桔黄色石质黄土,含钙质亚粘土夹有残缺状古土壤层。三门组Q1s新近系上新统保德组N2b0—77.4桔红色粘土岩,钙质结核粘土岩、粉砂岩夹钙质结核层,砂砾石层,产Hipparionsp.Dicoryphoerusbinxiancnsis,Chlenastochocrosstehlini等。白垩系下统志丹群罗汉洞组K1lh环河—华池组K1hK1hK1h洛河组K1l0—615.3紫红色砂岩夹砾岩,斜层理发育。宜君组K1y2.2—192.0紫灰色巨厚层复成分砾岩夹含砾砂岩透镜体。侏罗系中统安定组J2a1.0—85.6紫红色具灰绿色泥质团块的砂质泥岩为主夹中厚层砂岩,砂砾岩。直罗组J2z13.4—216.3浅灰色厚层状含砾长石石英粗砂岩夹少量紫红色泥岩,泥质粉砂岩。延安组J2y24.6—216.3灰黑色泥岩,泥质粉砂岩互砂岩...

1、当您付费下载文档后,您只拥有了使用权限,并不意味着购买了版权,文档只能用于自身使用,不得用于其他商业用途(如 [转卖]进行直接盈利或[编辑后售卖]进行间接盈利)。
2、本站所有内容均由合作方或网友上传,本站不对文档的完整性、权威性及其观点立场正确性做任何保证或承诺!文档内容仅供研究参考,付费前请自行鉴别。
3、如文档内容存在违规,或者侵犯商业秘密、侵犯著作权等,请点击“违规举报”。

碎片内容

主运输大巷掘进施工作业规程

您可能关注的文档

确认删除?
VIP
微信客服
  • 扫码咨询
会员Q群
  • 会员专属群点击这里加入QQ群
客服邮箱
回到顶部