电脑桌面
添加小米粒文库到电脑桌面
安装后可以在桌面快捷访问

兴龙商业大楼工程质量评估报告VIP免费

兴龙商业大楼工程质量评估报告_第1页
1/8
兴龙商业大楼工程质量评估报告_第2页
2/8
兴龙商业大楼工程质量评估报告_第3页
3/8
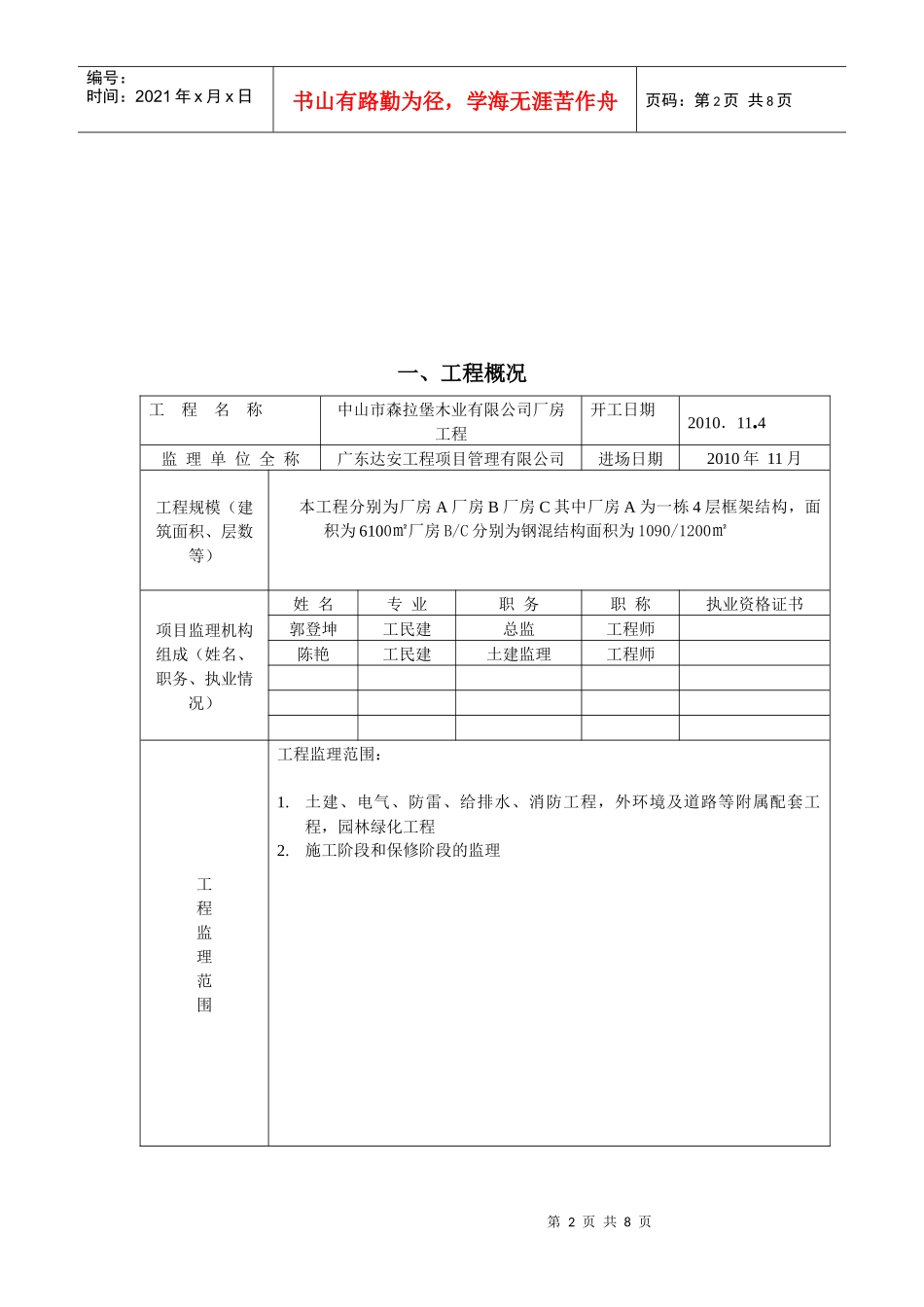
第1页共8页编号:时间:2021年x月x日书山有路勤为径,学海无涯苦作舟页码:第1页共8页中山市森拉堡木业有限公司厂房工程质量评估报告工程名称:中山市森拉堡木业有限公司厂房工程监理单位(公章):广东达安工程项目管理有限公司日期:2010年11月6日第2页共8页第1页共8页编号:时间:2021年x月x日书山有路勤为径,学海无涯苦作舟页码:第2页共8页一、工程概况工程名称中山市森拉堡木业有限公司厂房工程开工日期2010.11.4监理单位全称广东达安工程项目管理有限公司进场日期2010年11月工程规模(建筑面积、层数等)本工程分别为厂房A厂房B厂房C其中厂房A为一栋4层框架结构,面积为6100㎡厂房B/C分别为钢混结构面积为1090/1200㎡项目监理机构组成(姓名、职务、执业情况)姓名专业职务职称执业资格证书郭登坤工民建总监工程师陈艳工民建土建监理工程师工程监理范围工程监理范围:1.土建、电气、防雷、给排水、消防工程,外环境及道路等附属配套工程,园林绿化工程2.施工阶段和保修阶段的监理第3页共8页第2页共8页编号:时间:2021年x月x日书山有路勤为径,学海无涯苦作舟页码:第3页共8页二、建筑工程质量情况原材料构配件及设备质量控制情况:1.进场钢筋见证取样并送检测机构作拉伸和冷弯试验焊接试验,实测值均合格。钢筋产品质量证明文件齐全。2.进场水泥见证取样并送检测机构作水泥物理性能检验,检验结果符合国家标准,水泥出厂合格证齐全。3.砂,碎石,红砖等材料已按批量送检,检验报告符合要求。4.基桩高应变检测10根试验结果合格;低应变检测92根,均为Ⅰ类桩或Ⅱ类桩。5.本工程的混凝土试件按台班为批量进行见证取样试验,试验结果合格,评定合格。6.本工程砂浆试件按砌体层数进行见证试验,试验结果合格,评定合格。7.本工程空调、电梯设备采购经调试,检测试验。评定合格。存在问题:无工审查情况:基本齐全第4页共8页第3页共8页编号:时间:2021年x月x日书山有路勤为径,学海无涯苦作舟页码:第4页共8页程技术资料存在问题:无分部分项工程和实物质量控制情况:1。分部、分项工程及隐蔽工程监理单位及时组织有关各方进行了验收,其验收结果合格。2.基桩高应变检测10根桩,试验结果合格;低应变检测92根,均为Ⅰ类桩或Ⅱ类桩,两项检测均符合设计要求。3.主体结构质量:钢筋工程分项工程,进行了材料验收与见证取样,按设计要求进行了隐藏验收,其质量合格。模板分项工程,模板及支架有足够的强度刚度及稳定性,模板拼缝处不漏浆,几何尺寸比较准确。混凝土分项工程,混凝土采用商品混凝土。混凝土浇灌顺序和施工方法正确。浇灌密实,混凝土试件按台班为批量进行见证取样试验,试验结果合格;混凝土结构完成后,市建设工程质量检测中心对结构实体进行抽测(楼板厚度,钢筋保护层厚度,基础承台、梁、柱混凝土强度抽芯、回弹)评定合格。砌体分项工程,砌体强度等级符合设计要求,组砌方法正确。4.在施工过程中严格要求施工单位按所提供的施工组织设计进行组织施工,保证了施工质量。5.施工单位按设计文件,国家验收标准,施工合同全面完成了施工任务。第5页共8页第4页共8页编号:时间:2021年x月x日书山有路勤为径,学海无涯苦作舟页码:第5页共8页存在问题:1.部分钢筋的保护层不够。受力区钢筋接头未错开布置,钢筋间距偏差。2.少部分模板面清理不干净,未涂隔离剂,模板接缝宽度大,漏浆。3.混凝土结构出现部分胀模,小面积蜂窝、麻面。4.部分外墙饰面砖灰缝不饱满,外墙阳角有未清除干净的水泥浆。5.铝合金窗框、窗玻璃有杂质未清理干净,地板砖有空鼓现象。6.部分内外墙阴阳角不方正,不垂直。外墙饰面砖出现少于1/2砖的非整砖。7.少部分铝窗框边空鼓。8.天花,窗框批腻子灰凸凹不平,不顺直光滑。三、建筑设备安装工程质量情况原材料构配件及设备质量控制情况:1.使用的给排水、消防安装材料、设备配件等全部经监理人员检查并经检验合格后才进场,法兰,弯头,阀门,镀锌钢管,PE给水管,PVC排水管,消火栓均有出厂合格证明和质保证书,排水管见证送检并有检验报告,消防箱有产品质量认可证书2.主要电气设备和材料,BVV、BVR电源线,配电箱,...

1、当您付费下载文档后,您只拥有了使用权限,并不意味着购买了版权,文档只能用于自身使用,不得用于其他商业用途(如 [转卖]进行直接盈利或[编辑后售卖]进行间接盈利)。
2、本站所有内容均由合作方或网友上传,本站不对文档的完整性、权威性及其观点立场正确性做任何保证或承诺!文档内容仅供研究参考,付费前请自行鉴别。
3、如文档内容存在违规,或者侵犯商业秘密、侵犯著作权等,请点击“违规举报”。

碎片内容

兴龙商业大楼工程质量评估报告

您可能关注的文档

确认删除?
VIP
微信客服
  • 扫码咨询
会员Q群
  • 会员专属群点击这里加入QQ群
客服邮箱
回到顶部