电脑桌面
添加小米粒文库到电脑桌面
安装后可以在桌面快捷访问

SN:建筑给水排水及采暖工程部分VIP免费

SN:建筑给水排水及采暖工程部分_第1页
1/25
SN:建筑给水排水及采暖工程部分_第2页
2/25
SN:建筑给水排水及采暖工程部分_第3页
3/25
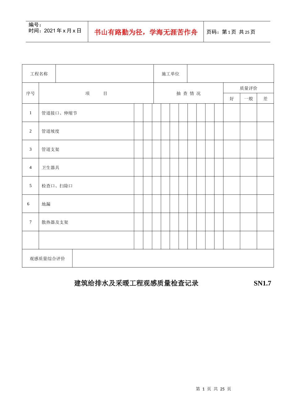
第1页共25页编号:时间:2021年x月x日书山有路勤为径,学海无涯苦作舟页码:第1页共25页建筑给排水及采暖工程观感质量检查记录SN1.7工程名称施工单位序号项目抽查情况质量评价好一般差1管道接口、伸缩节2管道坡度3管道支架4卫生器具5检查口、扫除口6地漏7散热器及支架观感质量综合评价第2页共25页第1页共25页编号:时间:2021年x月x日书山有路勤为径,学海无涯苦作舟页码:第2页共25页建筑给排水及采暖工程观感质量检查记录SN1.7建筑给水排水及采暖工程材料、设备、器具合格证、质保书、进场检(试)验报告汇总表SN2.2工程名称施工单位序号材料设备名称规格型号单位数量生产厂家使用部位系统备注施工单位项目经理:年月日总监理工程师:(建设单位项目负责人)年月日第3页共25页第2页共25页编号:时间:2021年x月x日书山有路勤为径,学海无涯苦作舟页码:第3页共25页技术负责人:质量检查员:年月日管道工程隐蔽验收记录SN2.3工程名称建设单位分项工程名称系统名称/编号设计或规范要求:第4页共25页第3页共25页编号:时间:2021年x月x日书山有路勤为径,学海无涯苦作舟页码:第4页共25页隐蔽内容及部位:检查结果:检查人:验收意见:验收人:专业施工负责人:施工单位项目经理:年月日专业监理工程师:(建设单位项目负责人)年月日管道支、吊架安装记录SN2.4工程名称建设单位监理单位施工单位分项工程名称部位一、支架安装:排水管管径(mm)支架材料支架间距(m)第5页共25页第4页共25页编号:时间:2021年x月x日书山有路勤为径,学海无涯苦作舟页码:第5页共25页道说明给水管道管径(mm)支架材料支架间距(m)说明二、吊顶内支吊架给水管道管径(mm)1520253240507080100125150200250300吊架间距(m)吊架规格型号说明排水管道支、吊架间距(m)吊架元钢直径(mm)支架角钢规格(mm)说明检查意见:质量检查员:年月日验收结论:监理工程师:(建设单位项目专业负责人):年月日管道焊接检验记录SN2.5工程名称建设单位分项工程名称施工单位第6页共25页第5页共25页编号:时间:2021年x月x日书山有路勤为径,学海无涯苦作舟页码:第6页共25页试验环境试验时间管道系统名称安装焊口数量(个)管材焊接方法焊接材料焊工合格证代号无损检查规格材质检查数量抽查比例检查结果检查意见:技术负责人:质量检查员:年月日验收结论:监理工程师:(建设单位项目专业负责人)年月日管道保温验收记录SN2.10第7页共25页第6页共25页编号:时间:2021年x月x日书山有路勤为径,学海无涯苦作舟页码:第7页共25页建设单位工程名称安装单位分项工程名称保检温查前情的况保温对象保温项目管径(mm)长度(m)第层第层第层伸缩宽度(mm)备注材质厚度(mm)材质厚度(mm)材质厚度(mm)施工要求及说明和简图:检查意见:技术负责人:质量检查员:年月日第8页共25页第7页共25页编号:时间:2021年x月x日书山有路勤为径,学海无涯苦作舟页码:第8页共25页验收结论:监理工程师(建设单位项目专业负责人):年月日阀门及散热器安装前水压试验记录SN2.14工程名称施工单位产品品牌规格型号抽查数量公称压力试验依据试验方式试验项目强度试验严密性试验试验参数试验压力(Mpa)试验时间(min)试验压力(Mpa)试验时间(min)试验标准值试验实测值结论试验过程及存在问题和处理意见试验人:第9页共25页第8页共25页编号:时间:2021年x月x日书山有路勤为径,学海无涯苦作舟页码:第9页共25页试验结果技术负责人:质量检查员:年月日验收结论:专业监理工程师(建设单位专业项目负责人):年月日承压管道系统(设备)强度和严密水压试验记录SN2.15工程名称试验系统分项名称施工单位试验时间年月日时分\s\up9(起)试验压力试验依据部位材质规格系统编号数量试验项目强度试验严密性试验试验参数试验标准值试验实测值结论第10页共25页第9页共25页编号:时间:2021年x月x日书山有路勤为径,学海无涯苦作舟页码:第10页共25页试验过程及存在问题和处理情况:试验人:试验结果:技术负责人:质量检查员:年月日监理工程师(建设单位专业项目负责人):年月日非承压管道灌水试验记录SN2.16工程名称建设单位分项名称...

1、当您付费下载文档后,您只拥有了使用权限,并不意味着购买了版权,文档只能用于自身使用,不得用于其他商业用途(如 [转卖]进行直接盈利或[编辑后售卖]进行间接盈利)。
2、本站所有内容均由合作方或网友上传,本站不对文档的完整性、权威性及其观点立场正确性做任何保证或承诺!文档内容仅供研究参考,付费前请自行鉴别。
3、如文档内容存在违规,或者侵犯商业秘密、侵犯著作权等,请点击“违规举报”。

碎片内容

SN:建筑给水排水及采暖工程部分

您可能关注的文档

确认删除?
VIP
微信客服
  • 扫码咨询
会员Q群
  • 会员专属群点击这里加入QQ群
客服邮箱
回到顶部